Каталог запасных частей к технике: ХТЗ Т-150. Насос топливоподкачивающий

zoom-in zoom-out enlarge shrink circle-right circle-left file-text2 info cart arraw right arraw left zoom out zoom in arraw maximize arraw minimize
1
1
1
1
2
3
4
5
6
7
8
9
9
10
11
12
13
14
15
16
17
18
19
20
21
22
23
24
25
26
27
28
29
30
31
32
33
1
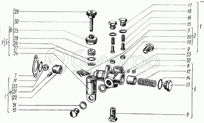
21.1106010-02
Насос топливоподкачивающий
В узле: 1
2
21.1106090
Корпус подкачивающего насоса
В узле: 1
3
21.1106310
Втулка штока
В узле: 1
4
21.1106320
Толкатель поршня
В узле: 1
5
21.1106350-02
Насос ручной прокачки
В узле: 1
6
21.1106380-22
Рукоятка насоса
В узле: 1
7
21.1106009
Прокладка
В узле: 1
8
21.1106011
Поршень
В узле: 1
9
21.1106012
Болт
В узле: 2
10
21.1106013
Болт
В узле: 1
11
21.1106015
Кольцо стопорное
В узле: 1
12
21.1106016
Пружина поршня
В узле: 1
13
21.1106019-01
Пробка пружины
В узле: 1
14
21.1106021-01
Кольцо уплотнительное
В узле: 1
15
21.1106022
Клапан
В узле: 2
16
21.1106027
Пружина клапана
В узле: 2
17
21.1106031
Пробка клапана
В узле: 2
18
21.1106035
Прокладка
В узле: 2
19
21.1106094
Корпус
В узле: 1
20
21.1106095
Седло клапана
В узле: 2
21
21.1106324
Ось толкателя
В узле: 1
22
21.1106326
Толкатель поршня
В узле: 1
23
21.1106328
Ролик толкателя
В узле: 1
24
21.1106356
Цилиндр
В узле: 1
25
21.1106358
Крышка цилиндра
В узле: 1
26
21.1106362-01
Кольцо уплотнительное
В узле: 1
27
21.1106365-01
Кольцо уплотнительное
В узле: 1
28
21.1106376-10
Поршень
В узле: 1
29
21.1106381-20
Рукоятка
В узле: 1
30
21.1106388-10
Шток
В узле: 1
31
21.1111249
Прокладка
В узле: 2
32
Гайка М8.8.016 ГОСТ 2526-70
Гайка М8.8.016 ГОСТ 2526-70
В узле: 2
33
Шайба 8.65Г.016 ГОСТ 6402-70
Шайба 8.65Г.016 ГОСТ 6402-70
В узле: 2
Содержащиеся в справочниках-каталогах запасные части и детали не предлагаются к продаже, а носят исключительно информационный характер

Ваша заявка была отправлена. В ближайшее время наши специалисты с Вами свяжутся по указанному Вами телефону.

Представьтесь
Поле обязательно для заполнения
Ваш телефон
Введите правильный номер телефона
E-mail
Введите правильный e-mail
Тема
Тема
применяемость финансирование доставка цена, наличие другое сервис и гарантия
Время для звонка
08:00
08:00 09:00 10:00 11:00 12:00 13:00 14:00 15:00 16:00 17:00 18:00 19:00
19:00
08:00 09:00 10:00 11:00 12:00 13:00 14:00 15:00 16:00 17:00 18:00 19:00

Мы постараемся перезвонить в указанное время

Если вы не хотите ждать, то звоните нашим вежливым консультантам:

8 800 100-2-700
Подтвердите, что вы не робот
Подтвердите, что вы не робот
Спасибо!

Ваше сообщение успешно отправлено!

ЗакрытьПовторить попытку