Каталог запасных частей к технике: ХТЗ Т-150. Система масляная и газовая турбокомпрессора

zoom-in zoom-out enlarge shrink circle-right circle-left file-text2 info cart arraw right arraw left zoom out zoom in arraw maximize arraw minimize
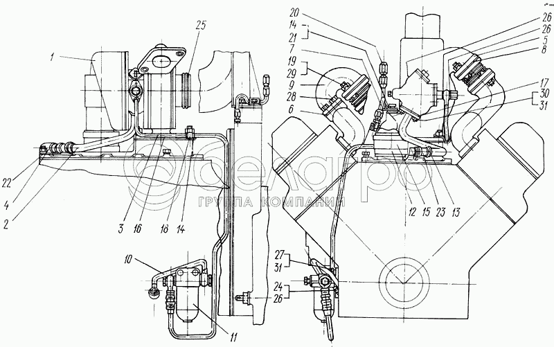
1
2
3
4
5
6
7
8
9
10
11
12
13
14
14
15
16
17
18
19
20
21
22
23
24
25
26
26
26
27
28
29
30
31
31
1
112.30001.10
Турбокомпрессор ТКР ПН-1
В узле: 1
2
60-28002.30
Трубка маслоподводящая
В узле: 1
3
60-28003.00
Трубка
В узле: 1
4
60-28007.00
Патрубок масло отводящий
В узле: 1
5
60-28014.11
Компенсатор сильфонный
В узле: 2
6
60-28016.10
Прокладка патрубка
В узле: 1
7
60-28017.11
Трубка подвода масла
В узле: 1
8
60-28018.01
Прокладка сильфона
В узле: 4
9
60-28022.02
Патрубок турбины
В узле: 1
10
60-28025.11
Трубка подвода масла
В узле: 1
11
17К-28С9А
Фильтр
В узле: 1
12
А23.02.250
Хомут стяжной
В узле: 2
13
Н-66С8
Хомут стяжной
В узле: 2
14
60-15167.00
Прокладка
В узле: 2
15
60-28137.10
Шланг соединительный
В узле: 1
16
60-2813811
Прокладка
В узле: 1
17
60-28143.00
Прокладка
В узле: 1
18
60-28150.20
Хомут
В узле: 1
19
60-28152.00
Гайка сильфона
В узле: 8
20
60-28170.11
Штуцер
В узле: 1
21
60-28171.00
Хомут
В узле: 1
22
17К-2827
Прокладка
В узле: 1
23
17К-2840
Шланг соединительный
В узле: 1
24
17К-2845
Болт зажимной
В узле: 1
25
50-1004063
Кольцо поршневое компрессионное
В узле: 2
26
СМД7-1539А
Прокладка
В узле: 4
27
Болт М8-6gх25.56.016 ГОСТ 7796-70
Болт М8-6gх25.56.016 ГОСТ 7796-70
В узле: 2
28
Болт М10-6gх25.56.016 ГОСТ 7796-70
Болт М10-6gх25.56.016 ГОСТ 7796-70
В узле: 4
29
Болт М12-6gх40.56.016 ГОСТ 7796-70
Болт М12-6gх40.56.016 ГОСТ 7796-70
В узле: 8
30
Гайка М8-6Н.6.016 ГОСТ 2524-70
Гайка М8-6Н.6.016 ГОСТ 2524-70
В узле: 2
31
Шайба 8.65Г.05 ГОСТ 6402-70
Шайба 8.65Г.05 ГОСТ 6402-70
В узле: 2
Содержащиеся в справочниках-каталогах запасные части и детали не предлагаются к продаже, а носят исключительно информационный характер

Ваша заявка была отправлена. В ближайшее время наши специалисты с Вами свяжутся по указанному Вами телефону.

Представьтесь
Поле обязательно для заполнения
Ваш телефон
Введите правильный номер телефона
E-mail
Введите правильный e-mail
Тема
Тема
применяемость финансирование доставка цена, наличие другое сервис и гарантия
Время для звонка
08:00
08:00 09:00 10:00 11:00 12:00 13:00 14:00 15:00 16:00 17:00 18:00 19:00
19:00
08:00 09:00 10:00 11:00 12:00 13:00 14:00 15:00 16:00 17:00 18:00 19:00

Мы постараемся перезвонить в указанное время

Если вы не хотите ждать, то звоните нашим вежливым консультантам:

8 800 100-2-700
Подтвердите, что вы не робот
Подтвердите, что вы не робот
Спасибо!

Ваше сообщение успешно отправлено!

ЗакрытьПовторить попытку