Каталог запасных частей к технике: ХТЗ Т-150К. Дверь 151.45.012-1

zoom-in zoom-out enlarge shrink circle-right circle-left file-text2 info cart arraw right arraw left zoom out zoom in arraw maximize arraw minimize
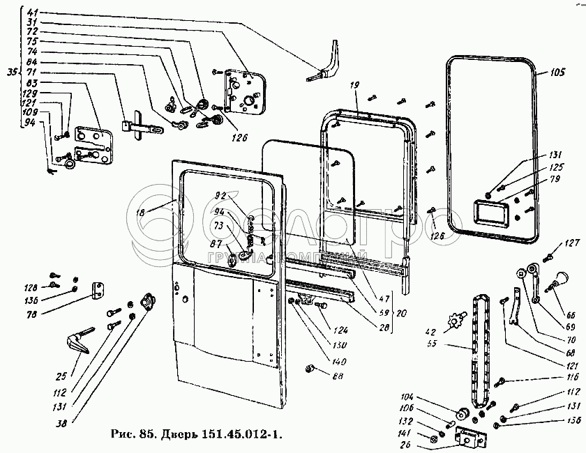
18
19
20
25
26
28
31
35
38
41
42
47
55
59
66
68
69
70
71
72
73
74
75
78
79
79
83
84
87
88
92
94
94
104
105
106
109
112
112
112
116
121
121
124
125
126
127
128
129
130
131
131
131
132
132
136
136
140
140
141
151.45.001
Кабина в сборе
В узле: 1
150.45.012-1
Дверь в сборе
В узле: 2
18
150.45.014-1
Панель двери в сборе
В узле: 2
19
150.45.018
Рамка двери в сборе
В узле: 2
20
150.45.020
Кронштейн стекла двери в сборе
В узле: 2
25
150.45.032
Ручка наружная в сборе
В узле: 2
26
150.45.038
Кронштейн натяжного ролика в сборе
В узле: 2
28
150.45.047
Кронштейн окна левый в сборе
В узле: 2
31
150.45.062-1
Корпус замка в сборе
В узле: 2
35
150.45.070-1
Замок в сборе
В узле: 2
38
150.45.077
Фланец в сборе
В узле: 2
41
150.45.087
Ручка замка внутренняя в сборе
В узле: 2
42
150.45.089
Звездочка в сборе
В узле: 2
47
150.45.141
Стекло двери
В узле: 2
55
150.45.180
Цепь
В узле: 2
59
150.45.189
Прокладка опускного стекла
В узле: 2
66
150.45.253
Фиксатор
В узле: 2
68
150.45.260
Пружина
В узле: 2
69
150.45.262
Ручка стеклоподъемника
В узле: 2
70
150.45.264
Шайба специальная
В узле: 2
71
150.45.266-1
Шток
В узле: 2
72
150.45.271-1
Пружина замка
В узле: 2
73
150.45.278
Планка штока
В узле: 2
74
150.45.280
Скоба стопорная
В узле: 4
75
150.45.293-1
Пружина
В узле: 2
78
150.45.315
Направляющий шип двери
В узле: 2
79
150.45.319
Крышка люка
В узле: 2
79
150.45.319
Крышка люка
В узле: 2
83
150.45.339
Крышка замка
В узле: 2
84
150.45.340-1
Кулачок
В узле: 4
87
150.45.350
Пластина крепления ручки двери
В узле: 2
88
150.45.354
Амортизатор стекла
В узле: 4
92
150.45.376
Пружина
В узле: 2
94
150.45.404
Шплинт пружинный
В узле: 4
94
150.45.404
Шплинт пружинный
В узле: 4
104
125.45.144
Ролик
В узле: 2
105
125.45.208-1
Уплотнитель фланца двери
В узле: 2
106
125.45.504
Втулка распорная
В узле: 2
109
7.38.117
Шайба
В узле: 2
112
Болт М6-6gх16.66.099 ГОСТ 7798-70
Болт М6-6gх16.66.099 ГОСТ 7798-70
В узле: 26
112
Болт М6-6gх16.66.099 ГОСТ 7798-70
Болт М6-6gх16.66.099 ГОСТ 7798-70
В узле: 26
112
Болт М6-6gх16.66.099 ГОСТ 7798-70
Болт М6-6gх16.66.099 ГОСТ 7798-70
В узле: 26
116
Болт М8-6gх35.66.099 ГОСТ 7795-70
Болт М8-6gх35.66.099 ГОСТ 7795-70
В узле: 2
121
Винт М4-6gх8.58.099 ГОСТ 1489-62
Винт М4-6gх8.58.099 ГОСТ 1489-62
В узле: 8
121
Винт М4-6gх8.58.099 ГОСТ 1489-62
Винт М4-6gх8.58.099 ГОСТ 1489-62
В узле: 8
124
Винт М5-6gх22.58.099 ГОСТ 1489-62
Винт М5-6gх22.58.099 ГОСТ 1489-62
В узле: 2
125
Винт М6-6gх12.58-099 ГОСТ 1490-62
Винт М6-6gх12.58-099 ГОСТ 1490-62
В узле: 30
126
Винт М6-6gх12.58.099 ГОСТ 1489-62
Винт М6-6gх12.58.099 ГОСТ 1489-62
В узле: 31
127
Винт М6-6gх16.58.099 ГОСТ 1489-62
Винт М6-6gх16.58.099 ГОСТ 1489-62
В узле: 2
128
Винт М6-6gх18.58.099 ГОСТ 1489-62
Винт М6-6gх18.58.099 ГОСТ 1489-62
В узле: 4
129
Шайба 4.65Г.05 ГОСТ 6402-70
Шайба 4.65Г.05 ГОСТ 6402-70
В узле: 6
130
Шайба 5.65Г.05 ГОСТ 6402-70
Шайба 5.65Г.05 ГОСТ 6402-70
В узле: 2
131
Шайба 6.65Г.05 ГОСТ 6402-70
Шайба 6.65Г.05 ГОСТ 6402-70
В узле: 24
131
Шайба 6.65Г.05 ГОСТ 6402-70
Шайба 6.65Г.05 ГОСТ 6402-70
В узле: 24
132
Шайба 8.65Г.05 ГОСТ 6402-70
Шайба 8.65Г.05 ГОСТ 6402-70
В узле: 36
132
Шайба 8.65Г.05 ГОСТ 6402-70
Шайба 8.65Г.05 ГОСТ 6402-70
В узле: 36
136
Шайба 6-010 ГОСТ 11371-68
Шайба 6-010 ГОСТ 11371-68
В узле: 14
136
Шайба 6-010 ГОСТ 11371-68
Шайба 6-010 ГОСТ 11371-68
В узле: 14
140
Гайка М5-6Н.8 ГОСТ 5927-70
Гайка М5-6Н.8 ГОСТ 5927-70
В узле: 10
140
Гайка М5-6Н.8 ГОСТ 5927-70
Гайка М5-6Н.8 ГОСТ 5927-70
В узле: 10
141
Гайка М8-7Н.6 ГОСТ 5915-70
Гайка М8-7Н.6 ГОСТ 5915-70
В узле: 6
Содержащиеся в справочниках-каталогах запасные части и детали не предлагаются к продаже, а носят исключительно информационный характер

Ваша заявка была отправлена. В ближайшее время наши специалисты с Вами свяжутся по указанному Вами телефону.

Представьтесь
Поле обязательно для заполнения
Ваш телефон
Введите правильный номер телефона
E-mail
Введите правильный e-mail
Тема
Тема
применяемость финансирование доставка цена, наличие другое сервис и гарантия
Время для звонка
08:00
08:00 09:00 10:00 11:00 12:00 13:00 14:00 15:00 16:00 17:00 18:00 19:00
19:00
08:00 09:00 10:00 11:00 12:00 13:00 14:00 15:00 16:00 17:00 18:00 19:00

Мы постараемся перезвонить в указанное время

Если вы не хотите ждать, то звоните нашим вежливым консультантам:

8 800 100-2-700
Подтвердите, что вы не робот
Подтвердите, что вы не робот
Спасибо!

Ваше сообщение успешно отправлено!

ЗакрытьПовторить попытку