Каталог запасных частей к технике: ХТЗ Т-150К. Головка цилиндров 60-06001.10

zoom-in zoom-out enlarge shrink circle-right circle-left file-text2 info cart arraw right arraw left zoom out zoom in arraw maximize arraw minimize
1
2
2
3
3
4
5
6
7
8
9
10
11
11
12
13
14
14
15
15
16
17
18
19
20
21
22
23
24
24
25
25
26
27
28
28
28
28
28
28
29
29
29
29
29
29
30
30
30
30
31
32
33
34
35
36
37
38
38
39
40
40
41
41
42
42
43
43
44
44
45
45
46
46
47
47
48
48
49
50
50
51
51
52
52
52
53
53
54
55
56
56
57
58
59
60
61
62
63
64
65
66
67
68
68
69
70
70
71
72
73
73
74
75
76
77
78
79
80
81
82
83
84
85
85
86
86
87
87
88
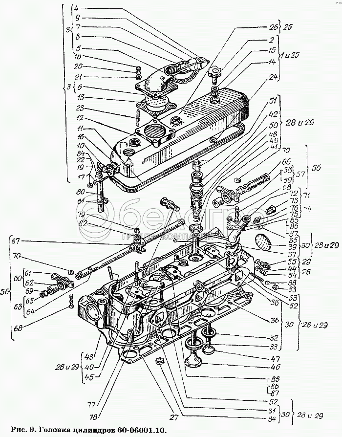
60-06001.10
Головка цилиндров
В узле: 1
1
60-06006.10
Колпак головки левый
В узле: 1
2
60-06010.00
Гайка колпака
В узле: 3
2
60-06019.00
Гайка колпака
В узле: 3
3
60-06025.00
Патрубок маслоналивной
В узле: 1
4
СМД1-0124
Пружина крышки
В узле: 1
5
60-06166.01
Патрубок маслоналивной
В узле: 1
6
Гайка М8.2.6.05 ГОСТ 2524-70
Гайка М8.2.6.05 ГОСТ 2524-70
В узле: 1
6
60-06204.00
Сетка
В узле: 1
7
14-0108
Крышка патрубка
В узле: 1
8
14-0122
Прокладка крышки патрубка
В узле: 1
9
14-01С11
Цепочка
В узле: 1
10
60-06026.00
Сапун
В узле: 1
11
60-06127.00
Прокладка колпака
В узле: 1
11
60-06127.00
Прокладка колпака
В узле: 1
12
60-06163.01
Колпак головки цилиндров
В узле: 1
13
60-06167.00
Прокладка
В узле: 1
14
60-06205.11
Кольцо уплотнительное
В узле: 3
14
60-06205.11
Кольцо уплотнительное
В узле: 3
15
60-06206.00
Шайба прижимная
В узле: 3
15
60-06206.00
Шайба прижимная
В узле: 3
16
60-06220.00
Прокладка сапуна
В узле: 1
17
Гайка М8.2.6.05 ГОСТ 2524-70
Гайка М8.2.6.05 ГОСТ 2524-70
В узле: 2
18
Гайка М10.2.6.05 ГОСТ 2524-70
Гайка М10.2.6.05 ГОСТ 2524-70
В узле: 4
19
Шайба 8.65Г.05 ГОСТ 6402-70
Шайба 8.65Г.05 ГОСТ 6402-70
В узле: 2
20
Шайба 10.65Г.05 ГОСТ 6402-70
Шайба 10.65Г.05 ГОСТ 6402-70
В узле: 4
21
Шайба 10х2-015 ГОСТ 10450-68
Шайба 10х2-015 ГОСТ 10450-68
В узле: 4
22
Шпилька БМ8 кл. То/2х16(10/12)х055 ГОСТ
Шпилька БМ8 кл. То/2х16(10/12)х055 ГОСТ 11765-66
В узле: 2
23
Шпилька БМ10 кл. То/2х25(20/22)х40Х ГОСТ
Шпилька БМ10 кл. То/2х25(20/22)х40Х ГОСТ 11765-66
В узле: 4
24
СМД1-0624
Кольцо стопорное
В узле: 3
24
СМД1-0624
Кольцо стопорное
В узле: 3
25
60-06007.01
Колпак головки правый
В узле: 1
26
60-06164.01
Колпак головки цилиндров
В узле: 1
27
60-06008.30
Прокладка головки
В узле: 2
28
60-06009.10
Головка с клапанами
В узле: 1
29
60-06010.10
Головка с клапанами
В узле: 1
30
60-06002.31
Головка цилиндров
В узле: 1
30
60-06002.31
Головка цилиндров
В узле: 1
31
60-06101.21
Головка цилиндров
В узле: 1
32
60-06106.00
Седло выпускного клапана
В узле: 3
33
60-06107.20
Седло впускного клапана
В узле: 3
34
60-06126.00
Заглушка
В узле: 2
35
60-06129.00
Заглушка
В узле: 1
36
60-06201.01
Пробка резьбовая
В узле: 1
37
60-06214.00
Заглушка
В узле: 6
38
60-06103.00
Втулка направляющая или 236-10070.32
В узле: 6
38
236-10070.32
Втулка направляющая или 60-06103.00
В узле: 6
39
Заглушка 60-002 ГОСТ 3111-67
Заглушка 60-002 ГОСТ 3111-67
В узле: 2
40
60-06138.00
Шпилька крепления стойки
В узле: 3
40
60-06138.00
Шпилька крепления стойки
В узле: 3
41
60-06140.00
Тарелка клапана
В узле: 6
41
60-06140.00
Тарелка клапана
В узле: 6
42
60-06171.00
Втулка тарелки клапана
В узле: 6
42
60-06171.00
Втулка тарелки клапана
В узле: 6
43
60-06208.00
Шпилька крепления форсунки
В узле: 6
43
60-06208.00
Шпилька крепления форсунки
В узле: 6
44
СМД7-0216-2
Прокладка поворотного угольника
В узле: 2
44
СМД7-0216-2
Прокладка поворотного угольника
В узле: 2
45
236-10033.30
Рым-болт
В узле: 2
45
236-10033.30
Рым-болт
В узле: 2
46
236-10070.10В
Клапан впускной
В узле: 3
46
236-10070.10В
Клапан впускной
В узле: 3
47
236-10070.15В4
Клапан выпускной
В узле: 3
47
236-10070.15В4
Клапан выпускной
В узле: 3
48
236-10070.20
Пружина клапана наружная
В узле: 6
48
236-10070.20
Пружина клапана наружная
В узле: 6
49
236-10070.21
Пружина клапана внутренняя
В узле: 6
50
236-10070.25
Шайба пружины клапана
В узле: 6
50
236-10070.25
Шайба пружины клапана
В узле: 6
51
236-10070.28
Сухарь клапана
В узле: 12
51
236-10070.28
Сухарь клапана
В узле: 12
52
Шпилька БМ8 кл. То/2х20(12/15)х055 ГОСТ
Шпилька БМ8 кл. То/2х20(12/15)х055 ГОСТ 11765-66
В узле: 4
52
Шпилька БМ8 кл. То/2х20(12/15)х055 ГОСТ
Шпилька БМ8 кл. То/2х20(12/15)х055 ГОСТ 11765-66
В узле: 4
53
Шпилька БМ10 кл. То/2 х35(15/26)х055 ГОС
Шпилька БМ10 кл. То/2 х35(15/26)х055 ГОСТ 11765-66
В узле: 6
53
Шпилька БМ10 кл. То/2 х35(15/26)х055 ГОС
Шпилька БМ10 кл. То/2 х35(15/26)х055 ГОСТ 11765-66
В узле: 6
54
60-06213.00
Пробка резьбовая
В узле: 1
55
60-06212.00
Штуцер
В узле: 1
56
60-06013.00
Механизм распределения
В узле: 2
57
60-06003.01
Коромысло клапана правое со втулкой
В узле: 3
58
60-06109.02
Коромысло клапана правое
В узле: 1
59
60-06168.00
Втулка коромысла клапана
В узле: 1
60
60-06004.01
Коромысло клапана левое со втулкой
В узле: 3
61
60-06132.02
Коромысло клапана левое
В узле: 1
62
60-06168.00
Втулка коромысла клапана
В узле: 1
63
60-06018.01
Ось коромысел
В узле: 1
64
60-06144.00
Ось коромысел
В узле: 1
65
60.06190.10
Заглушка
В узле: 2
66
60-06122.00
Пружина распорная
В узле: 2
67
60-06141.00
Стойка осей коромысел
В узле: 3
68
60-06172.10
Винт регулировочный
В узле: 6
69
СМД7-0688
Кольцо стопорное
В узле: 2
70
Гайка М12х1,25.2а.6.05 ГОСТ 2524-70
Гайка М12х1,25.2а.6.05 ГОСТ 2524-70
В узле: 6
71
60-06016.10
Патрубок водоотводящий правый
В узле: 1
72
60-06183.10
Патрубок водоотводящий правый
В узле: 1
73
60-06159.00
Штуцер
В узле: 1
73
60-06159.00
Штуцер
В узле: 1
74
60-06017.10
Патрубок водоотводящий левый
В узле: 1
75
60-06182.10
Патрубок водоотводящий левый
В узле: 1
76
Н-6081А
Ниппель конечный (475313148)
В узле: 1
77
60-06010.10
Головка с клапанами
В узле: 4
78
60-06143.10
Крышка
В узле: 2
79
60-06165.00
Гайка крепления стойки
В узле: 6
80
60-06224.00
Шланг сапуна
В узле: 1
81
60-06226.00
Хомут
В узле: 1
82
60-06175.10
Шайба контровочная
В узле: 1
83
СМД7-0645
Гайка крепления выхлопного коллектора
В узле: 12
84
А23-02.160
Хомут стяжной
В узле: 1
85
Гайка М8.2.6.05 ГОСТ 2524-70
Гайка М8.2.6.05 ГОСТ 2524-70
В узле: 8
86
Шайба 8.65Г.05 ГОСТ 6402-70
Шайба 8.65Г.05 ГОСТ 6402-70
В узле: 8
87
Шайба 8х1,5-015 ГОСТ 10450-68
Шайба 8х1,5-015 ГОСТ 10450-68
В узле: 4
88
Шайба 10х2-015 ГОСТ 10450-68
Шайба 10х2-015 ГОСТ 10450-68
В узле: 12
Содержащиеся в справочниках-каталогах запасные части и детали не предлагаются к продаже, а носят исключительно информационный характер

Ваша заявка была отправлена. В ближайшее время наши специалисты с Вами свяжутся по указанному Вами телефону.

Представьтесь
Поле обязательно для заполнения
Ваш телефон
Введите правильный номер телефона
E-mail
Введите правильный e-mail
Тема
Тема
применяемость финансирование доставка цена, наличие другое сервис и гарантия
Время для звонка
08:00
08:00 09:00 10:00 11:00 12:00 13:00 14:00 15:00 16:00 17:00 18:00 19:00
19:00
08:00 09:00 10:00 11:00 12:00 13:00 14:00 15:00 16:00 17:00 18:00 19:00

Мы постараемся перезвонить в указанное время

Если вы не хотите ждать, то звоните нашим вежливым консультантам:

8 800 100-2-700
Подтвердите, что вы не робот
Подтвердите, что вы не робот
Спасибо!

Ваше сообщение успешно отправлено!

ЗакрытьПовторить попытку