Каталог запасных частей к технике: ХТЗ Т-150К. Коробка передач 151.37.021-6

zoom-in zoom-out enlarge shrink circle-right circle-left file-text2 info cart arraw right arraw left zoom out zoom in arraw maximize arraw minimize
11
14
31
38
39
42
43
44
45
57
58
59
60
64
70
73
74
77
78
95
113
117
213
237
237
237
238
238
242
243
243
245
245
245
245
273
274
275
279
280
282
286
286
293
294
302
302
306
307
308
310
312
313
313
314
332
332
338
343
362
365
365
365
365
365
365
365
366
366
369
369
371
375
375
379
379
379
379
379
388
388
388
388
388
388
388
388
388
388
389
389
389
395
395
395
398
398
398
398
399
402
402
402
402
405
405
406
406
407
409
409
409
409
409
409
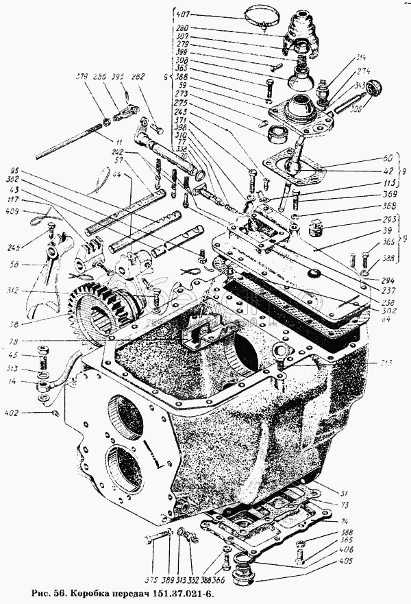
151.37.001-6
Коробка перемены передач с раздаточной коробкой
В узле: 1
151.37.050-2
Крышка ходоуменьшителя в сборе
В узле: 1
3
151.37.021-6
Коробка передач в сборе
В узле: 1
11
151.37.056-1
Тяга блокировки в сборе
В узле: 1
14
151.37.063-1
Трубка перепускная в сборе
В узле: 1
31
151.37.101-2
Корпус коробки передач
В узле: 1
38
151.37.129-1
Шестерня промежуточная заднего хода
В узле: 1
39
151.37.142-1
Крышка ходоуменьшителя
В узле: 1
42
151.37.157
Рычаг переключения рядов
В узле: 1
43
151.37.162-1
Валик
В узле: 1
44
151.37.163-1
Вилка заднего хода
В узле: 1
45
151.37.167
Болт поворотного угольника
В узле: 1
57
151.37.227-1
Валик
В узле: 1
58
151.37.228-2
Вилка
В узле: 1
59
151.37.232-1
Колонка малая
В узле: 1
60
151.37.233-1
Прокладка
В узле: 1
64
151.37.238
Прокладка
В узле: 1
70
151.37.248
Валик блокировки
В узле: 1
73
151.37.267-2
Прокладка
В узле: 1
74
151.37.268-2
Крышка люка
В узле: 1
77
151.37.294-1
Ограничитель
В узле: 1
78
151.37.297-1
Кулиса
В узле: 1
95
151.37.357-2
Валик
В узле: 1
113
151.37.420
Указатель
В узле: 1
117
151.37.435
Поводок двойной
В узле: 1
213
150.37.474
Рым-болт М16 ГОСТ 4751-67
В узле: 2
237
125.37.153
Пружина фиксатора
В узле: 5
237
125.37.153
Пружина фиксатора
В узле: 5
237
125.37.153
Пружина фиксатора
В узле: 5
238
125.37.154
Фиксатор
В узле: 3
238
125.37.154
Фиксатор
В узле: 3
242
125.37.259
Фиксатор длинный
В узле: 2
243
125.37.270
Винт установочный
В узле: 2
243
125.37.270
Винт установочный
В узле: 2
245
125.37.299
Болт стопорный
В узле: 6
245
125.37.299
Болт стопорный
В узле: 6
245
125.37.299
Болт стопорный
В узле: 6
245
125.37.299
Болт стопорный
В узле: 6
273
74.37.460
Штифт
В узле: 1
274
74.37.476
Прокладка регулировочная
В узле: 4
275
74.37.485
Вставка
В узле: 1
279
54.37.462
Пружина колпачка
В узле: 1
280
54.37.489
Чехол
В узле: 1
282
54.20.405
Палец
В узле: 2
286
14.38.528А
Вилка тяги блокировки
В узле: 2
286
14.38.528А
Вилка тяги блокировки
В узле: 2
293
7.37.028
Пробка в сборе
В узле: 1
294
7.37.233
Штифт
В узле: 1
302
А03-12
Штифт
В узле: 5
302
А03-12
Штифт
В узле: 5
306
А13.04.000А
Рукоятка
В узле: 1
307
А37-60
Упорная втулка
В узле: 1
308
А37-63
Колпачок
В узле: 1
310
5.43.130
Пружина застежки
В узле: 1
312
БПУ-20
Болт поворотного угольника
В узле: 1
313
ШПУ-20
Шайба поворотного угольника
В узле: 5
314
БК403-3716000
Включатель
В узле: 1
332
Н.036.04.005
Штуцер
В узле: 3
332
Н.036.04.005
Штуцер
В узле: 3
338
Кольцо Н2-20х16-2 ГОСТ 9833-61
Кольцо Н2-20х16-2 ГОСТ 9833-61
В узле: 1
343
Шар IV 8мм Р ГОСТ 3722-60
Шар IV 8мм Р ГОСТ 3722-60
В узле: 1
362
Болт 3М10-6gх16/66 ГОСТ 7796-70
Болт 3М10-6gх16/66 ГОСТ 7796-70
В узле: 3
365
Болт М10-6gх30.66 ГОСТ 7796-70
Болт М10-6gх30.66 ГОСТ 7796-70
В узле: 70
365
Болт М10-6gх30.66 ГОСТ 7796-70
Болт М10-6gх30.66 ГОСТ 7796-70
В узле: 70
365
Болт М10-6gх30.66 ГОСТ 7796-70
Болт М10-6gх30.66 ГОСТ 7796-70
В узле: 70
365
Болт М10-6gх30.66 ГОСТ 7796-70
Болт М10-6gх30.66 ГОСТ 7796-70
В узле: 70
365
Болт М10-6gх30.66 ГОСТ 7796-70
Болт М10-6gх30.66 ГОСТ 7796-70
В узле: 70
365
Болт М10-6gх30.66 ГОСТ 7796-70
Болт М10-6gх30.66 ГОСТ 7796-70
В узле: 70
366
Болт М10-6gх40.66 ГОСТ 7795-70
Болт М10-6gх40.66 ГОСТ 7795-70
В узле: 11
366
Болт М10-6gх40.66 ГОСТ 7795-70
Болт М10-6gх40.66 ГОСТ 7795-70
В узле: 11
369
Болт М10-6gх55.66 ГОСТ 7795-70
Болт М10-6gх55.66 ГОСТ 7795-70
В узле: 2
369
Болт М10-6gх55.66 ГОСТ 7795-70
Болт М10-6gх55.66 ГОСТ 7795-70
В узле: 2
371
Болт М10-6gх70.66 ГОСТ 7795-70
Болт М10-6gх70.66 ГОСТ 7795-70
В узле: 1
375
Болт М12-6gх55.88.35 ГОСТ 7795-70
Болт М12-6gх55.88.35 ГОСТ 7795-70
В узле: 7
375
Болт М12-6gх55.88.35 ГОСТ 7795-70
Болт М12-6gх55.88.35 ГОСТ 7795-70
В узле: 7
379
Гайка М10-7Н.6 ГОСТ 5915-70
Гайка М10-7Н.6 ГОСТ 5915-70
В узле: 17
379
Гайка М10-7Н.6 ГОСТ 5915-70
Гайка М10-7Н.6 ГОСТ 5915-70
В узле: 17
379
Гайка М10-7Н.6 ГОСТ 5915-70
Гайка М10-7Н.6 ГОСТ 5915-70
В узле: 17
379
Гайка М10-7Н.6 ГОСТ 5915-70
Гайка М10-7Н.6 ГОСТ 5915-70
В узле: 17
379
Гайка М10-7Н.6 ГОСТ 5915-70
Гайка М10-7Н.6 ГОСТ 5915-70
В узле: 17
388
Шайба 10.65Г.05 ГОСТ 6402-70
Шайба 10.65Г.05 ГОСТ 6402-70
В узле: 128
388
Шайба 10.65Г.05 ГОСТ 6402-70
Шайба 10.65Г.05 ГОСТ 6402-70
В узле: 128
388
Шайба 10.65Г.05 ГОСТ 6402-70
Шайба 10.65Г.05 ГОСТ 6402-70
В узле: 128
388
Шайба 10.65Г.05 ГОСТ 6402-70
Шайба 10.65Г.05 ГОСТ 6402-70
В узле: 128
388
Шайба 10.65Г.05 ГОСТ 6402-70
Шайба 10.65Г.05 ГОСТ 6402-70
В узле: 128
388
Шайба 10.65Г.05 ГОСТ 6402-70
Шайба 10.65Г.05 ГОСТ 6402-70
В узле: 128
388
Шайба 10.65Г.05 ГОСТ 6402-70
Шайба 10.65Г.05 ГОСТ 6402-70
В узле: 128
388
Шайба 10.65Г.05 ГОСТ 6402-70
Шайба 10.65Г.05 ГОСТ 6402-70
В узле: 128
389
Шайба 12.65Г.05 ГОСТ 6402-70
Шайба 12.65Г.05 ГОСТ 6402-70
В узле: 23
389
Шайба 12.65Г.05 ГОСТ 6402-70
Шайба 12.65Г.05 ГОСТ 6402-70
В узле: 23
389
Шайба 12.65Г.05 ГОСТ 6402-70
Шайба 12.65Г.05 ГОСТ 6402-70
В узле: 23
395
Шплинт 2х16 ГОСТ 397-66
Шплинт 2х16 ГОСТ 397-66
В узле: 6
395
Шплинт 2х16 ГОСТ 397-66
Шплинт 2х16 ГОСТ 397-66
В узле: 6
395
Шплинт 2х16 ГОСТ 397-66
Шплинт 2х16 ГОСТ 397-66
В узле: 6
398
Заглушка 26 ГОСТ 3111-67
Заглушка 26 ГОСТ 3111-67
В узле: 4
398
Заглушка 26 ГОСТ 3111-67
Заглушка 26 ГОСТ 3111-67
В узле: 4
398
Заглушка 26 ГОСТ 3111-67
Заглушка 26 ГОСТ 3111-67
В узле: 4
398
Заглушка 26 ГОСТ 3111-67
Заглушка 26 ГОСТ 3111-67
В узле: 4
399
Заклепка 6х32.01 ГОСТ 10299-68
Заклепка 6х32.01 ГОСТ 10299-68
В узле: 1
402
Пробка КГ 1/4" ГОСТ 12720-67
Пробка КГ 1/4" ГОСТ 12720-67
В узле: 6
402
Пробка КГ 1/4" ГОСТ 12720-67
Пробка КГ 1/4" ГОСТ 12720-67
В узле: 6
402
Пробка КГ 1/4" ГОСТ 12720-67
Пробка КГ 1/4" ГОСТ 12720-67
В узле: 6
402
Пробка КГ 1/4" ГОСТ 12720-67
Пробка КГ 1/4" ГОСТ 12720-67
В узле: 6
405
ПММ-39-Б
Пробка магнитная в сборе
В узле: 2
405
ПММ-39-Б
Пробка магнитная в сборе
В узле: 2
406
КУ-39
Кольцо уплотняющее
В узле: 2
406
КУ-39
Кольцо уплотняющее
В узле: 2
407
ХС-95
Хомутик
В узле: 1
409
ПЖ-1,6х300
Проволока
В узле: 13
409
ПЖ-1,6х300
Проволока
В узле: 13
409
ПЖ-1,6х300
Проволока
В узле: 13
409
ПЖ-1,6х300
Проволока
В узле: 13
409
ПЖ-1,6х300
Проволока
В узле: 13
409
ПЖ-1,6х300
Проволока
В узле: 13
Содержащиеся в справочниках-каталогах запасные части и детали не предлагаются к продаже, а носят исключительно информационный характер

Ваша заявка была отправлена. В ближайшее время наши специалисты с Вами свяжутся по указанному Вами телефону.

Представьтесь
Поле обязательно для заполнения
Ваш телефон
Введите правильный номер телефона
E-mail
Введите правильный e-mail
Тема
Тема
применяемость финансирование доставка цена, наличие другое сервис и гарантия
Время для звонка
08:00
08:00 09:00 10:00 11:00 12:00 13:00 14:00 15:00 16:00 17:00 18:00 19:00
19:00
08:00 09:00 10:00 11:00 12:00 13:00 14:00 15:00 16:00 17:00 18:00 19:00

Мы постараемся перезвонить в указанное время

Если вы не хотите ждать, то звоните нашим вежливым консультантам:

8 800 100-2-700
Подтвердите, что вы не робот
Подтвердите, что вы не робот
Спасибо!

Ваше сообщение успешно отправлено!

ЗакрытьПовторить попытку