Каталог запасных частей к технике: ХТЗ Т-150К. Крышка передняя 60-02003.00

zoom-in zoom-out enlarge shrink circle-right circle-left file-text2 info cart arraw right arraw left zoom out zoom in arraw maximize arraw minimize
1
1
2
3
4
5
6
7
8
9
10
11
11
12
13
14
15
62
63
64
65
66
67
68
70
71
72
73
74
76
77
77
78
79
79
80
81
82
83
84
85
86
60-02001.20
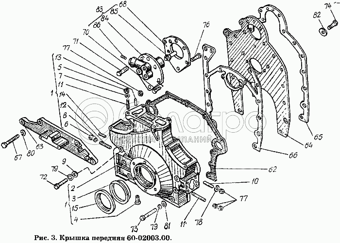
Крышка передняя и картер маховика
В узле: 1
1
60-02003.00
Крышка передняя
В узле: 1
2
60-02101.01
Крышка передняя
В узле: 1
3
60-02109.00
Кольцо маслоотражателя
В узле: 1
4
60-02163.00
Втулка резьбовая
В узле: 4
5
Гайка М10.2.6.05 ГОСТ 2524-70
Гайка М10.2.6.05 ГОСТ 2524-70
В узле: 4
6
Гайка М12.2.6.05 ГОСТ 2524-70
Гайка М12.2.6.05 ГОСТ 2524-70
В узле: 4
7
Шайба 10.65Г.05 ГОСТ 6402-70
Шайба 10.65Г.05 ГОСТ 6402-70
В узле: 6
8
Шайба 12.65Г.05 ГОСТ 6402-70
Шайба 12.65Г.05 ГОСТ 6402-70
В узле: 4
9
Шайба 12х2-015 ГОСТ 11371-68
Шайба 12х2-015 ГОСТ 11371-68
В узле: 4
10
Шпилька БМ10 кл. То/2х16(20/14)х40Х ГОСТ
Шпилька БМ10 кл. То/2х16(20/14)х40Х ГОСТ 11765-66
В узле: 2
11
Шпилька БМ10 кл. То/2х25(20/22)х40Х ГОСТ
Шпилька БМ10 кл. То/2х25(20/22)х40Х ГОСТ 11765-66
В узле: 6
12
Шпилька БМ12 кл. То/2х40(24/30)х055 ГОСТ
Шпилька БМ12 кл. То/2х40(24/30)х055 ГОСТ 11765-66
В узле: 4
13
Штифт 8Пр2/2nх25 ГОСТ 3128-70
Штифт 8Пр2/2nх25 ГОСТ 3128-70
В узле: 4
14
Штифт 10Пр2/2ах25 ГОСТ 3128-70
Штифт 10Пр2/2ах25 ГОСТ 3128-70
В узле: 2
15
Манжета 2-30-105-4 ГОСТ 8752-70
Манжета 2-30-105-4 ГОСТ 8752-70
В узле: 1
48
60-02128.00
Шестерня промежуточная
В узле: 1
62
60-02102.10
Прокладка передней крышки
В узле: 1
63
60-02105.00
Опора шестерни
В узле: 1
64
60-02114.00
Щит
В узле: 1
65
60-02116.01
Прокладка картера маховика
В узле: 1
66
60-02117.01
Прокладка щита
В узле: 1
67
60-02135.00
Болт М14х100
В узле: 1
68
60-02140.10
Прокладка опоры шестерни
В узле: 1
70
Болт М10.2х35.56.05 ГОСТ 7796-70
Болт М10.2х35.56.05 ГОСТ 7796-70
В узле: 4
71
Болт М10.2х50.56.05 ГОСТ 7795-70
Болт М10.2х50.56.05 ГОСТ 7795-70
В узле: 1
72
Болт М12.2х70.109.40Х05 ГОСТ 7795-70
Болт М12.2х70.109.40Х05 ГОСТ 7795-70
В узле: 1
73
Болт М12.2х90.109.40Х05 ГОСТ 7795-70
Болт М12.2х90.109.40Х05 ГОСТ 7795-70
В узле: 6
74
Болт М10.2х20.56.05 ГОСТ 7796-70
Болт М10.2х20.56.05 ГОСТ 7796-70
В узле: 1
76
Болт М10.2х30.56.05 ГОСТ 7796-70
Болт М10.2х30.56.05 ГОСТ 7796-70
В узле: 1
77
Гайка М10.2.6.05 ГОСТ 2524-70
Гайка М10.2.6.05 ГОСТ 2524-70
В узле: 1
78
Шайба 10.65Г.05 ГОСТ 6402-70
Шайба 10.65Г.05 ГОСТ 6402-70
В узле: 10
79
Шайба 12.65Г.05 ГОСТ 6402-70
Шайба 12.65Г.05 ГОСТ 6402-70
В узле: 7
80
Шайба 14.65Г.05 ГОСТ 6402-70
Шайба 14.65Г.05 ГОСТ 6402-70
В узле: 1
81
Шайба 12х2-015 ГОСТ 11371-68
Шайба 12х2-015 ГОСТ 11371-68
В узле: 7
82
47 5361 3159
Шайба стопорная 11х26
В узле: 1
83
60-02013.10
Опора шестерни
В узле: 1
84
60-0213830
Опора шестерни
В узле: 1
85
60-02177.00
Штуцер
В узле: 1
86
Пробка КГ1/8" ГОСТ 12720-67
Пробка КГ1/8" ГОСТ 12720-67
В узле: 1
Содержащиеся в справочниках-каталогах запасные части и детали не предлагаются к продаже, а носят исключительно информационный характер

Ваша заявка была отправлена. В ближайшее время наши специалисты с Вами свяжутся по указанному Вами телефону.

Представьтесь
Поле обязательно для заполнения
Ваш телефон
Введите правильный номер телефона
E-mail
Введите правильный e-mail
Тема
Тема
применяемость финансирование доставка цена, наличие другое сервис и гарантия
Время для звонка
08:00
08:00 09:00 10:00 11:00 12:00 13:00 14:00 15:00 16:00 17:00 18:00 19:00
19:00
08:00 09:00 10:00 11:00 12:00 13:00 14:00 15:00 16:00 17:00 18:00 19:00

Мы постараемся перезвонить в указанное время

Если вы не хотите ждать, то звоните нашим вежливым консультантам:

8 800 100-2-700
Подтвердите, что вы не робот
Подтвердите, что вы не робот
Спасибо!

Ваше сообщение успешно отправлено!

ЗакрытьПовторить попытку