Каталог запасных частей к технике: ХТЗ Т-150К. Насос масляный 60-09001.32

zoom-in zoom-out enlarge shrink circle-right circle-left file-text2 info cart arraw right arraw left zoom out zoom in arraw maximize arraw minimize
1
2
3
4
5
6
7
8
9
10
11
12
13
14
15
16
17
18
19
20
21
22
23
24
25
26
27
28
29
30
31
32
33
34
35
36
37
38
39
40
41
42
43
44
45
46
47
48
48
48
49
50
50
51
52
53
54
54
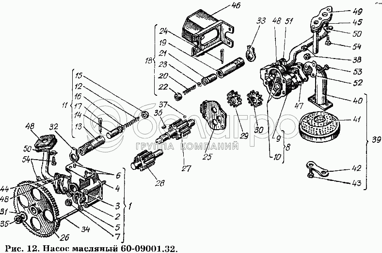
60-09001.32
Масляный насос с соединительной арматурой
В узле: 1
60-09153.00
Кольцо
В узле: 2
1
60-09002.12
Насос масляный
В узле: 1
2
60-09004.30
Корпус масляного насоса
В узле: 1
3
60-09101.40
Корпус масляного насоса
В узле: 1
4
60-09111.00
Втулка масляного насоса
В узле: 2
5
60-09135.10
Шпилька установочная
В узле: 2
6
60-09154.00
Шайба замковая
В узле: 2
6
Штифт 8Сзх20 ГОСТ 3128-70
Штифт 8Сзх20 ГОСТ 3128-70
В узле: 2
7
Гайка М8.2.6.05 ГОСТ 2526-70
Гайка М8.2.6.05 ГОСТ 2526-70
В узле: 2
8
60-09005.20
Корпус радиаторной секции
В узле: 1
9
60-09102.20
Корпус радиаторной секции
В узле: 2
10
60-09110.20
Втулка
В узле: 2
11
60-09008.00
Клапан
В узле: 1
12
60-09113.00
Пружина
В узле: 1
13
60-09115.01
Корпус клапана
В узле: 1
14
60-09139.00
Клапан
В узле: 1
15
60-09140.00
Колпачок
В узле: 1
16
60-09151.00
Шайба регулировочная
В узле: 5
17
Шплинт 4х40-005 ГОСТ 397-66
Шплинт 4х40-005 ГОСТ 397-66
В узле: 1
18
60-09012.00
Клапан
В узле: 1
19
60-09116.01
Корпус клапана
В узле: 1
20
60-09134.00
Пружина
В узле: 1
21
60-09138.00
Клапан
В узле: 1
22
60-09140.00
Колпачок
В узле: 1
23
Шайба 6-015 ГОСТ 11371-68
Шайба 6-015 ГОСТ 11371-68
В узле: 4
24
Шплинт 4х40-005 ГОСТ 397-66
Шплинт 4х40-005 ГОСТ 397-66
В узле: 1
25
60-09103.10
Проставка
В узле: 1
26
60-09104.10
Колесо зубчатое m = 2,5, z = 64
В узле: 1
27
60-09105.20
Шестерня ведущая m = 4,25, z = 10
В узле: 1
28
60-09106.10
Шестерня ведомая m=4,25, z=10
В узле: 1
29
60-09112.10
Шестерня радиаторная ведущая m = 4,25, z = 10
В узле: 1
30
60-09114.10
Шестерня радиаторная ведомая m = 4,25, z = 10
В узле: 1
31
60-09132.10
Шайба стопорная
В узле: 1
32
60-09136.00
Шайба замковая
В узле: 1
33
60-09137.00
Шайба замковая
В узле: 1
34
60-09144.00
Болт М8х85
В узле: 2
35
Гайка М18х1,5.2.6.05 ГОСТ 5929-70
Гайка М18х1,5.2.6.05 ГОСТ 5929-70
В узле: 1
36
Шпонка сегментная 5х6,5 ГОСТ 8795-68
Шпонка сегментная 5х6,5 ГОСТ 8795-68
В узле: 1
37
Шарик БV 5,556мм Р ГОСТ 3722-60
Шарик БV 5,556мм Р ГОСТ 3722-60
В узле: 1
38
Гайка М8.2.6.05 ГОСТ 2526-70
Гайка М8.2.6.05 ГОСТ 2526-70
В узле: 2
39
60-09009.20
Трубка всасывающая с заборником
В узле: 1
40
60-09010.20
Трубка всасывающая
В узле: 1
41
60-09016.00
Заборник масляного насоса
В узле: 1
42
60-09150.00
Шайба замковая
В узле: 1
43
Болт М8.2х30.56.05 ГОСТ 7796-70
Болт М8.2х30.56.05 ГОСТ 7796-70
В узле: 2
44
60-09011.30
Трубка к маслофильтру
В узле: 1
45
60-09014.30
Трубка радиаторной секции
В узле: 1
46
60-09017.01
Кожух клапанов
В узле: 1
47
60-09126.00
Прокладка
В узле: 1
48
60-09127.00
Прокладка
В узле: 1
49
60-09129.20
Прокладка
В узле: 1
50
60-09131.10
Шайба замковая
В узле: 5
51
60-09152.00
Фланец трубки
В узле: 2
52
60-09142.10
Шайба
В узле: 1
53
Болт М8.2х16.56.05 ГОСТ 7796-70
Болт М8.2х16.56.05 ГОСТ 7796-70
В узле: 1
54
Болт М8.2х20.56.05 ГОСТ 7796-70
Болт М8.2х20.56.05 ГОСТ 7796-70
В узле: 9
Содержащиеся в справочниках-каталогах запасные части и детали не предлагаются к продаже, а носят исключительно информационный характер

Ваша заявка была отправлена. В ближайшее время наши специалисты с Вами свяжутся по указанному Вами телефону.

Представьтесь
Поле обязательно для заполнения
Ваш телефон
Введите правильный номер телефона
E-mail
Введите правильный e-mail
Тема
Тема
применяемость финансирование доставка цена, наличие другое сервис и гарантия
Время для звонка
08:00
08:00 09:00 10:00 11:00 12:00 13:00 14:00 15:00 16:00 17:00 18:00 19:00
19:00
08:00 09:00 10:00 11:00 12:00 13:00 14:00 15:00 16:00 17:00 18:00 19:00

Мы постараемся перезвонить в указанное время

Если вы не хотите ждать, то звоните нашим вежливым консультантам:

8 800 100-2-700
Подтвердите, что вы не робот
Подтвердите, что вы не робот
Спасибо!

Ваше сообщение успешно отправлено!

ЗакрытьПовторить попытку