Каталог запасных частей к технике: ХТЗ Т-150К. Поршень с шатуном 60-03001.10

zoom-in zoom-out enlarge shrink circle-right circle-left file-text2 info cart arraw right arraw left zoom out zoom in arraw maximize arraw minimize
1
1
1
2
2
3
3
3
3
3
3
4
5
5
6
6
7
7
8
8
9
9
10
10
11
12
12
13
13
14
15
16
17
18
19
20
20
20
1
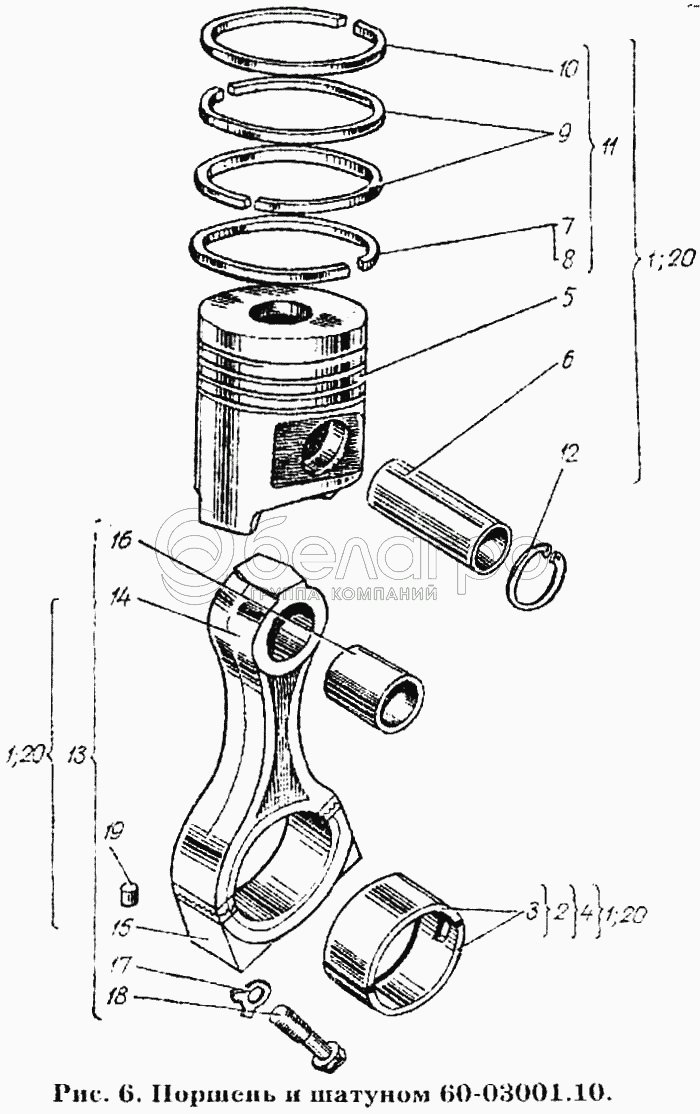
60-03001.10
Поршень с шатуном для правого ряда цилиндров
В узле: 3
2
60-03004.10
Вкладыши шатуна
В узле: 3
2
60-03004.10
Вкладыши шатуна
В узле: 3
3
А23.01-9103 (60-03108.10) Н1
Вкладыш шатуна
В узле: 2
3
А23.01-9103 (60-03108.10) Н2
Вкладыш шатуна
В узле: 2
3
А23.01-9103 (60-03108.10) Р1
Вкладыш шатуна
В узле: 2
3
А23.01-9103 (60-03108.10) Р2
Вкладыш шатуна
В узле: 2
3
А23.01-9103 (60-03108.10) Р3
Вкладыш шатуна
В узле: 2
3
А23.01-9103 (60-03108.10) Р4
Вкладыш шатуна
В узле: 2
4
60-03005.00
Комплект шатунных вкладышей
В узле: 1
5
60-03105.30
Поршень
В узле: 1
5
60-03105.30
Поршень
В узле: 1
6
60-03106.00
Палец поршневой
В узле: 1
6
60-03106.00
Палец поршневой
В узле: 1
7
А27.00039 (60-03109.01)
Кольцо маслосъемное коробчатое
В узле: 1
7
А27.00039 (60-03109.01)
Кольцо маслосъемное коробчатое
В узле: 1
8
А27.07004 (60-03111.01)
Расширитель радиальный маслосъемного кольца
В узле: 1
8
А27.07004 (60-03111.01)
Расширитель радиальный маслосъемного кольца
В узле: 1
9
А27.00017 (236-1004032)
Кольцо компрессионное трапецеидальное верхнее
В узле: 2
9
А27.00017 (236-1004032)
Кольцо компрессионное трапецеидальное верхнее
В узле: 2
10
А27.00001 (236-10040.30)
Кольцо компрессионное трапецеидальное нижнее
В узле: 1
10
А27.00001 (236-10040.30)
Кольцо компрессионное трапецеидальное нижнее
В узле: 1
11
60-03006.01
Комплект поршневых колец на один поршень
В узле: 6
12
60-03107.00
Кольцо Б45 ГОСТ 3943-68
В узле: 2
12
60-03107.00
Кольцо Б45 ГОСТ 3943-68
В узле: 2
13
60-03002.00
Шатун
В узле: 1
13
60-03002.00
Шатун
В узле: 1
14
60-03101.00
Шатун
В узле: 1
15
60-03102.00
Крышка шатуна
В узле: 1
16
60-03104.00
Втулка шатуна
В узле: 1
17
60-0311001
Шайба замковая
В узле: 2
18
А20.00002
Болт шатунный
В узле: 2
19
Штифт 6Пр2/2ах12 ГОСТ 3128-70
Штифт 6Пр2/2ах12 ГОСТ 3128-70
В узле: 1
20
60-03003.00
Поршень с шатуном для левого ряда цилиндров
В узле: 3
Содержащиеся в справочниках-каталогах запасные части и детали не предлагаются к продаже, а носят исключительно информационный характер

Ваша заявка была отправлена. В ближайшее время наши специалисты с Вами свяжутся по указанному Вами телефону.

Представьтесь
Поле обязательно для заполнения
Ваш телефон
Введите правильный номер телефона
E-mail
Введите правильный e-mail
Тема
Тема
применяемость финансирование доставка цена, наличие другое сервис и гарантия
Время для звонка
08:00
08:00 09:00 10:00 11:00 12:00 13:00 14:00 15:00 16:00 17:00 18:00 19:00
19:00
08:00 09:00 10:00 11:00 12:00 13:00 14:00 15:00 16:00 17:00 18:00 19:00

Мы постараемся перезвонить в указанное время

Если вы не хотите ждать, то звоните нашим вежливым консультантам:

8 800 100-2-700
Подтвердите, что вы не робот
Подтвердите, что вы не робот
Спасибо!

Ваше сообщение успешно отправлено!

ЗакрытьПовторить попытку