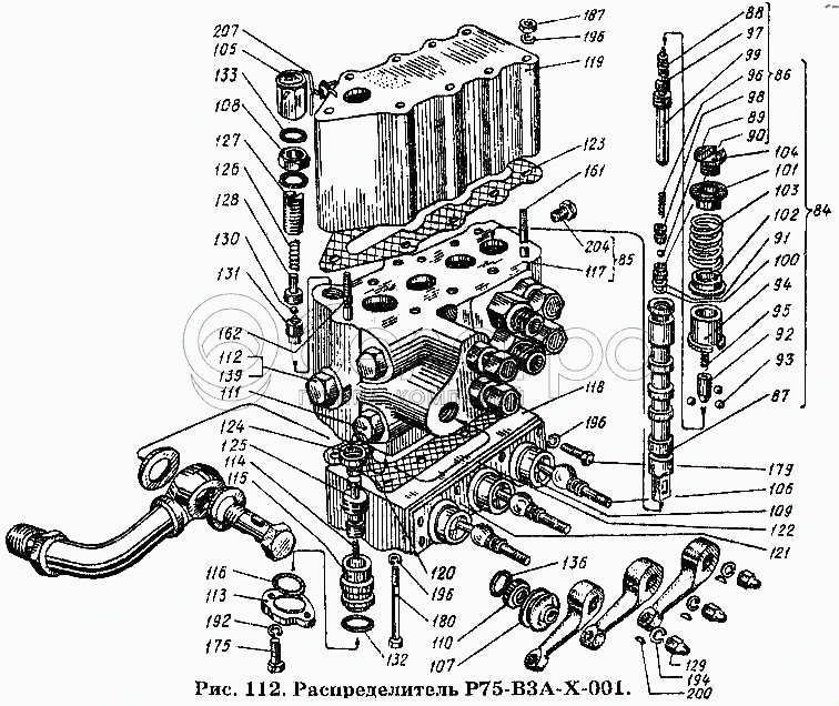
Каталог запасных частей к технике: ХТЗ Т-150К. Распределитель Р76-В3А-Х 001

zoom-in zoom-out enlarge shrink circle-right circle-left file-text2 info cart arraw right arraw left zoom out zoom in arraw maximize arraw minimize
84
85
86
87
88
89
90
91
92
93
94
95
96
97
98
99
100
101
102
103
104
105
106
107
108
109
110
111
112
113
114
115
116
117
118
119
120
121
122
123
124
125
126
127
128
129
130
131
132
133
136
139
161
162
175
175
175
179
180
187
192
192
194
196
196
196
200
204
207
151.57.001-1
Установка гидравлической системы
В узле: 1
83
Р75-В3А-Х-001
Распределитель в сборе
В узле: 1
84
Р75-В3А-003
Золотник в сборе
В узле: 3
85
Р75-В3А-004
Корпус распределителя в сборе
В узле: 1
86
Р75-В-006А
Гильза золотника в сборе
В узле: 3
87
Р75-В-024В
Золотник
В узле: 3
88
Р75-В-025А
Бустер
В узле: 3
89
Р75-В-026
Клапан бустера
В узле: 3
90
Р75-В-027А
Гнездо клапана бустера
В узле: 3
91
Р75-В-028А
Прокладка
В узле: 3
92
Р75-В-029
Втулка фиксаторная
В узле: 3
93
Р75-В-030
Фиксатор
В узле: 9
94
Р75-В-031
Обойма фиксатора
В узле: 3
95
Р75-В-032
Пружина фиксатора
В узле: 3
96
Р75-В-036
Пружина бустера
В узле: 3
97
Р75-В-044А
Винт регулировочный
В узле: 3
98
Р75-В-045
Направляющая клапана бустера
В узле: 3
99
Р75-В-046А
Гильза золотника
В узле: 3
100
Р75-В-052
Фильтр
В узле: 3
101
Р75-033
Стакан нижний
В узле: 3
102
Р75-034
Стакан верхний
В узле: 3
103
Р75-035
Пружина золотника
В узле: 3
104
Р75-037
Пробка золотника
В узле: 3
105
Р75-051-Б
Колпачок
В узле: 1
106
Р75-054Б
Рычаг
В узле: 3
107
Р75-056
Пальчик
В узле: 3
108
Р75-058-Б
Гайка
В узле: 1
109
Р75-064
Кольцо нижнее
В узле: 3
110
Р75-065
Кольцо верхнее
В узле: 3
111
Р75-066
Заглушка
В узле: 4
112
Р75-067
Заглушка
В узле: 1
113
Р75-071В
Упор
В узле: 1
114
Р75-072
Пружина перепускного клапана
В узле: 1
115
Р75-073-А
Направляющая клапана
В узле: 1
116
Р75-077
Кольцо У-35х30-2 ГОСТ 9833-61
В узле: 1
117
Р75-3-021
Корпус распределителя
В узле: 1
118
Р75-3-022-Б
Крышка верхняя
В узле: 1
119
Р75-3-023
Крышка нижняя
В узле: 1
120
Р75-3-038
Прокладка верхняя
В узле: 1
121
Р75-3-055-Б
Пластина пыльника
В узле: 1
122
Р75-3-057
Пластина колец
В узле: 1
123
Р40/75-0808039А
Прокладка нижняя
В узле: 1
124
Р40/75-0808040А
Гнездо клапана
В узле: 2
125
Р40/75-0808041Б
Клапан перепускной
В узле: 1
126
Р40/75-0808048-Б
Пружина предохранительного клапана
В узле: 1
127
Р40/75-0808049-А
Винт регулировочный
В узле: 1
128
Р40/75-0809059А
Направляющая предохранительного клапана
В узле: 1
129
Р40/75-0808061А
Колпачок рукоятки
В узле: 3
130
Р40/75-0808062
Клапан предохранительный
В узле: 1
131
Р40/75-0808063А
Гнездо предохранительного клапана
В узле: 1
132
НШ10-0101031
Кольцо уплотнительное
В узле: 1
133
НШ10-0101034
Кольцо уплотнительное
В узле: 6
136
НШ46-0505037
Кольцо уплотнительное
В узле: 3
139
НШ46-0505046
Кольцо уплотнительное
В узле: 1
161
ШМ8х114
Шпилька М8х114
В узле: 6
162
ШМ8х123
Шпилька М8х123
В узле: 3
175
Болт М10-6gх25.66 ГОСТ 7796-70
Болт М10-6gх25.66 ГОСТ 7796-70
В узле: 12
175
Болт М10-6gх25.66 ГОСТ 7796-70
Болт М10-6gх25.66 ГОСТ 7796-70
В узле: 12
175
Болт М10-6gх25.66 ГОСТ 7796-70
Болт М10-6gх25.66 ГОСТ 7796-70
В узле: 12
179
Болт М8х20 кл.2-050 ГОСТ 7796-70
Болт М8х20 кл.2-050 ГОСТ 7796-70
В узле: 8
180
Болт М8х55 кл.2-050 ГОСТ 7795-70
Болт М8х55 кл.2-050 ГОСТ 7795-70
В узле: 8
187
Гайка М8 кл.2 ГОСТ 5927-62
Гайка М8 кл.2 ГОСТ 5927-62
В узле: 9
192
Шайба 10.65Г.05 ГОСТ 6402-70
Шайба 10.65Г.05 ГОСТ 6402-70
В узле: 15
192
Шайба 10.65Г.05 ГОСТ 6402-70
Шайба 10.65Г.05 ГОСТ 6402-70
В узле: 15
194
Шайба 12.65Г.05 ГОСТ 6402-70
Шайба 12.65Г.05 ГОСТ 6402-70
В узле: 3
196
Шайба 8Т.65Г.05 ГОСТ 6402-70
Шайба 8Т.65Г.05 ГОСТ 6402-70
В узле: 25
200
Шпонка сегментная 3х6,5 ГОСТ 8795-68
Шпонка сегментная 3х6,5 ГОСТ 8795-68
В узле: 3
204
Пробка КГ3/8" ГОСТ 12720-67
Пробка КГ3/8" ГОСТ 12720-67
В узле: 1
207
08-1,0
Проволока L=100
В узле: 1
Содержащиеся в справочниках-каталогах запасные части и детали не предлагаются к продаже, а носят исключительно информационный характер

Ваша заявка была отправлена. В ближайшее время наши специалисты с Вами свяжутся по указанному Вами телефону.

Представьтесь
Поле обязательно для заполнения
Ваш телефон
Введите правильный номер телефона
E-mail
Введите правильный e-mail
Тема
Тема
применяемость финансирование доставка цена, наличие другое сервис и гарантия
Время для звонка
08:00
08:00 09:00 10:00 11:00 12:00 13:00 14:00 15:00 16:00 17:00 18:00 19:00
19:00
08:00 09:00 10:00 11:00 12:00 13:00 14:00 15:00 16:00 17:00 18:00 19:00

Мы постараемся перезвонить в указанное время

Если вы не хотите ждать, то звоните нашим вежливым консультантам:

8 800 100-2-700
Подтвердите, что вы не робот
Подтвердите, что вы не робот
Спасибо!

Ваше сообщение успешно отправлено!

ЗакрытьПовторить попытку