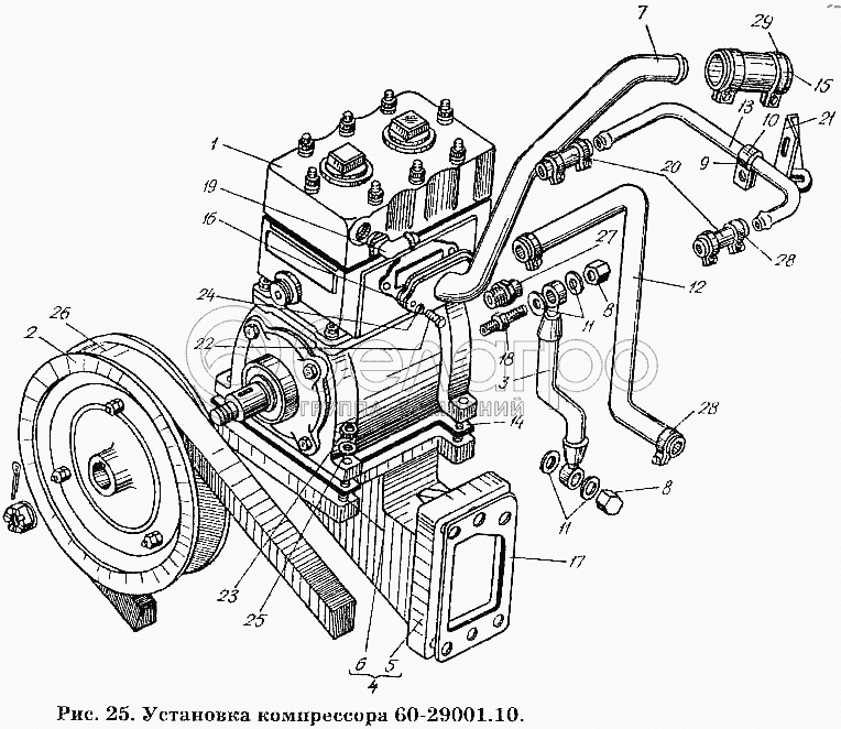
Каталог запасных частей к технике: ХТЗ Т-150К. Установка компрессора 60-29001.10

zoom-in zoom-out enlarge shrink circle-right circle-left file-text2 info cart arraw right arraw left zoom out zoom in arraw maximize arraw minimize
1
2
3
4
5
6
8
8
9
10
11
11
12
13
14
15
16
17
18
19
20
21
22
23
24
25
26
27
28
28
29
60-29001.10
Установка компрессора
В узле: 1
1
540-3509015
Компрессор
В узле: 1
2
60-29003.10
Шкив компрессора
В узле: 1
3
60-29004.10
Трубка подвода масла
В узле: 1
4
60-29009.00
Кронштейн компрессора
В узле: 1
5
60-29101.00
Кронштейн компрессора
В узле: 1
6
Шпилька БМ 10 кл. То/2х28 (15/20)х055 ГО
Шпилька БМ 10 кл. То/2х28 (15/20)х055 ГОСТ 11765-66
В узле: 4
7
60-29011.20
Трубка подвода воздуха нижняя
В узле: 1
8
60-13169.00
Гайка колпачковая
В узле: 2
9
14-1571
Прокладка
В узле: 1
10
60-15178.00
Хомут
В узле: 1
11
СДМ7-1591А
Прокладка поворотного угольника
В узле: 4
12
60-29105.30
Шланг подвода воды
В узле: 1
13
60-29106.10
Трубка отвода воды
В узле: 1
14
60-29108.00
Прокладка компрессора
В узле: 1
15
60-29112.00
Шланг соединительный
В узле: 1
16
60-29114.00
Прокладка
В узле: 1
17
60-29115.00
Прокладка кронштейна
В узле: 1
18
60-29133.10
Ниппель конечный
В узле: 1
19
Угольник конечный
Угольник конечный
В узле: 1
20
60-29135.00
Шланг соединительный
В узле: 2
21
60-29136.00
Кронштейн
В узле: 1
22
Болт М8.2х20.56 ГОСТ 7796-70
Болт М8.2х20.56 ГОСТ 7796-70
В узле: 2
23
Гайка М10.2.6.016 ГОСТ 2524-70
Гайка М10.2.6.016 ГОСТ 2524-70
В узле: 4
24
Шайба 8.65Г.05 ГОСТ 6402-70
Шайба 8.65Г.05 ГОСТ 6402-70
В узле: 4
25
Шайба 10.65Г.05 ГОСТ 6402-70
Шайба 10.65Г.05 ГОСТ 6402- 70
В узле: 4
26
Ремень II-16х11х1120 ГОСТ 5813-64
Ремень II-16х11х1120 ГОСТ 5813-64
В узле: 1
27
Н-6081А
Ниппель конечный (475313148)
В узле: 1
28
Н-66с1
Хомут
В узле: 6
29
А.23-02.160
Хомут
В узле: 2
Содержащиеся в справочниках-каталогах запасные части и детали не предлагаются к продаже, а носят исключительно информационный характер

Ваша заявка была отправлена. В ближайшее время наши специалисты с Вами свяжутся по указанному Вами телефону.

Представьтесь
Поле обязательно для заполнения
Ваш телефон
Введите правильный номер телефона
E-mail
Введите правильный e-mail
Тема
Тема
применяемость финансирование доставка цена, наличие другое сервис и гарантия
Время для звонка
08:00
08:00 09:00 10:00 11:00 12:00 13:00 14:00 15:00 16:00 17:00 18:00 19:00
19:00
08:00 09:00 10:00 11:00 12:00 13:00 14:00 15:00 16:00 17:00 18:00 19:00

Мы постараемся перезвонить в указанное время

Если вы не хотите ждать, то звоните нашим вежливым консультантам:

8 800 100-2-700
Подтвердите, что вы не робот
Подтвердите, что вы не робот
Спасибо!

Ваше сообщение успешно отправлено!

ЗакрытьПовторить попытку