Каталог запасных частей к технике: ХТЗ Т-150К (2004). Электрооборудование и приборы

zoom-in zoom-out enlarge shrink circle-right circle-left file-text2 info cart arraw right arraw left zoom out zoom in arraw maximize arraw minimize
151.48.001-3-02
151.48.001-3-01
151.48.001-3-06
1
1
1
1
1
1
2
3
4
5
5
6
7
8
9
10
10
11
11
12
13
13
13
14
15
16
17
18
19
20
21
21
22
22
23
24
25
26
27
28
29
30
31
32
33
34
35
36
37
38
39
40
41
41
41
41
41
42
43
44
45
46
47
48
49
50
50
50
50
50
51
51
52
52
52
52
53
54
54
55
55
56
57
57
57
58
59
59
60
61
61
61
62
63
63
64
65
66
67
68
69
70
71
72
73
74
75
76
77
78
79
80
81
81
81
81
81
81
81
81
151.48.001-3-02
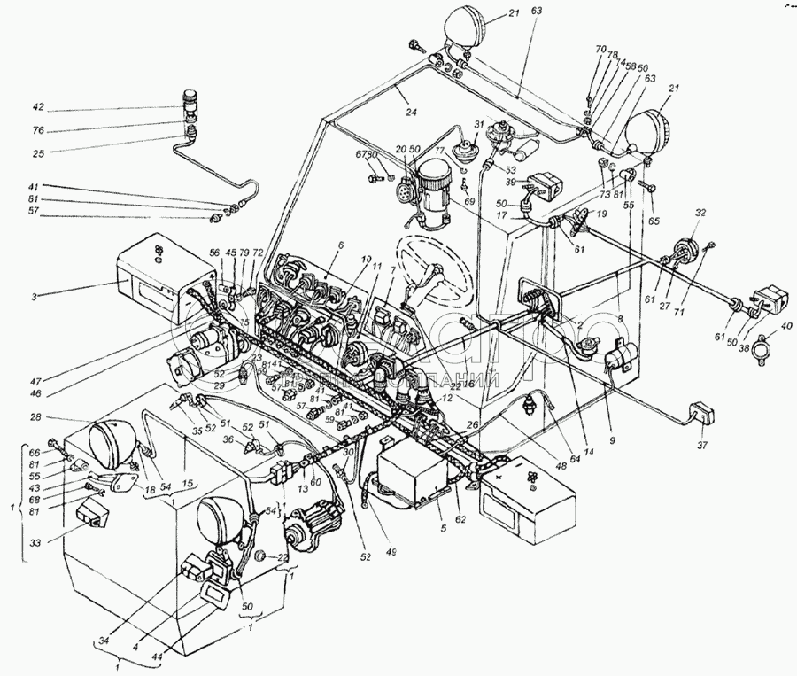
Электрооборудование и приборы
В узле: ---
151.48.001-3-01
Электрооборудование и приборы
В узле: ---
ММ111В-3810600
Датчик аварийного давления масла
В узле: 1
151.48.001-3-06
Электрооборудование и приборы
В узле: ---
1
151.48.011-1
Фары и фонари
В узле: 1
2
151.48.017-1
Кронштейн
В узле: 1
3
151.48.020
Контейнер с батареей
В узле: 2
4
151.48.045-1A
Кронштейн
В узле: 2
5
151.48.050-1-01
Преобразователь напряжения
В узле: 1
5
151.48.050-1-02
Преобразователь напряжения
В узле: 1
6
151.48.052-3
Панель
В узле: 1
7
151.48.053-01
Панель
В узле: 1
8
151.48.062-7
Жгут
В узле: 1
9
151.48.065-1A
Жгут
В узле: 1
10
151.48.076-13
Панель с приборами
В узле: 1
10
151.48.076-13-02
Панель с приборами
В узле: 1
11
151.48.078-02
Панель приборов
В узле: 1
11
151.48.078
Панель приборов
В узле: 1
12
151.48.082-23-01
Жгут
В узле: 1
13
151M.48.083-01
Жгут
В узле: 1
13
151K.48.083-06
Жгут
В узле: 1
13
173.48.083-01
Жгут
В узле: 1
14
151.48.084-2
Пучок проводов в сборе
В узле: 1
15
151.48.085-5
Жгут
В узле: 1
16
151.48.087-9A
Жгут
В узле: 1
17
151.48.088-3
Жгут
В узле: 1
18
02-6,3-02
Колодка гнездовая
В узле: 2
19
17.3723000
Панель
В узле: 1
20
20.3721-02
Звуковой сигнальный прибор
В узле: 2
21
30.3711-01
Фара
В узле: 2
22
125.48.040
Лента крепежная в сборе
В узле: 2
23
150.48.072-7
Патроны ламп
В узле: 1
24
150.48.089-13-02
Жгут
В узле: 1
25
150.48.097
Трубка индикатора
В узле: 1
26
156A.48.059
Жгут
В узле: 1
27
170.48.079
Провод
В узле: 1
28
312.3711010
Фара
В узле: 2
29
ММ106Б-3810600
Датчик аварийного давления масла
В узле: 1
30
MM111A-3810600
Датчик аварийного давления масла
В узле: 1
31
ПК201-314010А
Плафон
В узле: 1
32
ПС300А3-3723100
Розетка
В узле: 1
33
ПФ204-3712000
Фонарь тракторный передний правый ПФ204
В узле: 1
34
ПФ204-3712000Б
Фонарь передний левый
В узле: 1
35
ТМ100В-3808000
Датчик температуры воды
В узле: 1
36
ТМ103-3808000
Сигнализатор температуры воды
В узле: 1
37
ФП131-3717010
Фонарь номерного знака
В узле: 1
38
ФП209-3716000
Фонарь тракторный задний левый ФП209
В узле: 1
39
ФП209-3716000-Б
Фонарь тракторный задний правый ФП209Б
В узле: 1
40
ФП310Е-3731000
Световозвращатель
В узле: 2
41
ГПШ-М10
Гайка
В узле: 5
42
И3В-700
Индикатор засорённости воздухоочистителя
В узле: 1
43
151.48.126
Кронштейн
В узле: 2
44
151.48.150
Прокладка
В узле: 4
45
151.48.348
Скоба
В узле: 2
46
151.48.407-1
Провод
В узле: 1
47
15148408-1
Провод
В узле: 1
48
151М.48.463-3
Провод
В узле: 1
49
151.48.464
Провод
В узле: 1
50
5.24.242
Втулка стеклоочистителя
В узле: 7
51
748.202
Скоба
В узле: 2
52
8.50.184
Наконечник изоляционный
В узле: 2
53
14.48.243
Втулка изоляционная
В узле: 1
54
14.48.393
Втулка
В узле: 2
55
54.48.431-1
Чашка
В узле: 4
56
74.54.435
Труба резиновая
В узле: 4
57
125.64.290
Штуцер
В узле: 3
58
15048.190-1
Переходник
В узле: 1
59
15048.213-1
Штуцер манометра
В узле: 2
60
150.48.241
Скоба
В узле: 4
61
15048.250-05
Втулка
В узле: 3
62
150.48.409-1
Провод
В узле: 1
63
150М.48.426-01
Провод
В узле: 2
64
150М.48.466-2
Провод
В узле: 1
65
М10x55.7795
Болт
В узле: 2
66
М10x60.7795
Болт
В узле: 2
67
М8х16.7798
Болт
В узле: 1
68
М10х30.7798
Болт
В узле: 4
69
М4х8.17473
Винт
В узле: 3
70
М5х12.17473
Винт
В узле: 1
71
М5х35.17473
Винт
В узле: 3
72
М6х16.17473
Винт
В узле: 2
73
М10.5915
Гайка
В узле: 2
74
М5.5927
Гайка
В узле: 1
75
М6.5927
Гайка
В узле: 2
76
М16х1,5.5929
Гайка
В узле: 1
77
465Г.6402
Шайба
В узле: 3
78
565Г.6402
Шайба
В узле: 1
79
665Г.6402
Шайба
В узле: 2
80
865Г.6402
Шайба
В узле: 1
81
1065Г.6402
Шайба
В узле: 13
Содержащиеся в справочниках-каталогах запасные части и детали не предлагаются к продаже, а носят исключительно информационный характер

Ваша заявка была отправлена. В ближайшее время наши специалисты с Вами свяжутся по указанному Вами телефону.

Представьтесь
Поле обязательно для заполнения
Ваш телефон
Введите правильный номер телефона
E-mail
Введите правильный e-mail
Тема
Тема
применяемость финансирование доставка цена, наличие другое сервис и гарантия
Время для звонка
08:00
08:00 09:00 10:00 11:00 12:00 13:00 14:00 15:00 16:00 17:00 18:00 19:00
19:00
08:00 09:00 10:00 11:00 12:00 13:00 14:00 15:00 16:00 17:00 18:00 19:00

Мы постараемся перезвонить в указанное время

Если вы не хотите ждать, то звоните нашим вежливым консультантам:

8 800 100-2-700
Подтвердите, что вы не робот
Подтвердите, что вы не робот
Спасибо!

Ваше сообщение успешно отправлено!

ЗакрытьПовторить попытку