Каталог запасных частей к технике: ХТЗ Т-150К (2004). Гидросистема навесного устройства

zoom-in zoom-out enlarge shrink circle-right circle-left file-text2 info cart arraw right arraw left zoom out zoom in arraw maximize arraw minimize
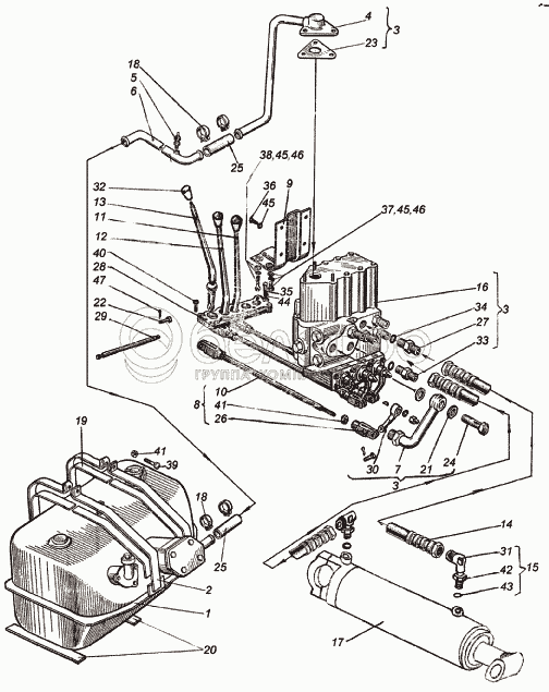
151.57.001-3
1
2
3
3
3
4
5
6
7
8
9
10
11
12
13
14
15
16
17
18
18
19
20
21
22
23
24
25
25
26
27
28
29
30
31
32
33
34
35
36
37
38
39
40
41
41
42
43
44
45
45
45
46
46
47
151.57.001-3
Гидросистема навесного устройства
В узле: ---
1
151.57.032-8
Бак
В узле: 1
2
151.57.036-3
Лента
В узле: 4
3
151.57.041-1
Установка распределителя
В узле: 1
4
151.57.043
Труба
В узле: 1
5
151.57.052-2А
Индикатор
В узле: 1
6
151.57.057-3
Труба
В узле: 1
7
151.57.078-4
Труба
В узле: 1
8
150.53.020А
Тяга
В узле: 3
9
150.53.051А
Кронштейн распределителя
В узле: 1
10
150.53.052
Тяга
В узле: 3
11
150.53.054
Рычаг правый
В узле: 1
12
150.53.055
Рычаг средний
В узле: 1
13
150.53.056
Рычаг левый
В узле: 1
14
150.61.020-06
Рукав
В узле: 2
15
151.37.065
Угольник ввертной в сборе
В узле: 2
16
Р80-3/1-222Г
Распределитель
В узле: 1
17
У4564.230В.000-25
Гидроцилиндр
В узле: 1
18
ХСВА-35
Хомут
В узле: 4
19
151.57.147-1
Прокладка верхняя
В узле: 2
20
151.57.246
Прокладка
В узле: 2
21
14.54.105
Шайба
В узле: 2
22
54.20.405
Палец
В узле: 6
23
54.53.402
Прокладка
В узле: 1
24
74.54.422
Болт зажимной
В узле: 1
25
125.57.208
Шланг
В узле: 2
26
150.20.278
Вилка
В узле: 3
27
150.53.101
Штуцер удлиненный
В узле: 2
28
150.53.118-1
Корте
В узле: 1
29
150.53.121-1
Ось
В узле: 1
30
150.53.125
Рычаг
В узле: 3
31
151.37.550
Угольник
В узле: 2
32
А13.05.000
Рукоятка управления
В узле: 3
33
Н036.04.005
Штуцер
В узле: 4
34
НШ10-0101034
Кольцо уплотнительное
В узле: 6
35
М8х35.7796
Болт
В узле: 4
36
М10x20.7796
Болт
В узле: 4
37
М10x25.7796
Болт
В узле: 2
38
М10x60.7796
Болт
В узле: 2
39
М10x657796
Болт
В узле: 2
40
М6х8.1477
Винт
В узле: 1
41
М10.5915
Гайка
В узле: 5
42
М20.5915
Гайка
В узле: 2
43
018-022-25-2-2.9833
Кольцо
В узле: 2
44
865Г.6402
Шайба
В узле: 4
45
1065Г.6402
Шайба
В узле: 8
46
10.04.11371
Шайба
В узле: 4
47
3,2x20.397
Шплинт
В узле: 6
Содержащиеся в справочниках-каталогах запасные части и детали не предлагаются к продаже, а носят исключительно информационный характер

Ваша заявка была отправлена. В ближайшее время наши специалисты с Вами свяжутся по указанному Вами телефону.

Представьтесь
Поле обязательно для заполнения
Ваш телефон
Введите правильный номер телефона
E-mail
Введите правильный e-mail
Тема
Тема
применяемость финансирование доставка цена, наличие другое сервис и гарантия
Время для звонка
08:00
08:00 09:00 10:00 11:00 12:00 13:00 14:00 15:00 16:00 17:00 18:00 19:00
19:00
08:00 09:00 10:00 11:00 12:00 13:00 14:00 15:00 16:00 17:00 18:00 19:00

Мы постараемся перезвонить в указанное время

Если вы не хотите ждать, то звоните нашим вежливым консультантам:

8 800 100-2-700
Подтвердите, что вы не робот
Подтвердите, что вы не робот
Спасибо!

Ваше сообщение успешно отправлено!

ЗакрытьПовторить попытку