Каталог запасных частей к технике: ХТЗ Т-150К (2004). Гидросистема навесного устройства

zoom-in zoom-out enlarge shrink circle-right circle-left file-text2 info cart arraw right arraw left zoom out zoom in arraw maximize arraw minimize
1
2
2
3
3
4
5
6
7
8
9
10
11
12
13
14
15
16
17
18
19
20
21
22
23
24
25
26
26
27
28
29
29
30
30
30
31
32
33
34
35
36
36
37
37
38
38
39
40
41
42
42
42
42
42
43
44
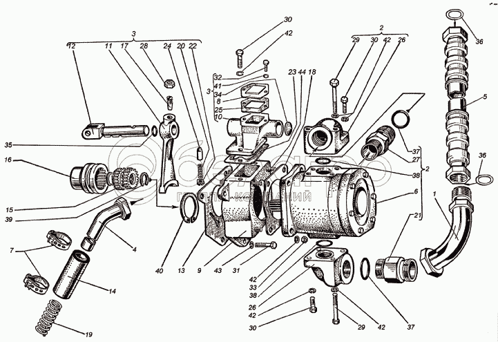
1
151.57.042-2
Труба
В узле: 1
2
151.57.053-1
Насос гидравлической системы в сборе
В узле: 1
3
151.57.064-4
Крышка корпуса в сборе
В узле: 1
4
151.57.074-5
Труба
В узле: 1
5
150.61.020-01
Шланг
В узле: 1
6
НШ50А-3-Л-00
Гидронасос
В узле: 1
7
XCBA-43
Хомут
В узле: 2
8
151.57.200
Крышка
В узле: 1
9
151.57.201-1
Корпус привода гидронасоса
В узле: 1
10
151.57.202-1
Крышка
В узле: 1
11
151.57.203-1
Вилка включения гидравлического насоса
В узле: 1
12
151.57.204-2
Валик
В узле: 1
13
151.57.206-1
Прокладка
В узле: 1
14
151.57.208-1
Шланг
В узле: 1
15
151.57.241-1
Втулка муфты
В узле: 1
16
151.57.242
Муфта подвижная
В узле: 1
17
151.57.253
Винт стопорный
В узле: 1
18
151.57.275
Прокладка
В узле: 1
19
151.57.382
Каркас
В узле: 1
20
5.10.312
Пружина фиксатора
В узле: 1
21
125.57.175
Штуцер
В узле: 1
22
125.57.205
Пробка
В узле: 1
23
125.57.207
Прокладка
В узле: 1
24
125.57.209
Фиксатор
В узле: 1
25
125.57.212-1
Прокладка
В узле: 1
26
150.53.137
Муфта
В узле: 2
27
150.53.138
Штуцер
В узле: 1
28
ГПШ-М10х1
Гайка
В узле: 1
29
M10x65.7795
Болт
В узле: 4
30
M10x25.7796
Болт
В узле: 6
31
М12х35.7796
Болт
В узле: 3
32
М6х12.7798
Болт
В узле: 2
33
М10.5915
Гайка
В узле: 4
34
26.3111
Заглушка
В узле: 1
35
014-018-25-2-2.9833
Кольцо
В узле: 1
36
017-020-19-2-2.9833
Кольцо
В узле: 2
37
035-040-30-2-2.9833
Кольцо
В узле: 2
38
036-042-36-2-2.9833
Кольцо
В узле: 2
39
1Б25.13940
Кольцо
В узле: 2
40
1Б72.13941
Кольцо
В узле: 1
41
665Г.6402
Шайба
В узле: 2
42
1065Г.6402
Шайба
В узле: 14
43
1265Г.6402
Шайба
В узле: 3
44
М10x30.22036
Шпилька
В узле: 4
Содержащиеся в справочниках-каталогах запасные части и детали не предлагаются к продаже, а носят исключительно информационный характер

Ваша заявка была отправлена. В ближайшее время наши специалисты с Вами свяжутся по указанному Вами телефону.

Представьтесь
Поле обязательно для заполнения
Ваш телефон
Введите правильный номер телефона
E-mail
Введите правильный e-mail
Тема
Тема
применяемость финансирование доставка цена, наличие другое сервис и гарантия
Время для звонка
08:00
08:00 09:00 10:00 11:00 12:00 13:00 14:00 15:00 16:00 17:00 18:00 19:00
19:00
08:00 09:00 10:00 11:00 12:00 13:00 14:00 15:00 16:00 17:00 18:00 19:00

Мы постараемся перезвонить в указанное время

Если вы не хотите ждать, то звоните нашим вежливым консультантам:

8 800 100-2-700
Подтвердите, что вы не робот
Подтвердите, что вы не робот
Спасибо!

Ваше сообщение успешно отправлено!

ЗакрытьПовторить попытку