Каталог запасных частей к технике: ХТЗ Т-150К (2004). Кабина

zoom-in zoom-out enlarge shrink circle-right circle-left file-text2 info cart arraw right arraw left zoom out zoom in arraw maximize arraw minimize
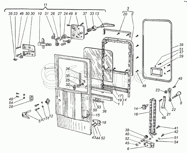
1
2
3
4
5
6
7
8
9
10
11
12
13
14
15
16
17
18
19
20
21
22
23
23
24
25
26
27
28
29
30
31
32
33
34
35
35
36
37
38
39
40
41
42
43
44
45
46
46
47
47
48
49
49
49
50
51
51
51
52
52
53
54
54
55
1
150.45.014-1
Панель двери в сборе
В узле: 2
2
150.45.016-1
Рамка двери
В узле: 2
3
150.45.018-1
Рамка двери
В узле: 2
4
150.45.020-1
Кронштейн стекла двери
В узле: 2
5
150.45.032-1
Ручка
В узле: 2
6
150.45.038
Кронштейн натяжного ролика в сборе
В узле: 2
7
150.45.047
Кронштейн окна левый в сборе
В узле: 2
8
150.45.060
Фиксатор
В узле: 2
9
150.45.062-1
Корпус замка в сборе
В узле: 2
10
150.45.059-1
Шток
В узле: 2
11
150.45.070-1Б
Замок
В узле: 2
12
150.45.077-1
Фланец
В узле: 2
13
150.45.087
Ручка замка внутренняя в сборе
В узле: 2
14
150.45.089-1
Звездочка
В узле: 2
15
150.45.094
Усилитель петли двери
В узле: 2
16
150.45.095-1
Цепь
В узле: 2
17
150.45.141Б
Стекло
В узле: 2
18
150.45.184-1А
Петля
В узле: 4
19
150.45.189
Прокладка опускного стекла
В узле: 2
20
150.45.192-2
Желобок
В узле: 2
21
150.45.260
Пружина
В узле: 2
22
150.45.262
Ручка стеклоподъемника
В узле: 2
23
150.45.264
Шайба специальная
В узле: 4
24
150.45.271-1
Пружина замка
В узле: 2
25
150.45.278
Планка штока
В узле: 2
26
150.45.280
Скоба стопорная
В узле: 4
27
150.45.293-1
Пружина
В узле: 2
28
150.45.315
Направляющий шип двери
В узле: 2
29
150.45.319
Крышка люка
В узле: 2
30
150.45.339
Крышка замка
В узле: 2
31
150.45.340-1
Кулачок
В узле: 4
32
150.45.350
Пластина крепления ручки двери
В узле: 2
33
150.45.369
Колпачок
В узле: 2
34
150.45.376
Пружина
В узле: 2
35
150.45.404
Шплинт пружинный
В узле: 4
36
150.45.443
Палец
В узле: 2
37
125.40.145
Пружина сигнала
В узле: 2
38
125.45.144
Ролик
В узле: 2
39
125.45.208-1
Уплотнитель фланца двери
В узле: 2
40
125.45.504
Втулка распорная
В узле: 2
41
М8х35.7796
Болт
В узле: 2
42
М6х16.7798
Болт
В узле: 8
43
М8х20.7798
Болт
В узле: 10
44
3М8х35.7798
Болт
В узле: 2
45
М8.5915
Гайка
В узле: 2
46
М4х8.17473
Винт
В узле: 8
47
М6х12.17473
Винт
В узле: 8
48
М6х18.17473
Винт
В узле: 4
49
М6х12.17475
Винт
В узле: 32
50
465Г.6402
Шайба
В узле: 6
51
665Г.6402
Шайба
В узле: 16
52
865Г.6402
Шайба
В узле: 14
53
5.04.11371
Шайба
В узле: 2
54
6.04.11371
Шайба
В узле: 8
55
1,6x12.397
Шплинт
В узле: 2
Содержащиеся в справочниках-каталогах запасные части и детали не предлагаются к продаже, а носят исключительно информационный характер

Ваша заявка была отправлена. В ближайшее время наши специалисты с Вами свяжутся по указанному Вами телефону.

Представьтесь
Поле обязательно для заполнения
Ваш телефон
Введите правильный номер телефона
E-mail
Введите правильный e-mail
Тема
Тема
применяемость финансирование доставка цена, наличие другое сервис и гарантия
Время для звонка
08:00
08:00 09:00 10:00 11:00 12:00 13:00 14:00 15:00 16:00 17:00 18:00 19:00
19:00
08:00 09:00 10:00 11:00 12:00 13:00 14:00 15:00 16:00 17:00 18:00 19:00

Мы постараемся перезвонить в указанное время

Если вы не хотите ждать, то звоните нашим вежливым консультантам:

8 800 100-2-700
Подтвердите, что вы не робот
Подтвердите, что вы не робот
Спасибо!

Ваше сообщение успешно отправлено!

ЗакрытьПовторить попытку