Каталог запасных частей к технике: ХТЗ Т-150К (2004). Коробка передач

zoom-in zoom-out enlarge shrink circle-right circle-left file-text2 info cart arraw right arraw left zoom out zoom in arraw maximize arraw minimize
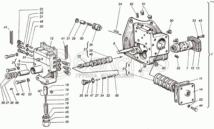
1
2
2
3
5
6
7
8
9
10
11
12
13
14
15
16
17
18
19
20
21
22
23
24
25
26
27
28
29
30
31
32
33
34
35
36
37
38
39
40
40
41
41
42
43
44
45
46
47
48
49
50
50
51
51
52
52
52
53
53
53
54
55
56
1
150.37.025-1
Распределитель правый
В узле: 1
2
150.37.027-1
Корпус правый
В узле: 1
3
150.37.029-1
Крышка боковая со втулкой в сборе
В узле: 1
4
150.37.053-1А
Крышка боковая в сборе
В узле: 1
5
150.37.144-2
Корпус правый
В узле: 1
6
150.37.146
Втулка
В узле: 1
7
150.37.147-1
Золотник
В узле: 1
8
150.37.148
Сектор
В узле: 1
9
150.37.246-1А
Крышка боковая
В узле: 1
10
150.37.247
Втулка сектора
В узле: 1
11
150.37.252
Прокладка
В узле: 1
12
150.37.253-1
Прокладка
В узле: 1
13
150.37.257
Крышка
В узле: 1
14
150.37.308-3А
Крышка
В узле: 1
15
150.37.310
Прокладка
В узле: 1
16
150.37.311
Ролик
В узле: 1
17
150.37.312
Ось ролика
В узле: 1
18
150.37.313
Направляющая фиксатора
В узле: 1
19
150.37.314-1
Пробка фиксатора
В узле: 1
20
150.37.316
Клапан перебросный
В узле: 3
21
150.37.371
Пробка-ограничитель большая
В узле: 2
22
150.37.372
Пробка-ограничитель малая
В узле: 2
23
150.37.373-2
Пробка золотника малого
В узле: 2
24
150.37.429-1
Штифт
В узле: 1
25
150.37.442
Пружина фиксатора
В узле: 1
26
150.37.603-1
Втулка
В узле: 1
27
150.37.604
Упор
В узле: 1
28
150.37.605
Втулка
В узле: 1
29
150.37.606
Клапан
В узле: 1
30
150.37.607
Пружина
В узле: 1
31
150.37.608-1
Кольцо
В узле: 1
32
150.37.609
Пружина
В узле: 1
33
150.37.610
Золотник
В узле: 1
34
150.37.611
Пружина
В узле: 1
35
150.37.613-1
Пробка
В узле: 1
36
8.12.129
Обойма кольца
В узле: 1
37
8.12.130
Кольцо войлочное
В узле: 1
38
8.47.160
Шайба
В узле: 1
39
125.57.154
Гайка
В узле: 1
40
А06-14
Шайба
В узле: 2
41
ПЖ-1,6х150
Проволока
В узле: 2
42
М10x45.7795
Болт
В узле: 6
43
М10x20,7796
Болт
В узле: 4
44
М10x30,7796
Болт
В узле: 4
45
М20х1,5.2526
Гайка
В узле: 1
46
012-016-25-2-2,9833
Кольцо
В узле: 6
47
013-017-25-2-2,9833
Кольцо
В узле: 1
48
018-022-25-2-2,9833
Кольцо
В узле: 1
49
1.2-16x30-1.8752
Манжета
В узле: 1
50
"КГ1/8"""
Пробка
В узле: 3
51
"КГ1/4"""
Пробка
В узле: 3
52
"4-КГ1/8"""
Пробка
В узле: 3
53
1065Г6402
Шайба
В узле: 14
54
4.04.11371
Шайба
В узле: 1
55
Б7,938-100.3722
Шарик
В узле: 1
56
4x6,5.24071
Шпонка
В узле: 1
Содержащиеся в справочниках-каталогах запасные части и детали не предлагаются к продаже, а носят исключительно информационный характер

Ваша заявка была отправлена. В ближайшее время наши специалисты с Вами свяжутся по указанному Вами телефону.

Представьтесь
Поле обязательно для заполнения
Ваш телефон
Введите правильный номер телефона
E-mail
Введите правильный e-mail
Тема
Тема
применяемость финансирование доставка цена, наличие другое сервис и гарантия
Время для звонка
08:00
08:00 09:00 10:00 11:00 12:00 13:00 14:00 15:00 16:00 17:00 18:00 19:00
19:00
08:00 09:00 10:00 11:00 12:00 13:00 14:00 15:00 16:00 17:00 18:00 19:00

Мы постараемся перезвонить в указанное время

Если вы не хотите ждать, то звоните нашим вежливым консультантам:

8 800 100-2-700
Подтвердите, что вы не робот
Подтвердите, что вы не робот
Спасибо!

Ваше сообщение успешно отправлено!

ЗакрытьПовторить попытку