Каталог запасных частей к технике: ХТЗ Т-150К (2004). Оборудование кабины

zoom-in zoom-out enlarge shrink circle-right circle-left file-text2 info cart arraw right arraw left zoom out zoom in arraw maximize arraw minimize
151.69.001-1
1
2
3
4
5
6
7
8
9
10
11
12
13
14
15
16
17
18
19
20
21
22
22
22
22
23
23
24
25
26
27
28
29
30
31
32
33
34
35
36
37
38
39
40
40
40
41
41
41
41
41
42
43
43
44
44
44
45
45
46
46
47
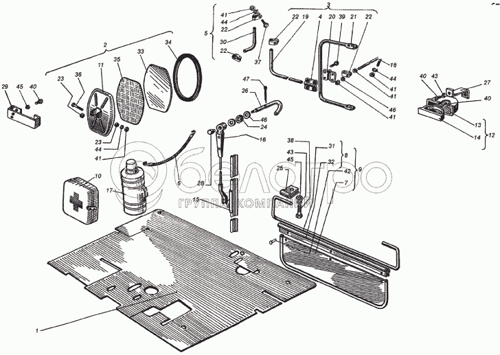
151.69.001-1
Оборудование кабины
В узле: 1
1
151.69.010
Коврик
В узле: 1
2
151.69.012
Зеркало наружное
В узле: 2
3
151.69.015
Держатель
В узле: 2
4
151.69.016
Накладка
В узле: 2
5
150.69.013
Держатель
В узле: 2
6
150.69.017
Шнур резиновый
В узле: 1
7
150.69.044
Козырек
В узле: 1
8
150.69.045
Обойма козырька с осью
В узле: 1
9
150.69.046
Козырек противосолнечный
В узле: 1
10
411.00.00.00
Футляр аптечки
В узле: 1
11
452Д-8201022
Корпус наружного зеркала с кронштейном
В узле: 2
12
A30.08.030
Пепельница
В узле: 1
13
A30.08.031
Гнездо
В узле: 1
14
А30.08.035
Коробка
В узле: 1
15
СЛ1/1-У3.9
Щетка
В узле: 1
16
СЛ12-5205500
Рычаг
В узле: 1
17
ТМ6-3
Термос
В узле: 1
18
151.69.110
Распорка
В узле: 2
19
151.69.111
Удлинитель
В узле: 2
20
151.69.112
Накладка
В узле: 2
21
151.69.113
Держатель
В узле: 2
22
151.69.190
Кронштейн
В узле: 2
23
151.69.191
Втулка
В узле: 2
24
17-004В
Сальник
В узле: 1
25
74.45.441-1
Планка
В узле: 2
26
125.69.114
Ручка стеклоочистителя
В узле: 1
27
150.69.124
Скоба
В узле: 1
28
150.69.162
Гайка
В узле: 1
29
150.69.167
Скоба
В узле: 1
30
150.69.169
Держатель
В узле: 1
31
150.69.172
Ось козырька
В узле: 1
32
150.69.173
Обойма козырька
В узле: 1
33
452Д-8201017
Зеркало наружное
В узле: 2
34
452Д-8201019
Ободок наружного зеркала
В узле: 2
35
452Д-8201057
Прокладка наружного зеркала
В узле: 2
36
М8х55.7795
Болт
В узле: 1
37
М8х30.7795
Болт
В узле: 2
38
М6х16.7798
Болт
В узле: 2
39
М6х20.7798
Болт
В узле: 8
40
М6х12.17473
Винт
В узле: 3
41
М8.5915
Гайка
В узле: 9
42
2-4x8.12642
Заклёпка
В узле: 3
43
665Г.6402
Шайба
В узле: 3
44
865Г.6402
Шайба
В узле: 6
45
6.04.11371
Шайба
В узле: 2
46
8.04.11371
Шайба
В узле: 2
47
3,2x12.397
Шплинт
В узле: 1
Содержащиеся в справочниках-каталогах запасные части и детали не предлагаются к продаже, а носят исключительно информационный характер

Ваша заявка была отправлена. В ближайшее время наши специалисты с Вами свяжутся по указанному Вами телефону.

Представьтесь
Поле обязательно для заполнения
Ваш телефон
Введите правильный номер телефона
E-mail
Введите правильный e-mail
Тема
Тема
применяемость финансирование доставка цена, наличие другое сервис и гарантия
Время для звонка
08:00
08:00 09:00 10:00 11:00 12:00 13:00 14:00 15:00 16:00 17:00 18:00 19:00
19:00
08:00 09:00 10:00 11:00 12:00 13:00 14:00 15:00 16:00 17:00 18:00 19:00

Мы постараемся перезвонить в указанное время

Если вы не хотите ждать, то звоните нашим вежливым консультантам:

8 800 100-2-700
Подтвердите, что вы не робот
Подтвердите, что вы не робот
Спасибо!

Ваше сообщение успешно отправлено!

ЗакрытьПовторить попытку