Каталог запасных частей к технике: ХТЗ Т-150К (2004). Пневмосистема

zoom-in zoom-out enlarge shrink circle-right circle-left file-text2 info cart arraw right arraw left zoom out zoom in arraw maximize arraw minimize
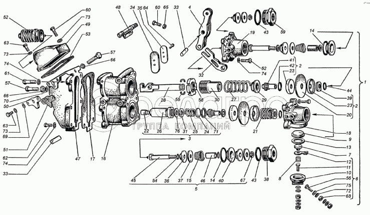
1
2
2
3
4
5
6
7
8
9
10
11
12
13
14
14
15
16
17
18
19
20
21
22
23
23
24
25
26
27
28
29
30
31
32
33
33
34
35
36
37
38
39
40
41
42
43
43
44
45
46
47
48
49
50
51
52
53
54
55
56
57
57
58
59
60
60
61
62
62
63
63
64
65
65
66
67
68
69
70
71
72
73
73
73
74
74
74
75
76
1
130-3514010-Б
Кран тормозной в сборе
В узле: 1
2
130-3514075-Б2
Диафрагма
В узле: 2
3
130-3514100-Б
Пружина уравновешивающая тормозного крана малая со стаканом в сборе
В узле: 1
4
130-3514140-Б
Рычаг тормозного крана в сборе
В узле: 1
5
130-3514210-А2
Клапан тормозного крана в сборе
В узле: 2
6
131-3720100
Колодка
В узле: 1
7
120-3720085
Основание контакта в сборе
В узле: 1
8
120-3720092
Пружина основания контакта
В узле: 1
9
120-3720095
Диафрагма включателя света стоп-сигнала
В узле: 1
10
120-3720102
Контактная колодка
В узле: 1
11
120-3720105
Болт контактный с контактом в сборе
В узле: 1
12
120-3720112-Б
Шина контактная
В узле: 1
13
120-3720116
Прокладка
В узле: 1
14
127-3514237-А
Прокладка
В узле: 2
15
127-3514238
Пружина клапана
В узле: 2
16
130-3514020-Б
Корпус тормозного крана
В узле: 1
17
130-3514023
Прокладка корпуса тормозного крана
В узле: 1
18
130-3514032-Б
Крышка тормозного крана нижняя
В узле: 1
19
130-3514033-Б
Крышка тормозного крана верхняя
В узле: 1
20
130-3514080
Диафрагма тормозного крана
В узле: 4
21
130-3514085
Пружина поддиафрагменная тормозного крана
В узле: 1
22
130-3514087
Пятка стакана тормозного крана
В узле: 1
23
130-3514091
Шайба диафрагмы тормозного крана
В узле: 4
24
130-3514096
Шайба опорная малой уравновешивающей пружины тормозного крана
В узле: 1
25
130-3514101-Б
Пружина уравновешивающая тормозного крана малая
В узле: 1
26
130-3514102-Б
Стакан малой уравновешивающей пружины тормозного крана
В узле: 1
27
130-3514104
Пружина уравновешивающая тормозного крана большая
В узле: 1
28
130-3514105
Шток тормозного крана
В узле: 1
29
130-3514107-А
Шайба опорная штока тормозного крана
В узле: 1
30
130-3514108-А
Направляющая штока тормозного крана
В узле: 1
31
130-3514115-Б
Прокладка регулировочная малой уравновешивающей пружины тормозного крана
В узле: 2
32
130-3514143-Б
Рычаг тормозного крана малый
В узле: 1
33
130-3514167
Ось рычага тормозного крана
В узле: 2
34
130-3514175
Уплотнитель выпускного отверстия тормозного крана
В узле: 1
35
130-3514176
Крышка выпускного отверстия тормозного крана
В узле: 1
36
130-3514211
Конус клапана тормозного крана
В узле: 4
37
130-3514213
Шайба клапана тормозного крана большая
В узле: 4
38
130-3514215-1
Пробка
В узле: 1
39
130-3514219
Гайка диафрагмы тормозного крана
В узле: 2
40
130-3514232
Седло клапана
В узле: 2
41
130-3514235-Б
Седло клапана тормозного крана выпускное
В узле: 2
42
130-3514236
Прокладка выпускного седла клапана тормозного крана
В узле: 2
43
130-3514237
Прокладка
В узле: 2
44
130-3514239
Кольцо уплотнительное седла клапана тормозного крана
В узле: 2
45
130-3514240-Б
Стержень
В узле: 2
46
130-3514243
Трубка стержня клапана тормозного крана
В узле: 2
47
130-3514251-А
Корпус
В узле: 1
48
130-3514255
Валик рычага ручного привода тормозного крана
В узле: 1
49
130-3514263-А2
Крышка
В узле: 1
50
130-3514265
Крышка валика ручного привода тормозного крана
В узле: 1
51
130-3514271
Прокладка
В узле: 1
52
130-3514275-А1
Чехол
В узле: 1
53
130-3514279
Прокладка корпуса рычагов тормозного крана
В узле: 1
54
130-3514285
Шайба клапана тормозного крана малая
В узле: 4
55
130-3514287
Полукольцо стопорное опорной шайбы штока тормозного крана
В узле: 2
56
164-3720111
Болт сигнала Стоп
В узле: 1
57
301294-П8
Болт
В узле: 2
58
303193-П8
Гайка
В узле: 1
59
А29.61.004
Пробка
В узле: 1
60
М6х30.7795
Болт
В узле: 3
61
М8х35.7795
Болт
В узле: 2
62
М8х25.7796
Болт
В узле: 12
63
М6х20.7798
Болт
В узле: 4
64
М5х12.17473
Винт
В узле: 2
65
М6.5915
Гайка
В узле: 1
66
М8.5915
Гайка
В узле: 2
67
М4.5927
Гайка
В узле: 2
68
М5.5927
Гайка
В узле: 4
69
16.3111
Заглушка
В узле: 1
70
012-016-25-1-3.9833
Кольцо
В узле: 1
71
В30.13943
Кольцо
В узле: 1
72
565Г.6402
Шайба
В узле: 2
73
665Г.6402
Шайба
В узле: 6
74
865Г.6402
Шайба
В узле: 14
75
5.01.11371
Шайба
В узле: 6
76
12x2.04.11371
Шайба
В узле: 24
Содержащиеся в справочниках-каталогах запасные части и детали не предлагаются к продаже, а носят исключительно информационный характер

Ваша заявка была отправлена. В ближайшее время наши специалисты с Вами свяжутся по указанному Вами телефону.

Представьтесь
Поле обязательно для заполнения
Ваш телефон
Введите правильный номер телефона
E-mail
Введите правильный e-mail
Тема
Тема
применяемость финансирование доставка цена, наличие другое сервис и гарантия
Время для звонка
08:00
08:00 09:00 10:00 11:00 12:00 13:00 14:00 15:00 16:00 17:00 18:00 19:00
19:00
08:00 09:00 10:00 11:00 12:00 13:00 14:00 15:00 16:00 17:00 18:00 19:00

Мы постараемся перезвонить в указанное время

Если вы не хотите ждать, то звоните нашим вежливым консультантам:

8 800 100-2-700
Подтвердите, что вы не робот
Подтвердите, что вы не робот
Спасибо!

Ваше сообщение успешно отправлено!

ЗакрытьПовторить попытку