Каталог запасных частей к технике: ХТЗ Т-151К-08. Гидросистема трансмиссии

zoom-in zoom-out enlarge shrink circle-right circle-left file-text2 info cart arraw right arraw left zoom out zoom in arraw maximize arraw minimize
151К.55.001
М10x30.7796
М10x40.7796
М12x25.7796
М12х30.7796
М8х20.7796
М8х20.7796
М10.5915
М10.5915
М10.5915
М10.5915
М10.5915
М10.5915
М12.5915
М12.5915
М12.5915
М12.5915
КГ 3/8"
КГ 1/2"
10.65Г.6402
10.65Г.6402
12.65Г.6402
12.65Г.6402
12.01.11371
8.65Г.6402
8.65Г.6402
16,669-40.3722
1
1
2
3
3
4
5
6
7
8
8
8
9
9
10
11
12
13
14
15
16
16
17
18
18
18
18
19
20
21
21
22
23
24
25
26
27
28
29
151К.55.001
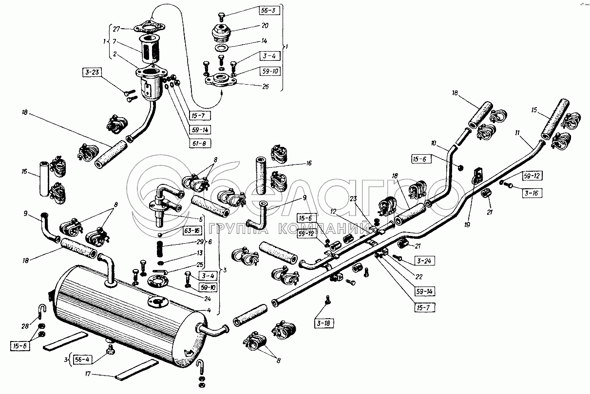
Гидросистема трансмиссии
В узле: ---
М10x30.7796
Болт
В узле: 194
М10x40.7796
Болт
В узле: 2
М12x25.7796
Болт
В узле: 25
М12х30.7796
Болт
В узле: 20
М8х20.7796
Болт
В узле: 100
М10.5915
Гайка
В узле: 220
М10.5915
Гайка
В узле: 220
М12.5915
Гайка
В узле: 49
М12.5915
Гайка
В узле: 49
КГ 3/8"
Пробка (L=21, H=5, S=19)
В узле: 18
КГ 1/2"
Пробка (L=25, H=5,5, S=22)
В узле: 4
10.65Г.6402
Шайба
В узле: 635
12.65Г.6402
Шайба
В узле: 170
12.01.11371
Шайба (d=13, d1=24, S=2,5)
В узле: 2
8.65Г.6402
Шайба
В узле: 564
16,669-40.3722
Шарик (d=16,669)
В узле: 1
1
151К.55.010
Фильтр
В узле: 1
2
151К.55.011
Корпус фильтра
В узле: 1
3
150.55.013-2
Бак в сборе
В узле: 1
4
150.55.023-2
Бак в сборе
В узле: 1
5
150.55.055
Корпус клапана в сборе
В узле: 1
6
150.55.056
Предохранительный клапан радиатора в сборе
В узле: 1
7
150.55.062
Фильтр заливной в сборе
В узле: 1
8
ХСВА-35
Хомут
В узле: 39
9
151К.55.114
Труба
В узле: 2
10
151М.55.140
Труба
В узле: 1
11
151.55.142-6
Труба
В узле: 1
12
151.55.143
Труба
В узле: 1
13
5.05.255
Шайба
В узле: 1
14
74.57.442
Прокладка пробки
В узле: 1
15
125.40.228
Шланг
В узле: 1
16
125.57.208
Шланг
В узле: 2
17
125.64.171
Прокладка
В узле: 2
18
150.55.149
Шланг
В узле: 7
19
150.55.156
Скоба
В узле: 1
20
150.55.177
Пробка
В узле: 1
21
150.55.189
Трубка резиновая
В узле: 5
22
150.55.190
Кронштейн
В узле: 2
23
150.55.191
Прижим
В узле: 2
24
150.55.220
Прокладка
В узле: 1
25
150.55.221
Проволока
В узле: 1
26
150.55.226А
Крышка
В узле: 1
27
150.55.233
Прокладка
В узле: 1
28
150.55.249
Крючок
В узле: 2
29
Д27121Б
Пружина регулятора
В узле: 1
Содержащиеся в справочниках-каталогах запасные части и детали не предлагаются к продаже, а носят исключительно информационный характер

Ваша заявка была отправлена. В ближайшее время наши специалисты с Вами свяжутся по указанному Вами телефону.

Представьтесь
Поле обязательно для заполнения
Ваш телефон
Введите правильный номер телефона
E-mail
Введите правильный e-mail
Тема
Тема
применяемость финансирование доставка цена, наличие другое сервис и гарантия
Время для звонка
08:00
08:00 09:00 10:00 11:00 12:00 13:00 14:00 15:00 16:00 17:00 18:00 19:00
19:00
08:00 09:00 10:00 11:00 12:00 13:00 14:00 15:00 16:00 17:00 18:00 19:00

Мы постараемся перезвонить в указанное время

Если вы не хотите ждать, то звоните нашим вежливым консультантам:

8 800 100-2-700
Подтвердите, что вы не робот
Подтвердите, что вы не робот
Спасибо!

Ваше сообщение успешно отправлено!

ЗакрытьПовторить попытку