Каталог запасных частей к технике: ХТЗ Т-151К-08. Муфта быстросоединяемая разрывная

zoom-in zoom-out enlarge shrink circle-right circle-left file-text2 info cart arraw right arraw left zoom out zoom in arraw maximize arraw minimize
Б37.13940
М10х50.7795
М12x25.7796
М10.5915
М10.5915
М12.5915
М12.5915
024-028-25-2-2.9833
024-028-25-2-2.9833
029-033-25-2-2.9833
151.61.001-9
10.65Г.6402
10.04.11371
10.04.11371
12.65Г.6402
12.04.11371
4,763-100.3722
5x45.12850
1
1
2
3
4
4
5
5
6
6
7
7
8
8
8
8
9
10
11
11
12
13
14
15
16
16
17
18
19
20
20
21
22
23
24
25
25
26
27
28
29
Б37.13940
Кольцо (d=34, b=5, S=1,7)
В узле: 4
М10х50.7795
Болт (d=10, l=50, L0=26, H=6, S=14)
В узле: 5
М12x25.7796
Болт
В узле: 25
М10.5915
Гайка
В узле: 220
М10.5915
Гайка
В узле: 220
М12.5915
Гайка
В узле: 49
М12.5915
Гайка
В узле: 49
024-028-25-2-2.9833
Кольцо
В узле: 8
029-033-25-2-2.9833
Кольцо
В узле: 8
151.61.001-9
Муфта быстросоединяемая разрывная
В узле: ---
10.65Г.6402
Шайба
В узле: 635
10.04.11371
Шайба
В узле: 74
12.65Г.6402
Шайба
В узле: 170
12.04.11371
Шайба
В узле: 26
4,763-100.3722
Шарик
В узле: 32
5x45.12850
Штифт (d=5, d1=5,35, L=45)
В узле: 8
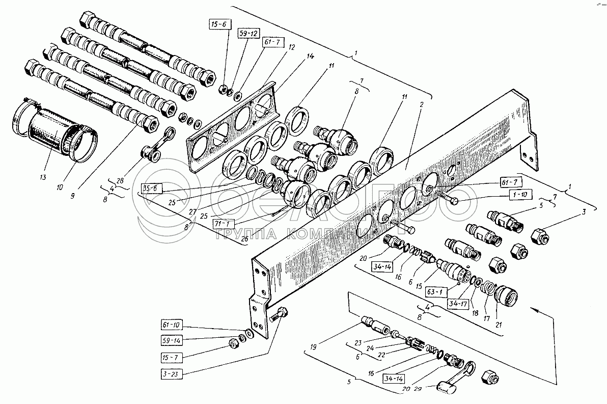
1
151.61.017-6А
Муфта быстросоединяемая разрывная
В узле: 1
2
151.61.018-4
Кронштейн
В узле: 1
3
Н.036.12.040
Заглушка в сборе
В узле: 4
4
Н.036.69.100-02
Полумуфта наружная
В узле: 4
5
Н.036.69.200-02
Полумуфта внутренняя
В узле: 4
6
Н.036.69.300
Клапан
В узле: 8
7
Н.036.72.000-02
Муфта быстросоединяемая разрывная
В узле: 4
8
Н.036.72.100
Полумуфта наружная
В узле: 4
9
Н.036.85.800
Рукав высокого давления
В узле: 4
10
ХС-100
Хомутик стяжной
В узле: 2
11
151.61.123
Втулка
В узле: 8
12
151.61.124
Крышка
В узле: 1
13
75.67.108
Шланг
В узле: 1
14
150.13.136
Втулка распорная
В узле: 4
15
Н.036.69.001
Корпус
В узле: 4
16
Н.036.69.004
Пружина
В узле: 8
17
Н.036.69.005
Пружина
В узле: 4
18
Н.036.69.007
Кольцо
В узле: 4
19
Н.036.69.008
Корпус
В узле: 4
20
Н.036.69.009
Штуцер
В узле: 8
21
Н.036.69.018
Фиксатор
В узле: 4
22
Н.036.69.301
Крестовина
В узле: 8
23
Н.036.69.302
Упор
В узле: 8
24
Н.036.69.303
Кольцо
В узле: 8
25
Н.036.72.101
Пружина
В узле: 8
26
Н.036.72.102
Шарнир
В узле: 4
27
Н.036.72.103
Кольцо
В узле: 4
28
Н.036.129.001-01
Заглушка
В узле: 4
29
Н.036.130.001-01
Заглушка
В узле: 4
Содержащиеся в справочниках-каталогах запасные части и детали не предлагаются к продаже, а носят исключительно информационный характер

Ваша заявка была отправлена. В ближайшее время наши специалисты с Вами свяжутся по указанному Вами телефону.

Представьтесь
Поле обязательно для заполнения
Ваш телефон
Введите правильный номер телефона
E-mail
Введите правильный e-mail
Тема
Тема
применяемость финансирование доставка цена, наличие другое сервис и гарантия
Время для звонка
08:00
08:00 09:00 10:00 11:00 12:00 13:00 14:00 15:00 16:00 17:00 18:00 19:00
19:00
08:00 09:00 10:00 11:00 12:00 13:00 14:00 15:00 16:00 17:00 18:00 19:00

Мы постараемся перезвонить в указанное время

Если вы не хотите ждать, то звоните нашим вежливым консультантам:

8 800 100-2-700
Подтвердите, что вы не робот
Подтвердите, что вы не робот
Спасибо!

Ваше сообщение успешно отправлено!

ЗакрытьПовторить попытку