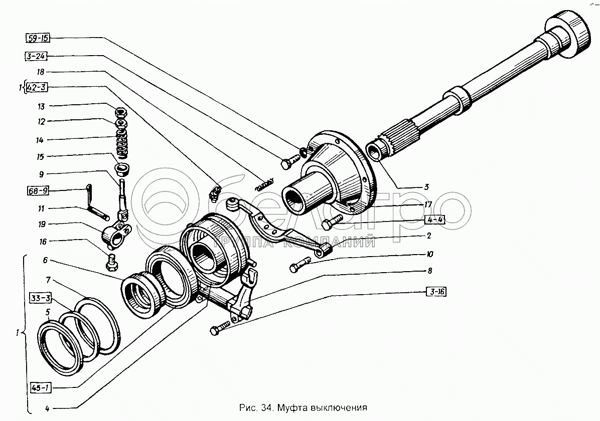
Каталог запасных частей к технике: ХТЗ Т-151К-08. Муфта главного сцепления. Муфта выключения

zoom-in zoom-out enlarge shrink circle-right circle-left file-text2 info cart arraw right arraw left zoom out zoom in arraw maximize arraw minimize
3,2x22.397
12Т.65Г.6402
46120.831
2.3.45.19853
СП-129-114-5.6308
3М12х30.7796
М12х30.7796
М10x30.7796
1
1
2
3
4
5
6
7
8
9
10
11
12
13
14
15
16
17
18
19
3,2x22.397
Шплинт (d=2,7, D=5,7, L=22)
В узле: 26
12Т.65Г.6402
Шайба (d=12,2, b=S=3,5)
В узле: 43
46120.831
Подшипник (d=100, D=150, L=24)
В узле: 1
2.3.45.19853
Масленка
В узле: 11
СП-129-114-5.6308
Кольцо (D=129, d=114, H5)
В узле: 1
3М12х30.7796
Болт (d=12, l=30, L0=30, H=8, S=17)
В узле: 1
М12х30.7796
Болт
В узле: 20
М10x30.7796
Болт
В узле: 194
1
60-21003.00
Корпус
В узле: 1
2
62А-21010.00
Колодка
В узле: 1
3
151.21.034-3
Вал главного сцепления в сборе
В узле: 1
4
60-21105.00
Корпус
В узле: 1
5
60-21106.10
Крышка
В узле: 1
6
60-21107.00
Упор
В узле: 1
7
60-21108.00
Кольцо
В узле: 1
8
01М-2126
Вилка выключения
В узле: 1
9
125.21.244
Серьга тормозка
В узле: 1
10
125.21.245
Болт тормозка
В узле: 1
11
125.21.246
Палец
В узле: 1
12
125.21.247
Седло пружины
В узле: 1
13
125.21.248
Гайка регулировочная
В узле: 1
14
125.21.249
Пружина тормозка
В узле: 1
15
125.21.250
Стакан пружины тормозка
В узле: 1
16
125.37.299
Болт стопорный
В узле: 1
17
150.21.222
Стакан выжимного подшипника
В узле: 1
18
150.21.330
Пружина
В узле: 2
19
150.21.243
Муфта серьги тормозка
В узле: 1
Содержащиеся в справочниках-каталогах запасные части и детали не предлагаются к продаже, а носят исключительно информационный характер

Ваша заявка была отправлена. В ближайшее время наши специалисты с Вами свяжутся по указанному Вами телефону.

Представьтесь
Поле обязательно для заполнения
Ваш телефон
Введите правильный номер телефона
E-mail
Введите правильный e-mail
Тема
Тема
применяемость финансирование доставка цена, наличие другое сервис и гарантия
Время для звонка
08:00
08:00 09:00 10:00 11:00 12:00 13:00 14:00 15:00 16:00 17:00 18:00 19:00
19:00
08:00 09:00 10:00 11:00 12:00 13:00 14:00 15:00 16:00 17:00 18:00 19:00

Мы постараемся перезвонить в указанное время

Если вы не хотите ждать, то звоните нашим вежливым консультантам:

8 800 100-2-700
Подтвердите, что вы не робот
Подтвердите, что вы не робот
Спасибо!

Ваше сообщение успешно отправлено!

ЗакрытьПовторить попытку