Каталог запасных частей к технике: ХТЗ Т-151К-08. Панель приборов

zoom-in zoom-out enlarge shrink circle-right circle-left file-text2 info cart arraw right arraw left zoom out zoom in arraw maximize arraw minimize
6.04.11371
6.04.11371
6.04.11371
6.65Г.6402
6.65Г.6402
6.65Г.6402
6.65Г.6402
М6х16.17473
М6х14.17473
М6х14.17475
М6х10.17473
М6х16.7798
1
1
1
1
1
2
2
2
2
2
3
4
5
6
7
8
9
10
11
12
13
14
15
16
17
18
6.04.11371
Шайба
В узле: 74
6.65Г.6402
Шайба
В узле: 274
М6х16.17473
Винт
В узле: 21
М6х14.17473
Винт
В узле: 2
М6х14.17475
Винт (d=6, l=14, L0=14, H=3, D=11)
В узле: 8
М6х10.17473
Винт
В узле: 16
М6х16.7798
Болт
В узле: 92
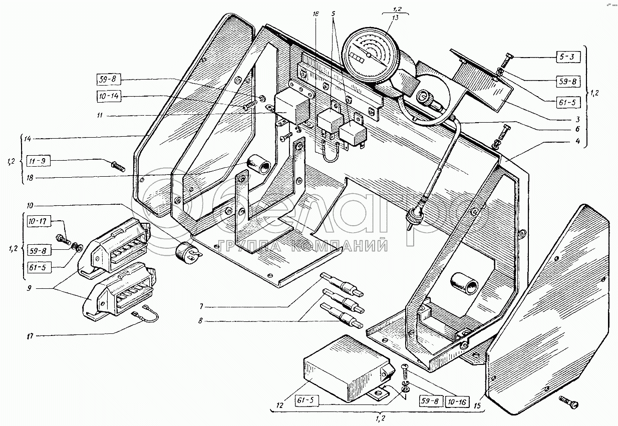
1
151К.48.026-1
Панель приборов
В узле: 1
2
151К.48.026-1-03
Панель приборов
В узле: 1
3
151К.48.044
Кронштейн
В узле: 1
4
151К.48.048
Панель приборов
В узле: 1
5
111.3747.010
Реле
В узле: 2
6
ГВ134Е-3802600
Вал гибкий
В узле: 1
7
ПР117-3722800-01
Предохранитель
В узле: 1
8
ПР119-3722000-01
Предохранитель
В узле: 2
9
ПР120-3722000
Блок предохранителей
В узле: 2
10
РС492-4803010
Прерыватель
В узле: 1
11
РС502-3721000
Реле стартера
В узле: 1
12
РС950П-3726010
Прерыватель
В узле: 1
13
ТХ133-3813000
Тахоспидометр
В узле: 1
14
151К.48.208
Боковина
В узле: 1
15
151К.48.208-01
Боковина
В узле: 1
16
151.48.469-01
Провод
В узле: 1
17
150М.48.450
Провод
В узле: 2
18
150.55.189
Трубка резиновая
В узле: 2
Содержащиеся в справочниках-каталогах запасные части и детали не предлагаются к продаже, а носят исключительно информационный характер

Ваша заявка была отправлена. В ближайшее время наши специалисты с Вами свяжутся по указанному Вами телефону.

Представьтесь
Поле обязательно для заполнения
Ваш телефон
Введите правильный номер телефона
E-mail
Введите правильный e-mail
Тема
Тема
применяемость финансирование доставка цена, наличие другое сервис и гарантия
Время для звонка
08:00
08:00 09:00 10:00 11:00 12:00 13:00 14:00 15:00 16:00 17:00 18:00 19:00
19:00
08:00 09:00 10:00 11:00 12:00 13:00 14:00 15:00 16:00 17:00 18:00 19:00

Мы постараемся перезвонить в указанное время

Если вы не хотите ждать, то звоните нашим вежливым консультантам:

8 800 100-2-700
Подтвердите, что вы не робот
Подтвердите, что вы не робот
Спасибо!

Ваше сообщение успешно отправлено!

ЗакрытьПовторить попытку