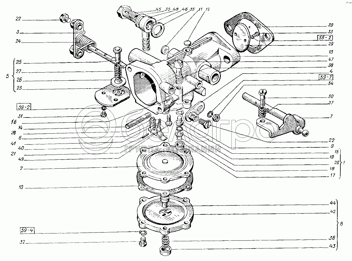
Каталог запасных частей к технике: ХТЗ Т-151К-08. Пусковой двигатель. Карбюратор

zoom-in zoom-out enlarge shrink circle-right circle-left file-text2 info cart arraw right arraw left zoom out zoom in arraw maximize arraw minimize
6Л.65Г.6402
5Л.65Г.6402
3Т.65Г.6402
3Т.65Г.6402
1
2
3
4
5
6
7
8
9
10
11
12
13
14
15
16
17
18
19
20
21
22
22
23
24
25
26
27
28
29
30
31
32
33
34
35
35
36
37
38
39
40
41
42
43
44
45
46
47
48
49
6Л.65Г.6402
Шайба (d=6,1, b=S=1,2)
В узле: 1
5Л.65Г.6402
Шайба (d=5,1, b=S=1)
В узле: 6
3Т.65Г.6402
Шайба (d=3,1, b=S=1)
В узле: 6
1
11.1107305
Клапан обратный
В узле: 1
2
11.1107370
Мембрана
В узле: 1
3
11.1107520
Валик
В узле: 1
4
11.1107540
Рычаг
В узле: 1
5
11.1107565
Заслонка воздушная
В узле: 1
6
11.1107675
Игла клапана
В узле: 1
7
11.1107820
Валик
В узле: 1
8
К06-1107200
Крышка
В узле: 1
9
11.1107021
Шайба
В узле: 1
10
11.1107029
Прокладка
В узле: 1
11
11.1107032
Заглушка
В узле: 2
12
11.1107033
Заглушка
В узле: 2
13
11.1107106.2
Корпус
В узле: 1
14
11.1107114
Шпилька
В узле: 2
15
11.1107171
Распылитель
В узле: 1
16
11.1107216
Жиклер
В узле: 1
17
11.1107306
Корпус клапана
В узле: 1
18
11.1107307
Пластина клапана
В узле: 1
19
11.1107308
Замок клапана
В узле: 1
20
11.1107309
Шайба
В узле: 1
21
11.1107386
Рычаг
В узле: 1
22
11.1107549
Винт
В узле: 2
23
11.1107571
Заслонка
В узле: 1
24
11.1107575
Пружина
В узле: 1
25
11.1107576
Ось
В узле: 1
26
11.1107577
Клапан
В узле: 1
27
11.1107578
Пружин
В узле: 1
28
11.1107674
Седло
В узле: 1
29
11.1107891
Заслонка дроссельная
В узле: 1
30
11.1107926
Винт
В узле: 1
31
001300
Винт
В узле: 2
32
001300-04
Винт
В узле: 6
33
001300-16
Винт
В узле: 2
34
002100-3
Гайка
В узле: 1
35
002502-07
Шайба
В узле: 2
36
003700-03
Пружина
В узле: 1
37
003700-04
Пружина
В узле: 1
38
003700-08
Пружина
В узле: 1
39
Д24093
Прокладка фланца патрубка
В узле: 1
40
К02-1107117-А
Ось
В узле: 1
41
К06-1107106
Пружина
В узле: 1
42
К06-1107201-10
Крышка
В узле: 1
43
К06-1107202
Кнопка
В узле: 1
44
К06-1107203-10
Утолитель диафрагмы
В узле: 1
45
К13-1107207
Болт
В узле: 1
46
К13-1107208
Сетка
В узле: 1
47
К16-1107102-Б
Винт
В узле: 1
48
К16А-1107122
Штуцер
В узле: 1
49
К22-1107616
Винт
В узле: 1
Содержащиеся в справочниках-каталогах запасные части и детали не предлагаются к продаже, а носят исключительно информационный характер

Ваша заявка была отправлена. В ближайшее время наши специалисты с Вами свяжутся по указанному Вами телефону.

Представьтесь
Поле обязательно для заполнения
Ваш телефон
Введите правильный номер телефона
E-mail
Введите правильный e-mail
Тема
Тема
применяемость финансирование доставка цена, наличие другое сервис и гарантия
Время для звонка
08:00
08:00 09:00 10:00 11:00 12:00 13:00 14:00 15:00 16:00 17:00 18:00 19:00
19:00
08:00 09:00 10:00 11:00 12:00 13:00 14:00 15:00 16:00 17:00 18:00 19:00

Мы постараемся перезвонить в указанное время

Если вы не хотите ждать, то звоните нашим вежливым консультантам:

8 800 100-2-700
Подтвердите, что вы не робот
Подтвердите, что вы не робот
Спасибо!

Ваше сообщение успешно отправлено!

ЗакрытьПовторить попытку