Каталог запасных частей к технике: ХТЗ Т-151К-08. Радиаторы масляные

zoom-in zoom-out enlarge shrink circle-right circle-left file-text2 info cart arraw right arraw left zoom out zoom in arraw maximize arraw minimize
3.3x32.3128
2,5x16.397
1,6x12.397
1,6x12.397
8.04.11371
6.65Г.6402
4.65Г.6402
М6.5915
М4.5927
М6х12.17473
М4х 8.17473
М4х12.17473
1
2
3
4
5
6
7
8
9
10
11
12
13
14
15
16
17
17
18
18
19
20
21
22
23
24
3.3x32.3128
Штифт (d=3, L=32)
В узле: 1
2,5x16.397
Шплинт
В узле: 5
1,6x12.397
Шплинт
В узле: 8
8.04.11371
Шайба
В узле: 102
6.65Г.6402
Шайба
В узле: 274
4.65Г.6402
Шайба
В узле: 41
М6.5915
Гайка
В узле: 61
М4.5927
Гайка
В узле: 18
М6х12.17473
Винт
В узле: 55
М4х 8.17473
Винт (d=4, l=8, L0=8, H=2,8, D=7)
В узле: 30
М4х12.17473
Винт
В узле: 39
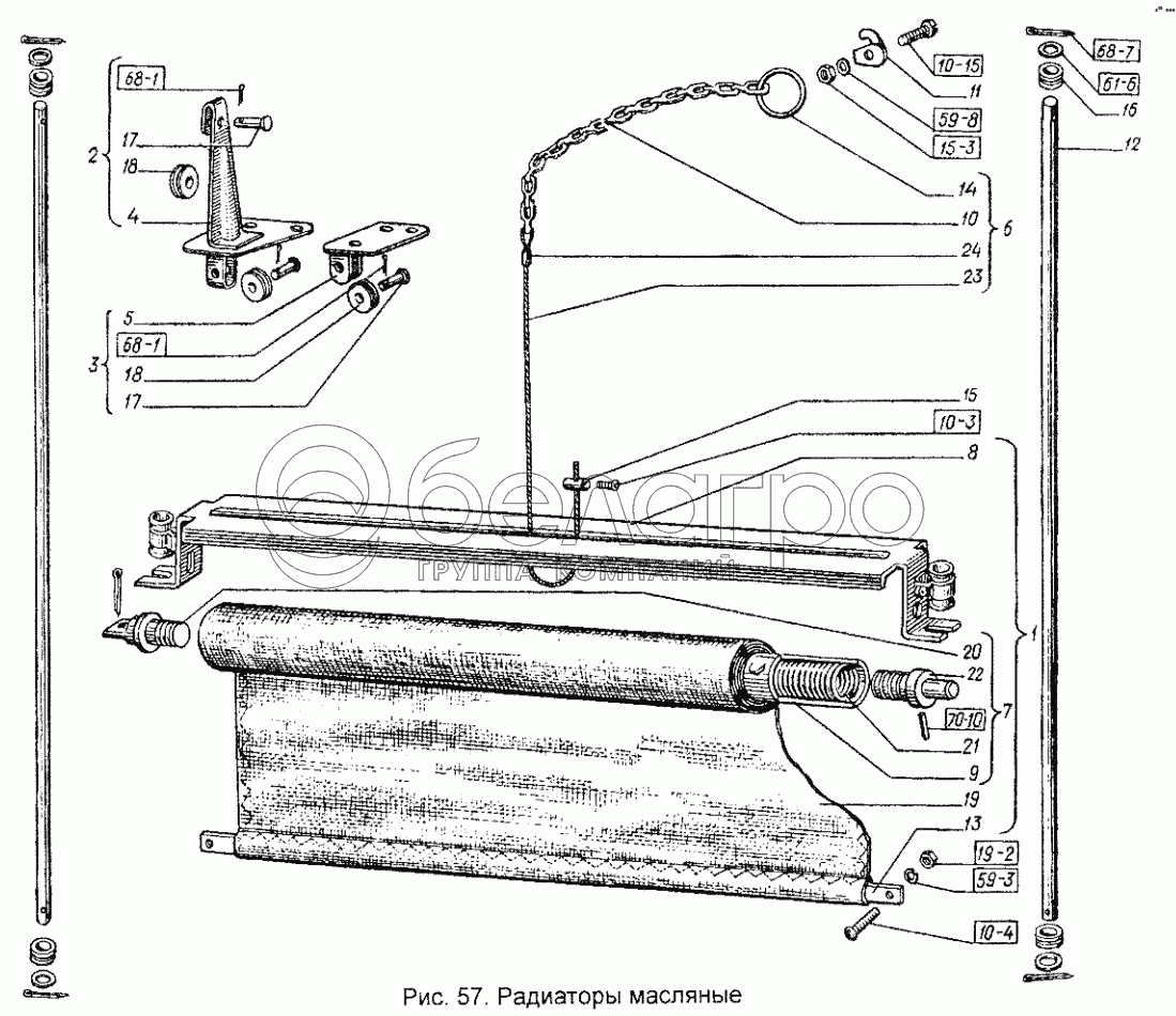
1
151М.13.018
Шторка
В узле: 1
2
151М.13.019
Кронштейн
В узле: 1
3
151М.13.020
Кронштейн
В узле: 1
4
151М.13.021
Кронштейн
В узле: 1
5
151М.13.023
Кронштейн
В узле: 1
6
125.08.013
Цепочка управления шторкой радиатора в сборе
В узле: 1
7
125.08.016
Ролик в сборе
В узле: 1
8
125.08.025
Рамка в сборе
В узле: 1
9
125.08.029
Ролик с заглушкой в сборе
В узле: 1
10
150.08.038
Цепочка
В узле: 1
11
151М.13.103-1
Зацеп
В узле: 1
12
151М.13.108
Стержень
В узле: 2
13
151М.13.109
Планка
В узле: 1
14
14.13.201
Кольцо
В узле: 1
15
14.13.203
Наконечник каната
В узле: 1
16
14.48.243
Втулка изоляционная
В узле: 4
17
74.13.470
Палец
В узле: 3
18
74.13.471
Ролик
В узле: 3
19
125.08.107
Полотно шторки радиатора
В узле: 1
20
125.08.113
Ось ролика левая
В узле: 1
21
125.08.114
Пружина шторки
В узле: 1
22
125.08.117
Ось ролика правая
В узле: 1
23
125.08.119
Канат
В узле: 1
24
125.08.208
Втулка
В узле: 1
Содержащиеся в справочниках-каталогах запасные части и детали не предлагаются к продаже, а носят исключительно информационный характер

Ваша заявка была отправлена. В ближайшее время наши специалисты с Вами свяжутся по указанному Вами телефону.

Представьтесь
Поле обязательно для заполнения
Ваш телефон
Введите правильный номер телефона
E-mail
Введите правильный e-mail
Тема
Тема
применяемость финансирование доставка цена, наличие другое сервис и гарантия
Время для звонка
08:00
08:00 09:00 10:00 11:00 12:00 13:00 14:00 15:00 16:00 17:00 18:00 19:00
19:00
08:00 09:00 10:00 11:00 12:00 13:00 14:00 15:00 16:00 17:00 18:00 19:00

Мы постараемся перезвонить в указанное время

Если вы не хотите ждать, то звоните нашим вежливым консультантам:

8 800 100-2-700
Подтвердите, что вы не робот
Подтвердите, что вы не робот
Спасибо!

Ваше сообщение успешно отправлено!

ЗакрытьПовторить попытку