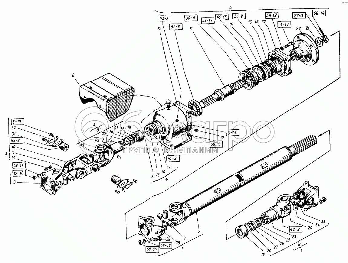
Каталог запасных частей к технике: ХТЗ Т-151К-08. Редуктор ВОМ

zoom-in zoom-out enlarge shrink circle-right circle-left file-text2 info cart arraw right arraw left zoom out zoom in arraw maximize arraw minimize
208.8338
М10x35.7796
М12x35.7796
М8х1х16.7798
М14х1,5.5915
М14х1,5.5915
СП-79-53-10.6308
2В90.13941
1.2-38x58-1.8752
1.2-55x80-1.8752
1.3.19853
1.3.19853
1.3.19853
308.8338
804805К2С10
151К.41.001
10.65Г.6402
12Т.65Г.6402
14.65Г.6402
14.65Г.6402
8.65Г.6402
4x32.397
1
1
2
3
3
4
4
5
6
7
7
8
8
9
10
11
12
13
14
15
16
17
18
19
19
20
21
22
23
23
24
24
25
25
26
26
26
26
27
27
28
29
29
30
31
32
33
34
208.8338
Подшипник
В узле: 1
М10x35.7796
Болт
В узле: 24
М12x35.7796
Болт
В узле: 44
М8х1х16.7798
Болт (d=8, l=16, L0=16, H=5,5, S=13)
В узле: 32
М14х1,5.5915
Гайка
В узле: 44
М14х1,5.5915
Гайка
В узле: 44
СП-79-53-10.6308
Кольцо (D=79, d=53, H10)
В узле: 3
2В90.13941
Кольцо
В узле: 2
1.2-38x58-1.8752
Манжета
В узле: 1
1.2-55x80-1.8752
Манжета
В узле: 1
1.3.19853
Масленка
В узле: 11
308.8338
Подшипник
В узле: 4
804805К2С10
Подшипник специальный
В узле: 16
151К.41.001
Редуктор ВОМ с приводом
В узле: ---
10.65Г.6402
Шайба
В узле: 635
12Т.65Г.6402
Шайба (d=12,2, b=S=3,5)
В узле: 43
14.65Г.6402
Шайба
В узле: 48
8.65Г.6402
Шайба
В узле: 564
4x32.397
Шплинт
В узле: 3
1
151.41.019-1
Вал карданный в сборе
В узле: 1
2
151.41.020-1
Трубка в сборе
В узле: 1
3
151.41.021-1
Шарнир двойной в сборе
В узле: 1
4
151.41.023
Опора промежуточная в сборе
В узле: 1
5
125.72.019
Сапун в сборе
В узле: 1
6
150.41.020-2
Кожух ограждения в сборе
В узле: 2
7
150.41.045
Крестовина кардана в сборе
В узле: 4
8
150.41.060
Вилка скользящая в сборе
В узле: 2
9
151.41.124-1
Вилка
В узле: 1
10
151.41.125-1
Вилка двойного шарнира
В узле: 1
11
151.41.126
Вал опоры
В узле: 1
12
151.41.127Б
Корпус
В узле: 1
13
125.37.450
Корпус сальника
В узле: 2
14
125.41.141
Сальник
В узле: 1
15
125.41.142
Корпус сальника
В узле: 1
16
125.41.149
Шайба
В узле: 1
17
125.41.204
Шайба сальника
В узле: 1
18
150.41.135-1
Прокладка
В узле: 1
19
150.41.152
Обойма
В узле: 2
20
150.41.216-1
Корпус уплотнения
В узле: 1
21
150.41.254
Шайба упорная
В узле: 1
22
150.41.275-1
Муфта фланца
В узле: 1
23
150.41.277-2
Вилка скользящая
В узле: 2
24
150.41.278
Заглушка
В узле: 2
25
150.41.279
Кольцо уплотнительное внутреннее
В узле: 2
26
150.41.280
Шайба
В узле: 4
27
150.41.281
Кольцо уплотнительное наружное
В узле: 2
28
150.41.287-1
Вилка
В узле: 2
29
150.41.293
Болт
В узле: 12
30
150.41.299
Колпачок масленки
В узле: 6
31
А62.02.006-01
Пластина опорная
В узле: 16
32
А62.02.007-01
Пластина стопорная
В узле: 16
33
А62.03.001
Крестовина кардана
В узле: 4
34
А62.03.100
Масленка
В узле: 4
Содержащиеся в справочниках-каталогах запасные части и детали не предлагаются к продаже, а носят исключительно информационный характер

Ваша заявка была отправлена. В ближайшее время наши специалисты с Вами свяжутся по указанному Вами телефону.

Представьтесь
Поле обязательно для заполнения
Ваш телефон
Введите правильный номер телефона
E-mail
Введите правильный e-mail
Тема
Тема
применяемость финансирование доставка цена, наличие другое сервис и гарантия
Время для звонка
08:00
08:00 09:00 10:00 11:00 12:00 13:00 14:00 15:00 16:00 17:00 18:00 19:00
19:00
08:00 09:00 10:00 11:00 12:00 13:00 14:00 15:00 16:00 17:00 18:00 19:00

Мы постараемся перезвонить в указанное время

Если вы не хотите ждать, то звоните нашим вежливым консультантам:

8 800 100-2-700
Подтвердите, что вы не робот
Подтвердите, что вы не робот
Спасибо!

Ваше сообщение успешно отправлено!

ЗакрытьПовторить попытку