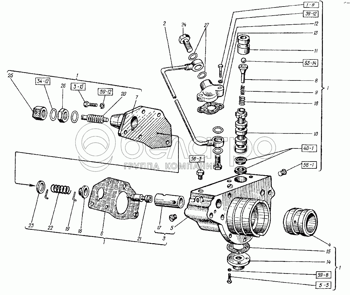
Каталог запасных частей к технике: ХТЗ Т-151К-08. Редуктор ВОМ. Механизм клапанный

zoom-in zoom-out enlarge shrink circle-right circle-left file-text2 info cart arraw right arraw left zoom out zoom in arraw maximize arraw minimize
11,112-100.3722
6.65Г.6402
10.65Г.6402
10.65Г.6402
КГ 3/8"
КГ 1/8"
1.2-9x22-1.8752
1-25-1.6678
018-022-25-2-2.9833
М6х20.7798
М10x45.7795
М10x25.7796
1
1
1
1
2
3
4
5
6
7
8
9
10
11
12
13
14
15
16
17
18
19
20
21
22
23
24
25
26
27
11,112-100.3722
Шарик
В узле: 1
6.65Г.6402
Шайба
В узле: 274
10.65Г.6402
Шайба
В узле: 635
КГ 3/8"
Пробка (L=21, H=5, S=19)
В узле: 18
КГ 1/8"
Пробка (L=15, H=4,5, S=12)
В узле: 12
1.2-9x22-1.8752
Манжета (d=9, D=22, h=7)
В узле: 2
1-25-1.6678
Манжета (d=13, D=26, h=5)
В узле: 3
018-022-25-2-2.9833
Кольцо
В узле: 7
М6х20.7798
Болт
В узле: 16
М10x45.7795
Болт
В узле: 14
М10x25.7796
Болт
В узле: 147
1
150.41.042-4
Механизм клапанный
В узле: 1
2
150.41.056-3А
Труба
В узле: 1
3
150.41.059-2
Крышка
В узле: 1
4
150.41.130-1
Втулка
В узле: 1
5
150.41.131-4
Крышка
В узле: 1
6
150.41.134-1
Прокладка
В узле: 1
7
150.41.137-1
Фланец
В узле: 1
8
150.41.147-1
Гнездо клапана
В узле: 1
9
150.41.179
Пружина
В узле: 1
10
150.41.217-4А
Плунжер
В узле: 1
11
150.41.239-1
Седло
В узле: 1
12
150.41.258-1
Фланец
В узле: 1
13
150.41.259
Прокладка
В узле: 1
14
150.41.272
Крышка
В узле: 1
15
150.41.273А
Прокладка
В узле: 1
16
150.41.274А
Шайба
В узле: 1
17
150.41.296
Втулка
В узле: 1
18
150.41.300
Пружина
В узле: 1
19
150.37.337
Упор
В узле: 2
20
150.37.363
Винт регулировочный
В узле: 1
21
150.37.364
Клапан
В узле: 1
22
150.37.366А
Пружина
В узле: 1
23
150.37.406
Шайба винта
В узле: 1
24
БПУ-20
Болт поворотного угольника
В узле: 2
25
Р75-051Б
Колпачок
В узле: 1
26
Р75-058Б
Гайка
В узле: 1
27
ШПУ-20
Шайба поворотного угольника
В узле: 4
Содержащиеся в справочниках-каталогах запасные части и детали не предлагаются к продаже, а носят исключительно информационный характер

Ваша заявка была отправлена. В ближайшее время наши специалисты с Вами свяжутся по указанному Вами телефону.

Представьтесь
Поле обязательно для заполнения
Ваш телефон
Введите правильный номер телефона
E-mail
Введите правильный e-mail
Тема
Тема
применяемость финансирование доставка цена, наличие другое сервис и гарантия
Время для звонка
08:00
08:00 09:00 10:00 11:00 12:00 13:00 14:00 15:00 16:00 17:00 18:00 19:00
19:00
08:00 09:00 10:00 11:00 12:00 13:00 14:00 15:00 16:00 17:00 18:00 19:00

Мы постараемся перезвонить в указанное время

Если вы не хотите ждать, то звоните нашим вежливым консультантам:

8 800 100-2-700
Подтвердите, что вы не робот
Подтвердите, что вы не робот
Спасибо!

Ваше сообщение успешно отправлено!

ЗакрытьПовторить попытку