Каталог запасных частей к технике: ХТЗ Т-151К-08. Выпускная система

zoom-in zoom-out enlarge shrink circle-right circle-left file-text2 info cart arraw right arraw left zoom out zoom in arraw maximize arraw minimize
8.65Г.6402
12.65Г.6402
М8.5915
М12.5915
М12.5915
М12.5915
М12.5915
М10.15523
М10.15523
М10.15523
М10.15523
М8х60.7796
М12x35.7796
М12x35.7796
М12x25.7796
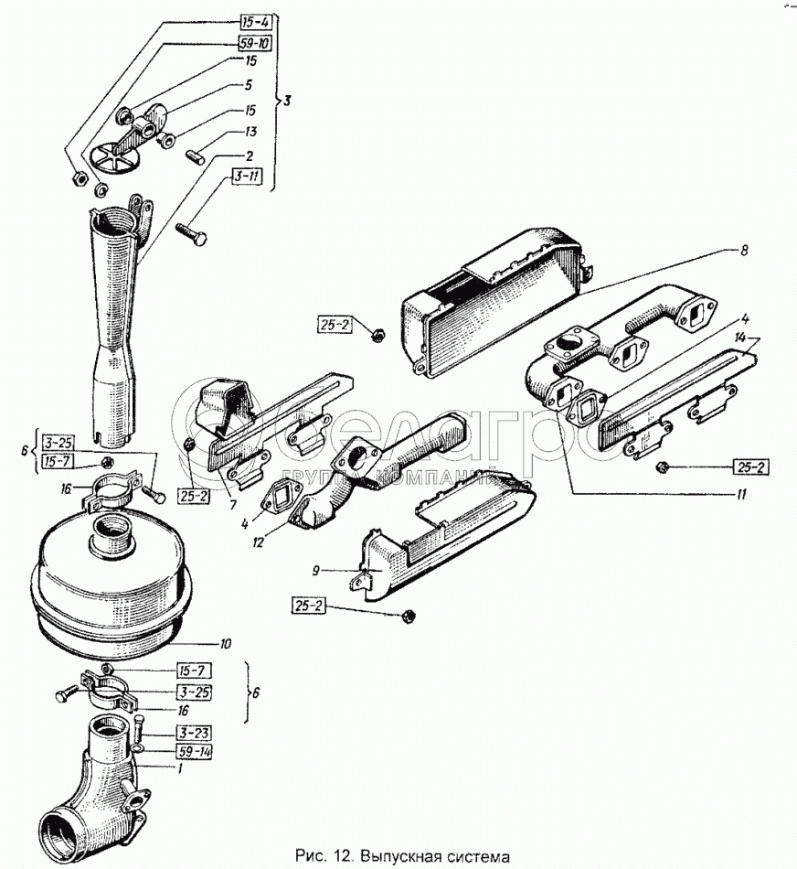
1
1
2
3
4
4
5
6
6
7
8
9
10
11
12
13
14
15
15
16
16
8.65Г.6402
Шайба
В узле: 564
12.65Г.6402
Шайба
В узле: 170
М8.5915
Гайка
В узле: 183
М12.5915
Гайка
В узле: 49
М12.5915
Гайка
В узле: 49
М10.15523
Гайка (d=10, H=12, S=17)
В узле: 20
М8х60.7796
Болт (d=8, l=60, L0=22, H=5, S=12)
В узле: 1
М12x35.7796
Болт
В узле: 44
М12x25.7796
Болт
В узле: 25
1
63А-07002.00
Труба выхлопная
В узле: 1
1
62А-07002.00
Труба выхлопная
В узле: 1
2
62А-07006.00
Труба выпускная
В узле: 1
3
62А-07010.00
Труба выпускная с крышкой
В узле: 1
4
60-07007.10
Прокладка выхлопного коллектора
В узле: 6
5
60-07011.20
Крышка
В узле: 1
6
60-07016.10
Хомут
В узле: 2
7
60-07017.00
Крышка
В узле: 1
8
60-07018.00
Кожух правый
В узле: 1
9
60-07019.00
Кожух левый
В узле: 1
10
72-07012.00
Глушитель
В узле: 1
11
60-07101.10
Коллектор выхлопной правый
В узле: 1
12
60-07102.10
Коллектор выхлопной левый
В узле: 1
13
60-07119.01
Трубка внутренняя
В узле: 1
14
60-07128.10
Крышка правого кожуха
В узле: 1
15
60-07140.00
Втулка
В узле: 2
16
60-07157.10
Хомут
В узле: 4
Содержащиеся в справочниках-каталогах запасные части и детали не предлагаются к продаже, а носят исключительно информационный характер

Ваша заявка была отправлена. В ближайшее время наши специалисты с Вами свяжутся по указанному Вами телефону.

Представьтесь
Поле обязательно для заполнения
Ваш телефон
Введите правильный номер телефона
E-mail
Введите правильный e-mail
Тема
Тема
применяемость финансирование доставка цена, наличие другое сервис и гарантия
Время для звонка
08:00
08:00 09:00 10:00 11:00 12:00 13:00 14:00 15:00 16:00 17:00 18:00 19:00
19:00
08:00 09:00 10:00 11:00 12:00 13:00 14:00 15:00 16:00 17:00 18:00 19:00

Мы постараемся перезвонить в указанное время

Если вы не хотите ждать, то звоните нашим вежливым консультантам:

8 800 100-2-700
Подтвердите, что вы не робот
Подтвердите, что вы не робот
Спасибо!

Ваше сообщение успешно отправлено!

ЗакрытьПовторить попытку