Каталог запасных частей к технике: ХТЗ Т-151К. Электрооборудование и приборы

zoom-in zoom-out enlarge shrink circle-right circle-left file-text2 info cart arraw right arraw left zoom out zoom in arraw maximize arraw minimize
151К.48.001-1-02
1
2
3
4
5
6
6
7
8
9
9
10
11
12
13
14
15
16
17
18
18
19
20
21
22
23
24
25
26
27
28
28
29
30
31
32
32
32
34
35
36
37
38
39
39
39
40
40
41
41
42
42
42
43
44
44
151К.48.001-1-02
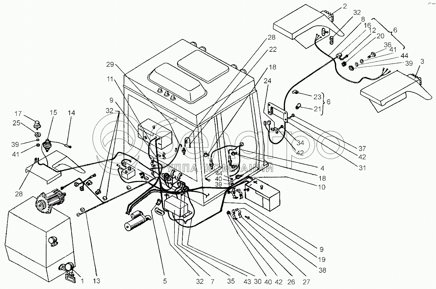
Электрооборудование и приборы
В узле: ---
1
151К.48.011-1
Фары и фонари передние
В узле: 1
2
151К.48.040
Фонарь задний правый
В узле: 1
3
151К.48.040-01
Фонарь задний левый
В узле: 1
4
151К.48.084
Жгут
В узле: 1
5
125.48.040
Лента крепежная в сборе
В узле: ---
6
170.48.016
Жгут с розеткой
В узле: 1
7
170.48.050
Включатель «массы»
В узле: 1
8
170.48.062
Жгут
В узле: 1
9
170.48.070
Провод
В узле: ---
10
170.48.074
Провод
В узле: 1
11
170.48.075
Провод
В узле: 1
12
170.48.079
Провод
В узле: 1
13
170.48.083
Жгут
В узле: 1
14
170.48.098
Провод
В узле: 1
15
011 806 98
Датчик сигнализатора засоренности воздушного фильтра
В узле: 1
16
ПС300А3-3723100
Розетка
В узле: 1
17
УП101-3726010-Г1
Фонарь
В узле: 2
18
8.50.184
Наконечник изоляционный
В узле: 4
19
74.54.435
Труба резиновая
В узле: 11
20
150.48.250-05
Втулка
В узле: 1
21
150.48.268-01
Трубка
В узле: 1
22
150М.48.466-2
Провод
В узле: 1
23
150.55.156
Скоба
В узле: 1
24
151.48.119-1
Скоба
В узле: 1
25
151.48.152
Прокладка
В узле: 2
26
151.48.343
Скоба
В узле: 5
27
151.48.348
Скоба
В узле: 5
28
151.48.360
Изолятор
В узле: 6
29
151М.48.463-3
Провод
В узле: 1
30
151.48.464
Провод
В узле: 1
31
155.48.105
Крышка
В узле: 1
32
155.48.114
Крышка
В узле: 4
33
170.48.241
Скоба
В узле: 6
34
М6х30.7796
Болт (d=6, l=30, L0=18, H=4, S=10)
В узле: 2
35
М8х16.7796
Болт
В узле: 1
36
М5х35.17473
Винт
В узле: 3
37
М6х12.17473
Винт
В узле: 4
38
М6х16.17473
Винт
В узле: 6
39
М5.5927
Гайка
В узле: 9
40
М6.5927
Гайка
В узле: 8
41
5 65Г.6402
Шайба
В узле: 9
42
6 65Г.6402
Шайба
В узле: 12
43
8 65Г.6402
Шайба
В узле: 2
44
5.04.11371
Шайба
В узле: 5
Содержащиеся в справочниках-каталогах запасные части и детали не предлагаются к продаже, а носят исключительно информационный характер

Ваша заявка была отправлена. В ближайшее время наши специалисты с Вами свяжутся по указанному Вами телефону.

Представьтесь
Поле обязательно для заполнения
Ваш телефон
Введите правильный номер телефона
E-mail
Введите правильный e-mail
Тема
Тема
применяемость финансирование доставка цена, наличие другое сервис и гарантия
Время для звонка
08:00
08:00 09:00 10:00 11:00 12:00 13:00 14:00 15:00 16:00 17:00 18:00 19:00
19:00
08:00 09:00 10:00 11:00 12:00 13:00 14:00 15:00 16:00 17:00 18:00 19:00

Мы постараемся перезвонить в указанное время

Если вы не хотите ждать, то звоните нашим вежливым консультантам:

8 800 100-2-700
Подтвердите, что вы не робот
Подтвердите, что вы не робот
Спасибо!

Ваше сообщение успешно отправлено!

ЗакрытьПовторить попытку