Каталог запасных частей к технике: ХТЗ Т-151К. Гидросистема навесного устройства

zoom-in zoom-out enlarge shrink circle-right circle-left file-text2 info cart arraw right arraw left zoom out zoom in arraw maximize arraw minimize
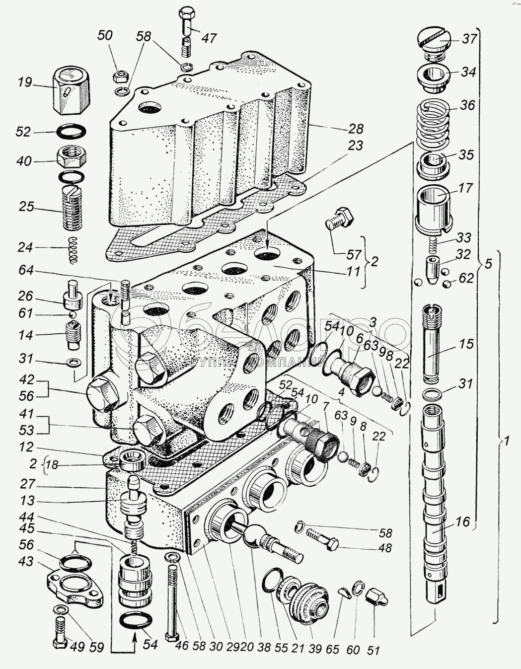
1
2
2
3
4
5
6
7
8
8
9
9
10
10
11
12
13
14
15
16
17
18
19
20
21
22
22
23
24
25
26
27
28
29
30
31
31
32
33
34
35
36
37
38
39
40
41
42
43
44
45
46
47
48
49
50
51
52
52
53
54
54
54
55
56
56
57
58
58
58
59
60
61
62
63
63
64
65
1
Р80-3.3.000
Гидрораспределитель Р80-3/1-222Г
В узле: 1
2
Р80-3-004-10
Корпус распределителя
В узле: 1
3
Р80Г3.6.000
Гидрозамок
В узле: 2
4
Р80Г3.6.000-01
Гидрозамок
В узле: 1
5
Р80-030
Золотник
В узле: 3
6
Р80Г3.6.011
Корпус
В узле: 2
7
Р80Г3.6.011-01
Корпус
В узле: 1
8
Р80Г3.6.012
Фиксатор
В узле: 3
9
Р80Г3.6.013
Пружина
В узле: 3
10
Р80Г3.6.015
Прокладка
В узле: 3
11
Р80-3.021-10
Корпус
В узле: 1
12
Р80-3-038
Прокладка
В узле: 1
13
Р80-3-041
Клапан перепускной
В узле: 1
14
Р80-3-063
Гнездо предохранительного клапана
В узле: 1
15
Р80-23.20.060
Гильза
В узле: 3
16
Р80-024
Золотник
В узле: 3
17
Р80-031
Обойма
В узле: 3
18
Р80-040-10
Гнездо
В узле: 1
19
Р80-051Б
Колпачок
В узле: 1
20
Р80-064
Кольцо
В узле: 3
21
Р80-065
Кольцо
В узле: 3
22
Н036.50.102
Кольцо
В узле: 3
23
Р40/75-0808039А
Прокладка нижняя
В узле: 1
24
Р40/75-0808048Б
Пружина
В узле: 1
25
Р40/75-0808049А
Винт
В узле: 1
26
Р40/75-0808059А
Направляющая
В узле: 1
27
Р75-3-022Б
Крышка
В узле: 1
28
Р75-3-023
Крышка нижняя
В узле: 1
29
Р75-3-055Б
Пластина
В узле: 1
30
Р75-3-057
Пластина колец
В узле: 1
31
Р75-В-028А
Прокладка
В узле: 4
32
Р75-В-029
Втулка фиксаторная
В узле: 3
33
Р75-В-032
Пружина фиксатора
В узле: 3
34
Р75-033
Стакан нижний
В узле: 3
35
Р75-034
Стакан верхний
В узле: 3
36
Р75-035
Пружина золотника
В узле: 3
37
Р75-037А
Пробка
В узле: 3
38
Р75-054А
Рычаг
В узле: 3
39
Р75-056М
Чехол
В узле: 3
40
Р75-058Б
Гайка
В узле: 1
41
Р75-066
Заглушка
В узле: 4
42
Р75-067
Заглушка
В узле: 1
43
Р75-071Г
Упор
В узле: 1
44
Р75-072
Пружина перепускного клапана
В узле: 1
45
Р75-073А
Направляющая
В узле: 1
46
М8х55.7795
Болт
В узле: 8
47
М8х100.7795
Болт
В узле: 6
48
М8х16.7796
Болт
В узле: 8
49
3М10х30.7796
Болт
В узле: 2
50
М8.5915
Гайка
В узле: 3
51
М12х1,25.11860
Гайка
В узле: 3
52
018-022-25-2-3.9833
Кольцо
В узле: 7
53
022-027-30-2-3.9833
Кольцо
В узле: 1
54
025-030-30-2-3.9833
Кольцо
В узле: 4
55
028-033-30-2-3.9833
Кольцо
В узле: 3
56
У-35х30-3.9833
Кольцо
В узле: 1
57
КГ 1/4'
Пробка
В узле: 1
58
8 65Г.6402
Шайба
В узле: 25
59
10 65Г.6402
Шайба
В узле: 2
60
12 65Г.6402
Шайба
В узле: 3
61
5,556-100.3722
Шарик
В узле: 1
62
6,35-100.3722
Шарик
В узле: 9
63
11,112-100.3722
Шарик
В узле: 3
64
ШМ8х120
Шпилька
В узле: 3
65
3х6,5.24071
Шпонка
В узле: 3
Содержащиеся в справочниках-каталогах запасные части и детали не предлагаются к продаже, а носят исключительно информационный характер

Ваша заявка была отправлена. В ближайшее время наши специалисты с Вами свяжутся по указанному Вами телефону.

Представьтесь
Поле обязательно для заполнения
Ваш телефон
Введите правильный номер телефона
E-mail
Введите правильный e-mail
Тема
Тема
применяемость финансирование доставка цена, наличие другое сервис и гарантия
Время для звонка
08:00
08:00 09:00 10:00 11:00 12:00 13:00 14:00 15:00 16:00 17:00 18:00 19:00
19:00
08:00 09:00 10:00 11:00 12:00 13:00 14:00 15:00 16:00 17:00 18:00 19:00

Мы постараемся перезвонить в указанное время

Если вы не хотите ждать, то звоните нашим вежливым консультантам:

8 800 100-2-700
Подтвердите, что вы не робот
Подтвердите, что вы не робот
Спасибо!

Ваше сообщение успешно отправлено!

ЗакрытьПовторить попытку