Каталог запасных частей к технике: ХТЗ Т-151К. Коробка передач

zoom-in zoom-out enlarge shrink circle-right circle-left file-text2 info cart arraw right arraw left zoom out zoom in arraw maximize arraw minimize
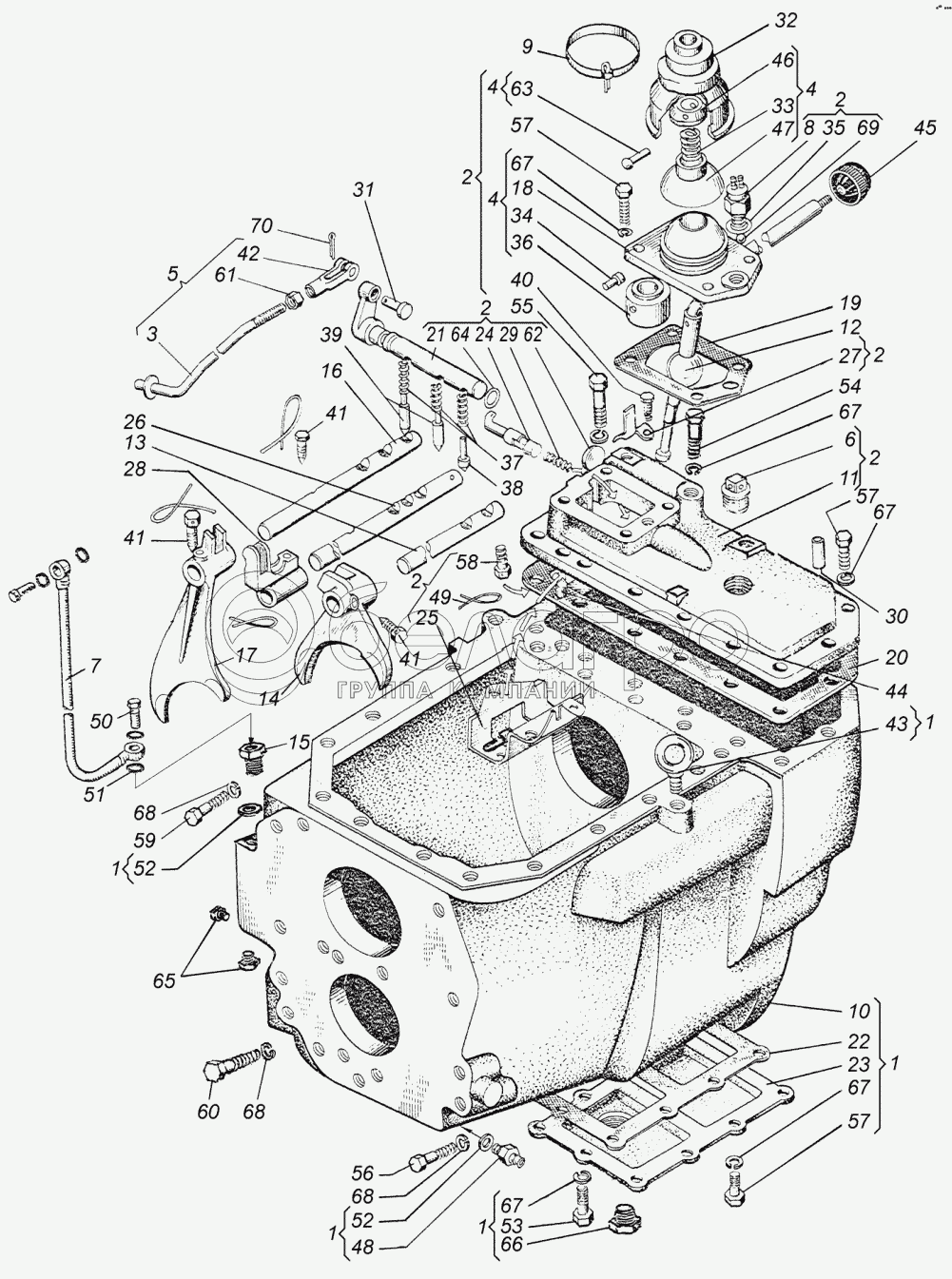
151.37.001-15
1
1
1
1
1
2
2
2
2
2
2
3
4
4
4
5
6
7
8
9
10
11
12
13
14
15
16
17
18
19
20
21
22
23
24
25
26
27
28
29
30
31
32
33
34
35
36
37
38
39
40
41
41
41
42
43
44
45
46
47
48
49
50
51
52
52
53
54
55
56
57
57
57
58
59
60
61
62
63
64
65
66
67
67
67
67
67
68
68
68
69
70
151.37.001-15
Коробка передач
В узле: ---
1
151.37.021-15
Коробка передач
В узле: 1
2
151.37.050-4
Крышка
В узле: 1
3
151.37.056-1
Тяга блокировки в сборе
В узле: 1
4
151.37.0150-01
Колонка
В узле: 1
5
151.37.0156
Тяга
В узле: 1
6
7.37.028
Пробка в сборе
В узле: 1
7
150.00.062-1А-02
Трубка
В узле: 1
8
ВАК-10
Выключатель
В узле: 1
9
ХС-95
Хомутик
В узле: 1
10
151.37.101-2-02
Корпус
В узле: 1
11
151.37.142-1
Крышка ходоуменьшителя
В узле: 1
12
151.37.157-1А
Рычаг
В узле: 1
13
151.37.162-2
Валик
В узле: 1
14
151.37.163-2
Вилка
В узле: 1
15
151.37.167-1
Болт
В узле: 1
16
151.37.227-3
Валик
В узле: 1
17
151.37.228-2
Вилка
В узле: 1
18
151.37.232-1
Колонка малая
В узле: 1
19
151.37.233-1
Прокладка
В узле: 1
20
151.37.238
Прокладка
В узле: 1
21
151.37.248
Валик блокировки
В узле: 1
22
151.37.267-2
Прокладка
В узле: 1
23
151.37.268-3
Прокладка
В узле: 1
24
151.37.294-3
Ограничитель
В узле: 1
25
151.37.297-2
Кулиса
В узле: 1
26
151.37.357-3
Валик
В узле: 1
27
151.37.420
Указатель
В узле: 1
28
151.37.435-2
Поводок
В узле: 1
29
5.43.130
Пружина застежки
В узле: 1
30
7.37.233
Штифт
В узле: 1
31
54.20.405
Палец
В узле: 1
32
54.37.489
Чехол
В узле: 1
33
55-12-476
Пружина
В узле: 1
34
74.37.460
Штифт
В узле: 1
35
74.37.476
Прокладка регулировочная
В узле: 4
36
74.37.485
Вставка
В узле: 1
37
125.37.153
Пружина фиксатора
В узле: 3
38
125.37.154
Фиксатор
В узле: 1
39
125.37.259
Фиксатор длинный
В узле: 2
40
125.37.270
Винт установочный
В узле: 1
41
125.37.299
Болт стопорный
В узле: 3
42
150.20.278
Вилка
В узле: 1
43
150.37.474
Рым-болт М16 ГОСТ 4751-67
В узле: 2
44
А03-12
Штифт
В узле: 1
45
А13.04.000А
Рукоятка
В узле: 1
46
А37-60
Упорная втулка
В узле: 1
47
А37-63
Колпачок
В узле: 1
48
Н036.04.005
Штуцер
В узле: 1
49
ПЖ-1,6х300
Проволока
В узле: 5
50
БПУ-10
Болт
В узле: 2
51
ШПУ-10
Шайба поворотного угольника
В узле: 4
52
ШПУ-20
Шайба поворотного угольника
В узле: 2
53
М10х40.7795
Болт
В узле: 1
54
М10х55.7795
Болт
В узле: 1
55
М10х65.7795
Болт
В узле: 1
56
М12х55.7795
Болт (d=12, l=55, L0=30, H=7, S=17)
В узле: 1
57
М10х30.7796
Болт
В узле: 21
58
3М10х16.7796
Болт (d=10, l=16, L0=16, H=7, S=14)
В узле: 3
59
М12х30.7796
Болт
В узле: 1
60
М12х40.7796
Болт
В узле: 4
61
М10.5915
Гайка
В узле: 1
62
26.3111
Заглушка
В узле: 1
63
6х32.10299
Заклепка
В узле: 1
64
Н2-20х16-2.9833
Кольцо
В узле: 1
65
КГ 1/4'
Пробка
В узле: 2
66
КГ 3/8'
Пробка
В узле: 1
67
10 65Г.6402
Шайба
В узле: 24
68
12 65Г.6402
Шайба
В узле: 6
69
Б8-100.3722
Шарик
В узле: 1
70
2х16.397
Шплинт
В узле: 1
Содержащиеся в справочниках-каталогах запасные части и детали не предлагаются к продаже, а носят исключительно информационный характер

Ваша заявка была отправлена. В ближайшее время наши специалисты с Вами свяжутся по указанному Вами телефону.

Представьтесь
Поле обязательно для заполнения
Ваш телефон
Введите правильный номер телефона
E-mail
Введите правильный e-mail
Тема
Тема
применяемость финансирование доставка цена, наличие другое сервис и гарантия
Время для звонка
08:00
08:00 09:00 10:00 11:00 12:00 13:00 14:00 15:00 16:00 17:00 18:00 19:00
19:00
08:00 09:00 10:00 11:00 12:00 13:00 14:00 15:00 16:00 17:00 18:00 19:00

Мы постараемся перезвонить в указанное время

Если вы не хотите ждать, то звоните нашим вежливым консультантам:

8 800 100-2-700
Подтвердите, что вы не робот
Подтвердите, что вы не робот
Спасибо!

Ваше сообщение успешно отправлено!

ЗакрытьПовторить попытку