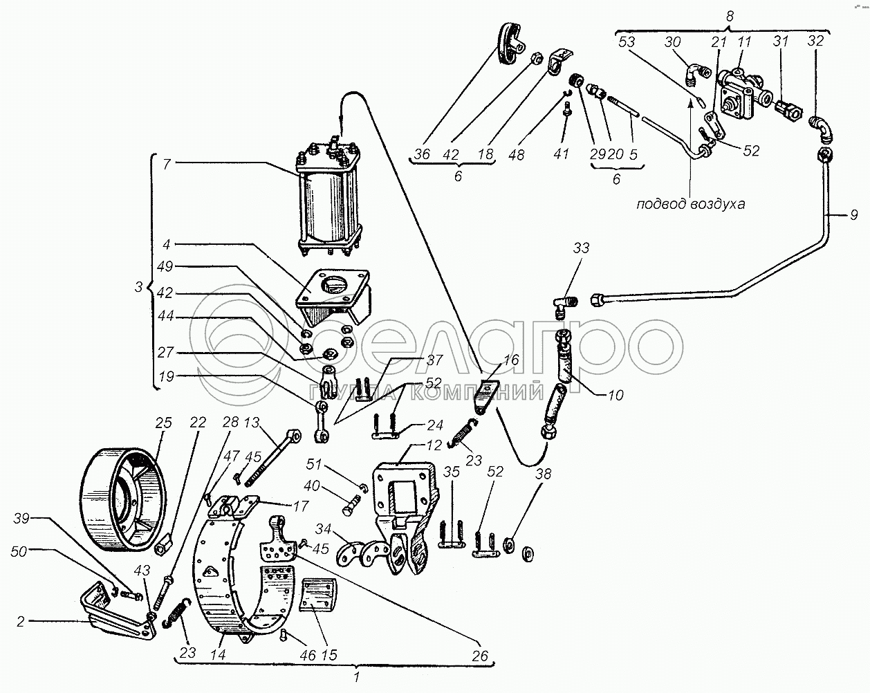
Каталог запасных частей к технике: ХТЗ Т-151К. Привод управления стояночным тормозом

zoom-in zoom-out enlarge shrink circle-right circle-left file-text2 info cart arraw right arraw left zoom out zoom in arraw maximize arraw minimize
1
2
3
4
5
6
6
7
8
9
10
12
13
14
15
16
17
18
19
20
21
22
23
24
24
25
26
26
27
28
29
30
31
32
33
34
35
36
37
38
39
40
41
42
43
43
44
45
46
46
47
48
49
50
51
52
53
53
53
54
1
151.46.011-1
Лента центрального тормоза
В узле: 1
2
151.46.014А
Кронштейн
В узле: 2
3
151.46.030
Пневмоаккумулятор
В узле: 1
4
151.46.031
Кронштейн
В узле: 1
5
151.46.033
Тяга
В узле: 1
6
151.46.034
Тяга
В узле: 1
7
120.46.018-01
Пневмоаккумулятор
В узле: 1
8
151.41.038-02
Кран
В узле: 1
9
151.64.045-1
Труба
В узле: 1
10
151.64.062
Трубка
В узле: 1
12
А29.71.000
Кран разобщительный
В узле: 1
13
151.46.102-2
Кронштейн центрального тормоза
В узле: 1
14
151.46.108
Тяга ленты
В узле: 1
15
151.46.111-1
Лента
В узле: 1
16
151.46.112
Колодка
В узле: 6
17
151.46.115-1
Кронштейн
В узле: 1
18
151.46.124
Кронштейн
В узле: 1
19
151.46.127-2
Кронштейн
В узле: 1
20
151.46.139-2
Тяга
В узле: 1
21
151.46.140-3
Втулка
В узле: 1
22
151.46.145
Рычаг
В узле: 1
23
151.46.234
Гайка регулировочная
В узле: 1
24
5.23.133
Пружина для оттяжки тормозных лент
В узле: 3
25
54.40.440
Палец
В узле: 1
26
125.46.101-1А
Барабан
В узле: 1
27
125.46.110
Ушко ленты
В узле: 1
28
150.21.273-2
Вилка
В узле: 1
29
150.23.161
Болт регулировочный
В узле: 2
30
150.48.250-05
Втулка
В узле: 1
31
151.64.151
Угольник
В узле: 1
32
151.64.155-5
Штуцер
В узле: 1
33
151.64.221
Угольник конечный
В узле: 1
34
151.64.222
Тройник
В узле: 1
35
А5.23.107-1
Рычаг тормоза
В узле: 2
36
А5.23.155
Палец пружины тормоза
В узле: 2
37
А13.28.000
Рукоятка
В узле: 1
38
А40-18-01
Палец
В узле: 1
39
ШШс-14х24х2
Шайба
В узле: 4
40
М10х16.7796
Болт
В узле: 4
41
М12х45.7796
Болт
В узле: 4
42
М6х12.7798
Болт
В узле: 2
43
М8.5915
Гайка
В узле: 5
44
М10.5915
Гайка
В узле: 2
45
М14.5915
Гайка
В узле: 1
46
6х20.10299
Заклепка
В узле: 11
47
4х12.10300
Заклепка
В узле: 22
48
4х20.10300
Заклепка
В узле: 2
49
6 65Г.6402
Шайба
В узле: 2
50
8 65Г.6402
Шайба
В узле: 4
51
10 65Г.6402
Шайба
В узле: 4
52
12 65Г.6402
Шайба
В узле: 4
53
3,2х20.397
Шплинт
В узле: 9
54
3.3х20.3128
Штифт
В узле: 1
Содержащиеся в справочниках-каталогах запасные части и детали не предлагаются к продаже, а носят исключительно информационный характер

Ваша заявка была отправлена. В ближайшее время наши специалисты с Вами свяжутся по указанному Вами телефону.

Представьтесь
Поле обязательно для заполнения
Ваш телефон
Введите правильный номер телефона
E-mail
Введите правильный e-mail
Тема
Тема
применяемость финансирование доставка цена, наличие другое сервис и гарантия
Время для звонка
08:00
08:00 09:00 10:00 11:00 12:00 13:00 14:00 15:00 16:00 17:00 18:00 19:00
19:00
08:00 09:00 10:00 11:00 12:00 13:00 14:00 15:00 16:00 17:00 18:00 19:00

Мы постараемся перезвонить в указанное время

Если вы не хотите ждать, то звоните нашим вежливым консультантам:

8 800 100-2-700
Подтвердите, что вы не робот
Подтвердите, что вы не робот
Спасибо!

Ваше сообщение успешно отправлено!

ЗакрытьПовторить попытку