Каталог запасных частей к технике: ХТЗ Т-151К. Стеклоомыватель

zoom-in zoom-out enlarge shrink circle-right circle-left file-text2 info cart arraw right arraw left zoom out zoom in arraw maximize arraw minimize
151.70.001
1
2
3
4
4
5
6
7
8
9
10
11
12
13
151.70.001
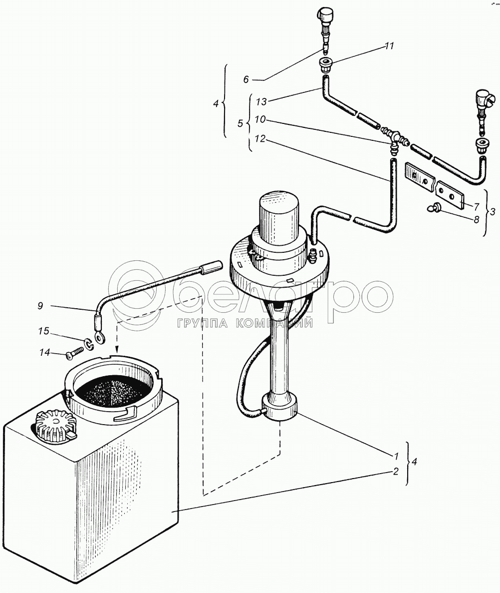
Стеклоомыватель
В узле: ---
1
11.5208100
Насос с электродвигателем
В узле: 1
2
11.5208200-01
Бачок омывателя
В узле: 1
3
125.48.040
Лента крепежная в сборе
В узле: 1
4
1102.5208000-02
Омыватель электрический
В узле: 1
5
1102.5208300-01
Трубопровод
В узле: 1
6
СО204-5208110
Жиклер
В узле: 2
7
125.48.140
Лента крепежная
В узле: 1
8
125.48.141
Фиксатор
В узле: 1
9
151.48.469
Провод
В узле: 1
10
2101-2/491255/1
Тройник
В узле: 1
11
2101-5208084
Втулка
В узле: 2
12
СО204-5208082-08
Трубка
В узле: 1
13
СО206-5208011
Трубка
В узле: 2
Содержащиеся в справочниках-каталогах запасные части и детали не предлагаются к продаже, а носят исключительно информационный характер

Ваша заявка была отправлена. В ближайшее время наши специалисты с Вами свяжутся по указанному Вами телефону.

Представьтесь
Поле обязательно для заполнения
Ваш телефон
Введите правильный номер телефона
E-mail
Введите правильный e-mail
Тема
Тема
применяемость финансирование доставка цена, наличие другое сервис и гарантия
Время для звонка
08:00
08:00 09:00 10:00 11:00 12:00 13:00 14:00 15:00 16:00 17:00 18:00 19:00
19:00
08:00 09:00 10:00 11:00 12:00 13:00 14:00 15:00 16:00 17:00 18:00 19:00

Мы постараемся перезвонить в указанное время

Если вы не хотите ждать, то звоните нашим вежливым консультантам:

8 800 100-2-700
Подтвердите, что вы не робот
Подтвердите, что вы не робот
Спасибо!

Ваше сообщение успешно отправлено!

ЗакрытьПовторить попытку