Каталог запасных частей к технике: ХТЗ Т-151К. Управление рулевое

zoom-in zoom-out enlarge shrink circle-right circle-left file-text2 info cart arraw right arraw left zoom out zoom in arraw maximize arraw minimize
151К.40.001-4
1
2
2
2
2
3
4
5
6
7
8
9
9
10
11
11
12
13
14
14
15
15
16
17
17
18
19
20
21
22
23
23
23
24
25
26
27
28
29
30
30
30
31
32
33
34
35
36
38
39
40
41
42
43
44
45
46
47
48
49
50
51
52
53
54
55
56
57
57
57
57
58
59
60
60
61
61
62
62
63
63
64
65
65
66
66
67
68
69
70
71
72
73
74
74
74
75
75
75
75
75
75
75
75
75
75
76
78
79
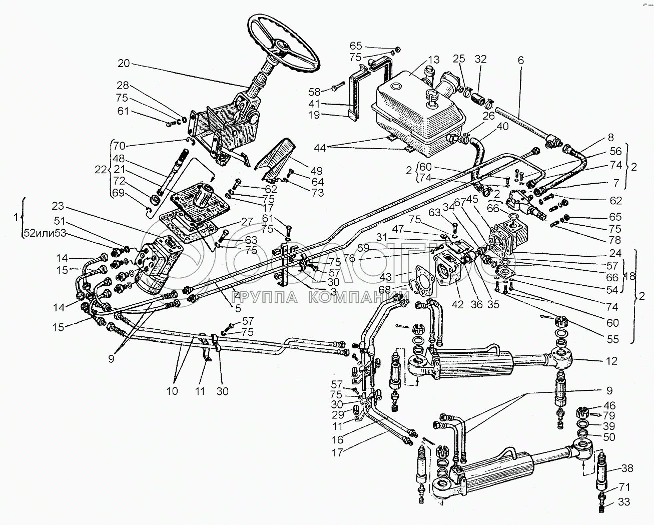
151К.40.001-4
Управление рулевое
В узле: ---
1
151К.40.010
Гидроруль
В узле: 1
2
151К.40.026
Насос
В узле: 1
3
151К.40.028
Кронштейн
В узле: 1
4
151К.40.029
Труба
В узле: 1
5
151К.40.030
Труба
В узле: 1
6
151К.40.031
Труба
В узле: 1
7
120.40.039-01
Клапан предохранительный
В узле: 1
8
150.61.020
Рукав
В узле: 1
9
150.61.020-01
Шланг
В узле: 6
10
150.61.020-04
Рукав
В узле: 2
11
151.40.027-3
Кронштейн
В узле: 3
12
151.40.040-36
Гидроцилиндр
В узле: 2
13
151.40.044-9
Бак гидросистемы
В узле: 1
14
151.40.050-1
Труба
В узле: 2
15
151.40.060
Труба
В узле: 2
16
151.40.074
Труба верхняя в сборе
В узле: 1
17
151.40.075
Труба нижняя в сборе
В узле: 1
18
151.40.089
Муфта
В узле: 1
19
151.57.036-3
Лента
В узле: 4
20
151М.40.085-03
Колонка рулевая
В узле: 1
21
170.40.014
Крышка
В узле: 1
22
170.40.015
Привод гидроруля
В узле: 1
23
SUB-200/500
Насос-дозатор
В узле: 1
23
OSPB-630-150-0048
Насос-дозатор
В узле: 1
23
HKUS-200/500
Насос-дозатор
В узле: 1
24
НШ32УК-3-Л
Насос
В узле: 1
25
ХСВА-35
Хомут
В узле: 2
26
ХСВА-43
Хомут
В узле: 2
27
151К.40.111
Прокладка
В узле: 1
28
74.47.501
Шайба
В узле: 4
29
74.54.435
Труба резиновая
В узле: 6
30
74.54.437
Зажим
В узле: 5
31
125.57.207
Прокладка
В узле: 1
32
125.57.208
Шланг
В узле: 1
33
150.41.299
Колпачок масленки
В узле: 4
34
150.53.131-1
Втулка муфты
В узле: 1
35
150.53.132
Муфта предохранительная
В узле: 1
36
150.53.133
Кольцо упорное
В узле: 2
37
151.40.199
Штуцер
В узле: 1
38
151.40.278
Палец
В узле: 4
39
151.40.296
Шайба 36-015 ГОСТ 11371-68
В узле: 4
40
151.40.328
Рукав
В узле: 1
41
151.57.147-1
Прокладка верхняя
В узле: 4
42
151.57.201-1
Корпус привода гидронасоса
В узле: 1
43
151.57.206-1
Прокладка
В узле: 1
44
151.57.246
Прокладка
В узле: 2
45
151.57.275
Прокладка
В узле: 1
46
151.72.226
Гайка специальная
В узле: 4
47
151М.37.723-1
Кронштейн
В узле: 1
48
170.40.111
Вал
В узле: 1
49
170.40.115
Щиток
В узле: 1
50
700А.34.00.013
Втулка
В узле: 4
51
А06-14
Шайба
В узле: 4
52
Н.036.04.005
Штуцер
В узле: 4
53
Н.036.05.003
Штуцер
В узле: 4
54
НШ32-0101035В
Муфта угловая
В узле: 1
55
М8х55.7795
Болт
В узле: 2
56
М8х60.7795
Болт
В узле: 3
57
М10х40.7795
Болт
В узле: 4
58
М10х65.7795
Болт
В узле: 2
59
М12х35.7795
Болт (d=12, l=35, L0=30, H=7, S=17)
В узле: 3
60
М8х25.7796
Болт
В узле: 3
61
М10х20.7796
Болт
В узле: 5
62
М10х25.7796
Болт
В узле: 6
63
М10х30.7796
Болт
В узле: 6
64
М6х10.17473
Винт
В узле: 2
65
М10.5915
Гайка
В узле: 4
66
028-033-30-2-2.9833
Кольцо
В узле: 3
67
1Б25.13940
Кольцо
В узле: 1
68
1Б72.13941
Кольцо
В узле: 1
69
В20.13942
Кольцо
В узле: 1
70
В47.13943
Кольцо
В узле: 1
71
1.3.19853
Масленка
В узле: 4
72
180204.8882
Подшипник
В узле: 1
73
6 65Г.6402
Шайба
В узле: 2
74
8 65Г.6402
Шайба
В узле: 8
75
10 65Г.6402
Шайба
В узле: 25
76
12 65Г.6402
Шайба
В узле: 3
77
10.04.11371
Шайба
В узле: 4
78
М10х30.22036
Шпилька (d=10, l=30, l0=25, l1=16)
В узле: 2
79
6,3х50.397
Шплинт
В узле: 4
Содержащиеся в справочниках-каталогах запасные части и детали не предлагаются к продаже, а носят исключительно информационный характер

Ваша заявка была отправлена. В ближайшее время наши специалисты с Вами свяжутся по указанному Вами телефону.

Представьтесь
Поле обязательно для заполнения
Ваш телефон
Введите правильный номер телефона
E-mail
Введите правильный e-mail
Тема
Тема
применяемость финансирование доставка цена, наличие другое сервис и гарантия
Время для звонка
08:00
08:00 09:00 10:00 11:00 12:00 13:00 14:00 15:00 16:00 17:00 18:00 19:00
19:00
08:00 09:00 10:00 11:00 12:00 13:00 14:00 15:00 16:00 17:00 18:00 19:00

Мы постараемся перезвонить в указанное время

Если вы не хотите ждать, то звоните нашим вежливым консультантам:

8 800 100-2-700
Подтвердите, что вы не робот
Подтвердите, что вы не робот
Спасибо!

Ваше сообщение успешно отправлено!

ЗакрытьПовторить попытку