Каталог запасных частей к технике: ХТЗ Т-25Ф. Электрооборудование в носовой части 25Ф.48.017

zoom-in zoom-out enlarge shrink circle-right circle-left file-text2 info cart arraw right arraw left zoom out zoom in arraw maximize arraw minimize
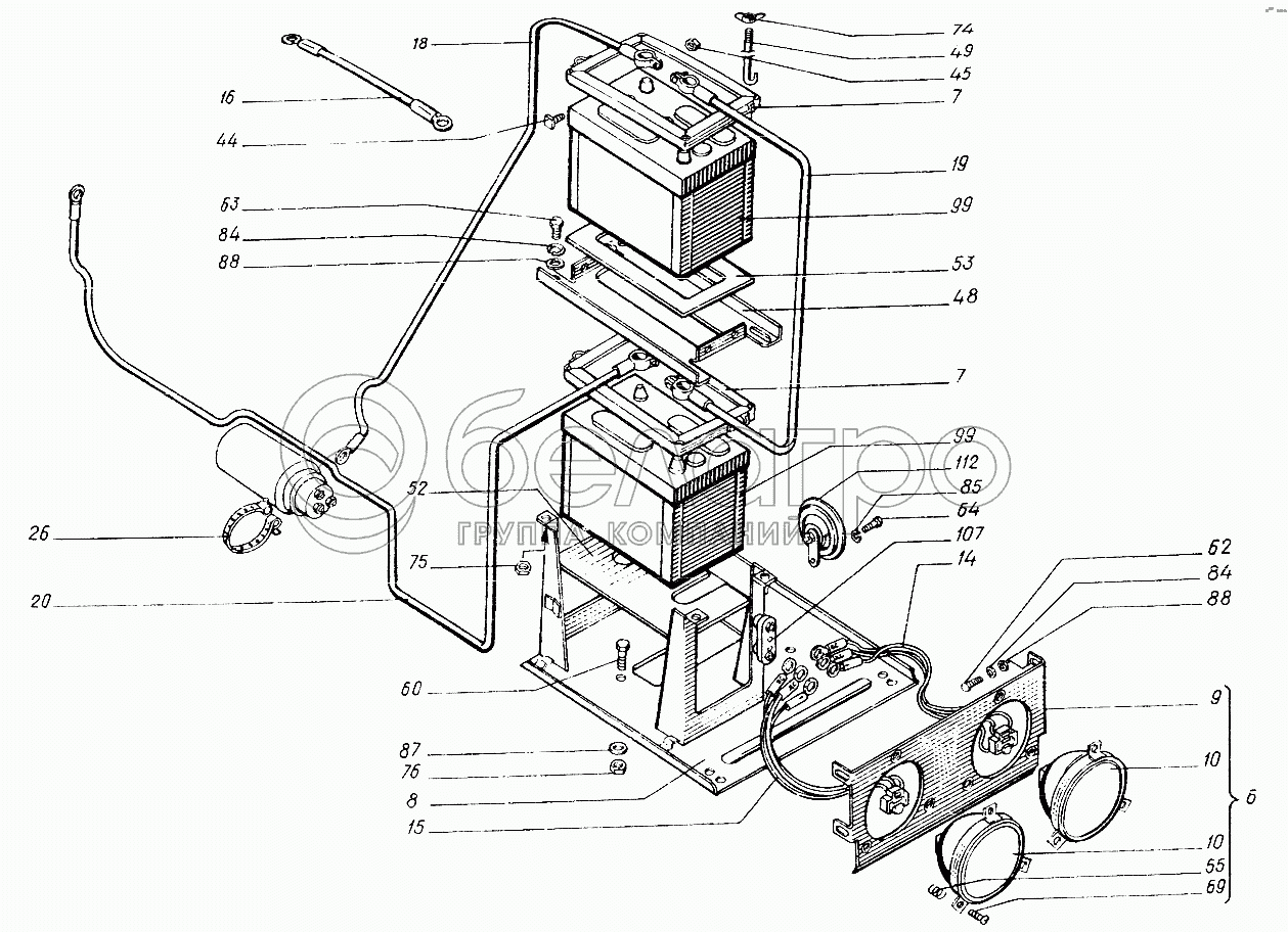
6
7
7
8
9
10
10
14
15
16
18
19
20
26
44
45
48
49
52
53
55
60
62
62
63
64
69
74
75
76
84
84
85
87
88
88
99
99
107
112
[Шайба С6.01.0115 ГОСТ11371-78]
Шайба С6.01.0115 ГОСТ11371-78
В узле: 16
[Шайба 6.65Г.05 ГОСТ6402-70]
Шайба 6.65Г.05 ГОСТ6402-70
В узле: 10
6
25Ф.48.020
Панель
В узле: 1
7
25Ф.48.022
Рамка
В узле: 2
8
25Ф.48.023-1
Основание
В узле: 1
9
25Ф.48.025
Панель
В узле: 1
10
25Ф.48.028
Фара
В узле: 1
10
25Ф.48.028
Фара
В узле: 1
14
25Ф.48.070
Жгут
В узле: 1
15
25Ф.48.073-1
Жгут
В узле: 2
16
25Ф.48.083
Провод
В узле: 1
18
25Ф.48.085
Провод
В узле: 1
19
25Ф.48.086
Провод
В узле: 1
20
25Ф.48.087-1
Провод
В узле: 1
21
25Ф.48.088
Провод
В узле: 1
26
125.48.040
Лента крепежная в сборе
В узле: 2
44
14.48.360
Болт
В узле: 4
45
14.48.361
Гайка
В узле: 4
48
25Ф.48.144
Постель
В узле: 1
49
25Ф.48.155
Шпилька
В узле: 4
52
25Ф.48.171
Подушка
В узле: 1
53
25Ф.48.172
Прокладка
В узле: 1
55
125.20.190
Пружина
В узле: 6
60
[Болт М12-6gх35.88.35.019 ГОСТ7796-70]
Болт М12-6gх35.88.35.019 ГОСТ7796-70
В узле: 4
62
[Болт М6-6gх16.88.35.019 ГОСТ7798-70]
Болт М6-6gх16.88.35.019 ГОСТ7798-70
В узле: 4
62
[Болт М6-6gх16.88.35.019 ГОСТ7798-70]
Болт М6-6gх16.88.35.019 ГОСТ7798-70
В узле: 1
63
[Болт М6-6gх20.88.35.019 ГОСТ7798-70]
Болт М6-6gх20.88.35.019 ГОСТ7798-70
В узле: 6
64
[Болт М8-6gх16.88.35.019 ГОСТ7798-70]
Болт М8-6gх16.88.35.019 ГОСТ7798-70
В узле: 1
69
[Винт ВМ6-6gх22.58.019 ГОСТ17473-80]
Винт ВМ6-6gх22.58.019 ГОСТ17473-80
В узле: 6
74
[Гайка М6-6Н.6.019 ГОСТ5915-70]
Гайка М6-6Н.6.019 ГОСТ5915-70
В узле: 4
75
[Гайка М6-6Н.6.019 ГОСТ5915-70]
Гайка М6-6Н.6.019 ГОСТ5915-70
В узле: 4
76
[Гайка М12-6Н.8.019 ГОСТ5915-70]
Гайка М12-6Н.8.019 ГОСТ5915-70
В узле: 4
84
[Шайба 6.65Г.05 ГОСТ6402-70]
Шайба 6.65Г.05 ГОСТ6402-70
В узле: 27
85
[Шайба 8.65Г.05 ГОСТ6402-70]
Шайба 8.65Г.05 ГОСТ6402-70
В узле: 1
87
[Шайба 12.ОТ.65Г.05 ГОСТ6402-70]
Шайба 12.ОТ.65Г.05 ГОСТ6402-70
В узле: 4
88
[Шайба С6.01.0115 ГОСТ11371-78]
Шайба С6.01.0115 ГОСТ11371-78
В узле: 14
99
[Батарея аккумуляторная 3СТ-155М ТУ16.729.159-79]
Батарея аккумуляторная 3СТ-155М ТУ16.729.159-79
В узле: 2
99
[Батарея аккумуляторная 3СТ-155М ТУ16.729.159-79]
Батарея аккумуляторная 3СТ-155М ТУ16.729.159-79
В узле: 2
107
[Панель соединительная 14.3723 ТУ37.003.1356-88]
Панель соединительная 14.3723 ТУ37.003.1356-88
В узле: 1
112
[Прибор звуковой сигнальный 3721-01 ТУ37.003.1388-89]
Прибор звуковой сигнальный 3721-01 ТУ37.003.1388-89
В узле: 1
Содержащиеся в справочниках-каталогах запасные части и детали не предлагаются к продаже, а носят исключительно информационный характер

Ваша заявка была отправлена. В ближайшее время наши специалисты с Вами свяжутся по указанному Вами телефону.

Представьтесь
Поле обязательно для заполнения
Ваш телефон
Введите правильный номер телефона
E-mail
Введите правильный e-mail
Тема
Тема
применяемость финансирование доставка цена, наличие другое сервис и гарантия
Время для звонка
08:00
08:00 09:00 10:00 11:00 12:00 13:00 14:00 15:00 16:00 17:00 18:00 19:00
19:00
08:00 09:00 10:00 11:00 12:00 13:00 14:00 15:00 16:00 17:00 18:00 19:00

Мы постараемся перезвонить в указанное время

Если вы не хотите ждать, то звоните нашим вежливым консультантам:

8 800 100-2-700
Подтвердите, что вы не робот
Подтвердите, что вы не робот
Спасибо!

Ваше сообщение успешно отправлено!

ЗакрытьПовторить попытку