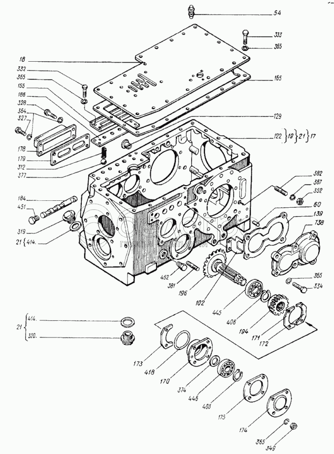
Каталог запасных частей к технике: ХТЗ Т-25Ф. Коробка передач (блокировка передач) 25Ф.37.010

zoom-in zoom-out enlarge shrink circle-right circle-left file-text2 info cart arraw right arraw left zoom out zoom in arraw maximize arraw minimize
17
17
18
19
19
21
21
21
21
21
21
54
60
60
102
102
122
122
129
138
138
139
139
155
165
165
170
170
171
171
172
172
173
173
174
174
175
175
178
178
179
179
184
184
186
186
194
194
196
196
312
312
319
319
320
320
327
327
328
332
333
334
334
349
349
352
364
364
365
365
365
365
365
365
365
365
367
367
374
377
381
381
382
382
403
403
406
406
414
414
414
414
418
418
445
445
446
446
451
452
452
418
070-080-58-2-2
Кольцо ГОСТ18829-73
В узле: 1
070-080-58-2-2 Кольцо уплотнительное, Беларусь Под заказ 52.24 р.
332
[Болт М10-6gх20.88.35.019 ГОСТ7796-70]
Болт М10-6gх20.88.35.019 ГОСТ7796-70
В узле: 8
333
[Болт М10-6gх25.88.35.019 ГОСТ7796-70]
Болт М10-6gх25.88.35.019 ГОСТ7796-70
В узле: 26
328
[Болт М8-6gх25.88.35.019 ГОСТ7796-70]
Болт М8-6gх25.88.35.019 ГОСТ7796-70
В узле: 2
[Гайка М10-6Н.6.019 ГОСТ5915-70]
Гайка М10-6Н.6.019 ГОСТ5915-70
В узле: 4
352
[Гайка М12х1,25-6Н.6.019 ГОСТ5915-70]
Гайка М12х1,25-6Н.6.019 ГОСТ5915-70
В узле: 20
367
[Шайба 12Т.65Г.05 ГОСТ6402-70]
Шайба 12Т.65Г.05 ГОСТ6402-70
В узле: 11
17
25Ф.37.010
Коробка передач
В узле: 1
18
25Ф.37.011
Крышка
В узле: 1
19
25Ф.37.012
Картер
В узле: 1
21
25Ф.37.016
Картер
В узле: 1
129
25Ф.37.112
Втулка
В узле: 2
54
125.72.019
Сапун в сборе
В узле: 1
60
7.37.233
Штифт
В узле: 4
102
25Ф.21.210-1
Упор
В узле: 1
122
25Ф.37.101
Картер
В узле: 1
138
25Ф.37.123
Крышка
В узле: 1
139
25Ф.37.124
Прокладка
В узле: 1
142
25Ф.37.105
Крышка
В узле: 1
155
25Ф.37.149
Крышка
В узле: 1
165
25Ф.37.159
Прокладка
В узле: 1
170
25Ф.37.167
Гнездо подшипника
В узле: 1
171
25Ф.37.170
Прокладка
В узле: 2
172
25Ф.37.170-01
Прокладка
В узле: 8
173
25Ф.37.170-02
Прокладка
В узле: 2
174
25Ф.37.171
Крышка
В узле: 1
175
25Ф.37.172
Прокладка
В узле: 1
178
25Ф.37.178
Крышка
В узле: 2
179
25Ф.37.179
Прокладка
В узле: 2
184
25Ф.37.188
Валик
В узле: 1
186
25Ф.37.190
Прокладка
В узле: 1
194
25Ф.37.211
Шестерня
В узле: 1
196
25Ф.37.213
Шестерня коническая
В узле: 1
312
150.21.221
Пружина отжимная
В узле: 4
319
ПММ-1-39-1
Пробка
В узле: 1
320
ПММ-39Б
Пробка магнитная
В узле: 1
327
[Болт М18-6gх20.88.35.019 ГОСТ7796-70]
Болт М18-6gх20.88.35.019 ГОСТ7796-70
В узле: 8
327
[Болт М8-6gх20.88.35.019 ГОСТ7796-70]
Болт М8-6gх20.88.35.019 ГОСТ7796-70
В узле: 10
334
[Болт М10-6gх30.88.35.019 ГОСТ7796-70]
Болт М10-6gх30.88.35.019 ГОСТ7796-70
В узле: 14
349
[Гайка М8х1.6Н.6.019 ГОСТ5915-70]
Гайка М8х1.6Н.6.019 ГОСТ5915-70
В узле: 3
364
[Шайба 8.65Г.05 ГОСТ6402-70]
Шайба 8.65Г.05 ГОСТ6402-70
В узле: 3
365
[Шайба 10.65Г.05 ГОСТ6402-70]
Шайба 10.65Г.05 ГОСТ6402-70
В узле: 8
374
[Шайба С24.01.0115 ГОСТ11371-78]
Шайба С24.01.0115 ГОСТ11371-78
В узле: 1
377
[Шарик 15,081-60 ГОСТ3722-81]
Шарик 15,081-60 ГОСТ3722-81
В узле: 4
381
[Шпилька М10х24/6gх35.66.016 ГОСТ22037-76]
Шпилька М10х24/6gх35.66.016 ГОСТ22037-76
В узле: 4
382
[Шпилька М12х24/1,25-6gх32.88.016 ГОСТ22037-76]
Шпилька М12х24/1,25-6gх32.88.016 ГОСТ22037-76
В узле: 20
403
В25
Кольцо ГОСТ13942-86
В узле: 1
406
В40
Кольцо ГОСТ13942-86
В узле: 1
414
КУ-39
Кольцо уплотняющее
В узле: 1
445
2ВО-308А
Подшипник ТУ37.006.153-89
В узле: 1
446
ВО-305АШ
Подшипник ТУ37.006.153-89
В узле: 1
451
[Пробка КГ 1/2".40.019 ГОСТ23.1.117-83]
Пробка КГ 1/2".40.019 ГОСТ23.1.117-83
В узле: 1
451
[Пробка КГ1/2".40.019 ГОСТ23.1.117-83]
Пробка КГ1/2".40.019 ГОСТ23.1.117-83
В узле: 1
452
[Пробка КГ 1/4".40.019 ГОСТ23.1.117-83]
Пробка КГ 1/4".40.019 ГОСТ23.1.117-83
В узле: 1
452
[Пробка КГ1/4".40.019 ГОСТ23.1.117-83]
Пробка КГ1/4".40.019 ГОСТ23.1.117-83
В узле: 1
Содержащиеся в справочниках-каталогах запасные части и детали не предлагаются к продаже, а носят исключительно информационный характер

Ваша заявка была отправлена. В ближайшее время наши специалисты с Вами свяжутся по указанному Вами телефону.

Представьтесь
Поле обязательно для заполнения
Ваш телефон
Введите правильный номер телефона
E-mail
Введите правильный e-mail
Тема
Тема
применяемость финансирование доставка цена, наличие другое сервис и гарантия
Время для звонка
08:00
08:00 09:00 10:00 11:00 12:00 13:00 14:00 15:00 16:00 17:00 18:00 19:00
19:00
08:00 09:00 10:00 11:00 12:00 13:00 14:00 15:00 16:00 17:00 18:00 19:00

Мы постараемся перезвонить в указанное время

Если вы не хотите ждать, то звоните нашим вежливым консультантам:

8 800 100-2-700
Подтвердите, что вы не робот
Подтвердите, что вы не робот
Спасибо!

Ваше сообщение успешно отправлено!

ЗакрытьПовторить попытку