Каталог запасных частей к технике: ХТЗ Т-25Ф. Моторно-трансмиссионный блок 25Ф.00.002

zoom-in zoom-out enlarge shrink circle-right circle-left file-text2 info cart arraw right arraw left zoom out zoom in arraw maximize arraw minimize
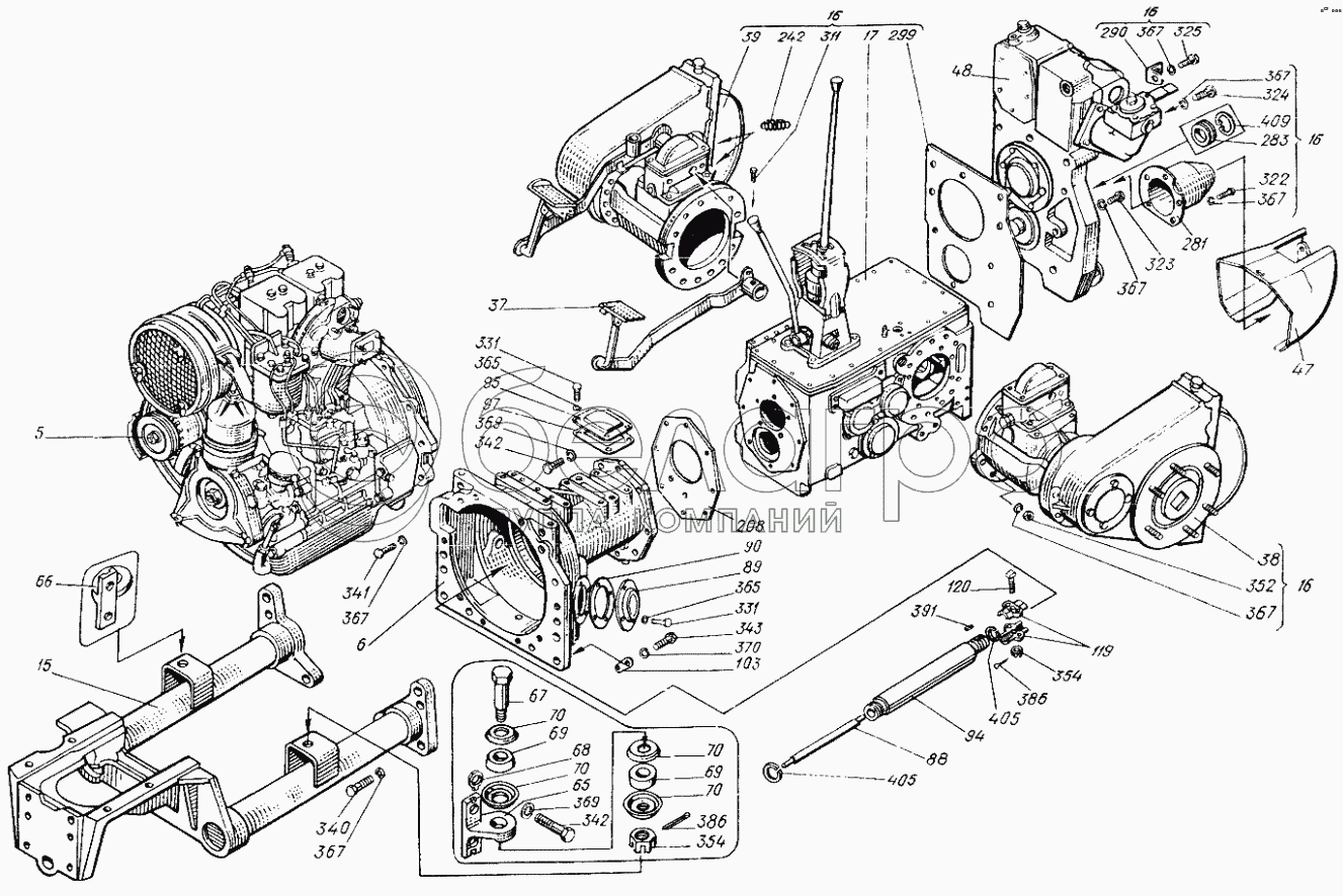
5
5
6
6
15
15
16
16
16
16
16
16
16
17
17
37
37
38
38
39
39
47
47
48
48
65
65
66
66
67
67
68
68
69
69
69
69
70
70
70
70
70
70
70
70
88
88
89
89
90
90
94
94
95
95
97
97
103
103
119
119
120
120
208
208
242
242
281
281
283
283
290
290
299
299
311
311
322
322
323
323
324
324
325
325
325
331
331
331
331
340
340
341
341
342
342
342
342
343
343
352
352
354
354
354
354
365
365
365
365
367
367
367
367
367
367
367
367
367
367
367
367
367
367
367
369
369
369
369
369
370
370
386
386
386
386
391
391
405
405
405
405
409
5
25Ф.01.010-1
Двигатель
В узле: 1
5
25Ф.01.010-1
Двигатель
В узле: 1
6
25Ф.21.010
Муфта сцепления
В узле: 1
6
25Ф.21.010
Муфта сцепления
В узле: 1
15
25Ф.30.011
Полурама
В узле: 1
15
25Ф.30.011
Полурама
В узле: 1
16
25Ф.37.002
Трансмиссия
В узле: 1
16
25ФМ.37.002
Трансмиссия
В узле: 1
17
25Ф.37.010
Коробка передач
В узле: 1
17
25ФМ.37.010
Коробка передач
В узле: 1
37
25Ф.38.022
Педаль левая
В узле: 1
37
25Ф.38.012
Педаль левая
В узле: 1
38
25Ф.39.002
Редуктор бортовой с тормозами
В узле: 1
38
25Ф.39.002
Редуктор бортовой с тормозами
В узле: 1
39
25Ф.39.002-01
Редуктор бортовой с тормозами
В узле: 1
39
25Ф.39.002-01
Редуктор бортовой с тормозами
В узле: 1
47
25Ф.41.023
Кожух
В узле: 1
47
25Ф.41.023
Кожух
В узле: 1
48
25Ф.57.010
Корпус гидромеханизма
В узле: 1
48
25ФМ.57.010
Корпус гидромеханизма
В узле: 1
65
25Ф.01.102
Опора
В узле: 1
65
25Ф.01.102
Опора
В узле: 1
66
25Ф.01.103
Опора
В узле: 1
66
25Ф.01.103
Опора
В узле: 1
67
25Ф.01.104
Болт
В узле: 2
67
25Ф.01.104
Болт
В узле: 2
68
25Ф.01.105
Шайба
В узле: 4
68
25Ф.01.105
Шайба
В узле: 4
69
25Ф.01.111
Подушка
В узле: 4
69
25Ф.01.111
Подушка
В узле: 4
70
25Ф.01.112
Обойма
В узле: 8
70
25Ф.01.112
Обойма
В узле: 8
88
25Ф.21.131
Вал
В узле: 1
88
25Ф.21.131
Вал
В узле: 1
89
25Ф.21.133
Крышка
В узле: 1
89
25Ф.21.133
Крышка
В узле: 1
90
25Ф.21.134
Прокладка
В узле: 1
90
25Ф.21.134
Прокладка
В узле: 1
94
25Ф.21.142
Поводок
В узле: 1
94
25Ф.21.142
Поводок
В узле: 1
95
25Ф.21.143
Крышка
В узле: 1
95
25Ф.21.143
Крышка
В узле: 1
97
25Ф.21.147
Прокладка
В узле: 1
97
25Ф.21.147
Прокладка
В узле: 1
103
25Ф.21.212-1
Зацеп
В узле: 1
103
25Ф.21.212-1
Зацеп
В узле: 1
119
25Ф.36.101
Боковина муфты
В узле: 2
119
25Ф.36.101
Боковина муфты
В узле: 2
120
25Ф.36.102
Болт
В узле: 1
120
25Ф.36.102
Болт
В узле: 1
208
25Ф.37.235
Прокладка
В узле: 1
208
25Ф.37.235
Прокладка
В узле: 1
242
25Ф.38.115
Пружина
В узле: 1
242
25Ф.38.115
Пружина
В узле: 1
281
25Ф.41.110
Колпак
В узле: 1
281
25Ф.41.110
Колпак
В узле: 1
283
25Ф.41.112
Втулка центрирующая
В узле: 1
283
25Ф.41.112
Втулка центрирующая
В узле: 1
290
25Ф.54.141
Кронштейн
В узле: 1
290
25Ф.54.141
Кронштейн
В узле: 1
299
25Ф.57.217
Прокладка
В узле: 1
299
25Ф.57.217
Прокладка
В узле: 1
311
125.37.299-01-10
Болт стопорный
В узле: 1
311
125.37.299-01-10
Болт стопорный
В узле: 1
322
[Болт M12-6gх45.88.35.019 ГОСТ7795-70]
Болт M12-6gх45.88.35.019 ГОСТ7795-70
В узле: 3
322
[Болт М12-6gх45.88.35.019 ГОСТ7795-70]
Болт М12-6gх45.88.35.019 ГОСТ7795-70
В узле: 3
323
[Болт M12-6gх55.88.35.019 ГОСТ7795-70]
Болт M12-6gх55.88.35.019 ГОСТ7795-70
В узле: 1
323
[Болт М12-6gх55.88.35.019 ГОСТ7795-70]
Болт М12-6gх55.88.35.019 ГОСТ7795-70
В узле: 1
324
[Болт М12-6gх85.88.35.019 ГОСТ7795-70]
Болт М12-6gх85.88.35.019 ГОСТ7795-70
В узле: 3
324
[Болт М12-6gх85.88.35.019 ГОСТ7795-70]
Болт М12-6gх85.88.35.019 ГОСТ7795-70
В узле: 3
325
[Болт М12-6gх120.88.35.019 ГОСТ7795-70]
Болт М12-6gх120.88.35.019 ГОСТ7795-70
В узле: 3
325
[Болт М12-6gх120.88.35.019 ГОСТ7795-70]
Болт М12-6gх120.88.35.019 ГОСТ7795-70
В узле: 3
325
[Болт М12-6gх120.88.35.019 ГОСТ7795-70]
Болт М12-6gх120.88.35.019 ГОСТ7795-70
В узле: 3
331
[Болт М10-6gх16.88.35.019 ГОСТ7796-70]
Болт М10-6gх16.88.35.019 ГОСТ7796-70
В узле: 4
331
[Болт М10-6gх16.88.35.019 ГОСТ7796-70]
Болт М10-6gх16.88.35.019 ГОСТ7796-70
В узле: 4
340
[Болт М12-6gх40.88.35.019 ГОСТ7796-70]
Болт М12-6gх40.88.35.019 ГОСТ7796-70
В узле: 7
340
[Болт М12-6gх40.88.35.019 ГОСТ7796-70]
Болт М12-6gх40.88.35.019 ГОСТ7796-70
В узле: 7
341
[Болт М12-6gх45.88.35.019 ГОСТ7796-70]
Болт М12-6gх45.88.35.019 ГОСТ7796-70
В узле: 4
341
[Болт М12-6gх45.88.35.019 ГОСТ7796-70]
Болт М12-6gх45.88.35.019 ГОСТ7796-70
В узле: 4
342
[Болт М14-6gх40.88.35.019 ГОСТ7796-70]
Болт М14-6gх40.88.35.019 ГОСТ7796-70
В узле: 12
342
[Болт М14-6gх40.88.35.019 ГОСТ7796-70]
Болт М14-6gх40.88.35.019 ГОСТ7796-70
В узле: 12
343
[Болт М16-6gх55.88.35.019 ГОСТ7796-70]
Болт М16-6gх55.88.35.019 ГОСТ7796-70
В узле: 8
343
[Болт М16-6gх55.88.35.019 ГОСТ7796-70]
Болт М16-6gх55.88.35.019 ГОСТ7796-70
В узле: 8
352
[Гайка М12х1,25-6Н.6.019 ГОСТ5915-70]
Гайка М12х1,25-6Н.6.019 ГОСТ5915-70
В узле: 20
352
[Гайка М12х1,25-6Н.6.019 ГОСТ5915-70]
Гайка М12х1,25-6Н.6.019 ГОСТ5915-70
В узле: 20
354
[Гайка М14х1,5-6Н.8.40.019 ГОСТ5932-75]
Гайка М14х1,5-6Н.8.40.019 ГОСТ5932-75
В узле: 3
354
[Гайка М14х1,5-6Н.8.40.019ГОСТ5932-75]
Гайка М14х1,5-6Н.8.40.019ГОСТ5932-75
В узле: 3
365
[Шайба 10.65Г.05 ГОСТ6402-70]
Шайба 10.65Г.05 ГОСТ6402-70
В узле: 8
365
[Шайба 10.65Г.05 ГОСТ6402-70]
Шайба 10.65Г.05 ГОСТ6402-70
В узле: 8
367
[Шайба 12Т.65Г.05 ГОСТ6402-70]
Шайба 12Т.65Г.05 ГОСТ6402-70
В узле: 11
367
[Шайба 12Т.65Г.05 ГОСТ6402-70]
Шайба 12Т.65Г.05 ГОСТ6402-70
В узле: 11
369
[Шайба 14Т.65Г.05 ГОСТ6402-70]
Шайба 14Т.65Г.05 ГОСТ6402-70
В узле: 12
369
[Шайба 14Т.65Г.05 ГОСТ6402-70]
Шайба 14Т.65Г.05 ГОСТ6402-70
В узле: 12
370
[Шайба 16Т.65Г.05 ГОСТ6402-70]
Шайба 16Т.65Г.05 ГОСТ6402-70
В узле: 8
370
[Шайба 16Т.65Г.05 ГОСТ6402-70]
Шайба 16Т.65Г.05 ГОСТ6402-70
В узле: 8
386
[Шплинт 3,2х25.016 ГОСТ397-79]
Шплинт 3,2х25.016 ГОСТ397-79
В узле: 3
386
[Шплинт 3,2х25.016 ГОСТ397-79]
Шплинт 3,2х25.016 ГОСТ397-79
В узле: 3
391
[Шпонка 2-6х6х32 ГОСТ23360-78]
Шпонка 2-6х6х32 ГОСТ23360-78
В узле: 4
391
[Шпонка 2-6х6х32 ГОСТ23360-78]
Шпонка 2-6х6х32 ГОСТ23360-78
В узле: 4
405
В38
Кольцо ГОСТ13942-86
В узле: 2
405
В38
Кольцо ГОСТ13942-86
В узле: 2
409
В85
Кольцо ГОСТ13942-86
В узле: 1
Содержащиеся в справочниках-каталогах запасные части и детали не предлагаются к продаже, а носят исключительно информационный характер

Ваша заявка была отправлена. В ближайшее время наши специалисты с Вами свяжутся по указанному Вами телефону.

Представьтесь
Поле обязательно для заполнения
Ваш телефон
Введите правильный номер телефона
E-mail
Введите правильный e-mail
Тема
Тема
применяемость финансирование доставка цена, наличие другое сервис и гарантия
Время для звонка
08:00
08:00 09:00 10:00 11:00 12:00 13:00 14:00 15:00 16:00 17:00 18:00 19:00
19:00
08:00 09:00 10:00 11:00 12:00 13:00 14:00 15:00 16:00 17:00 18:00 19:00

Мы постараемся перезвонить в указанное время

Если вы не хотите ждать, то звоните нашим вежливым консультантам:

8 800 100-2-700
Подтвердите, что вы не робот
Подтвердите, что вы не робот
Спасибо!

Ваше сообщение успешно отправлено!

ЗакрытьПовторить попытку