Каталог запасных частей к технике: Lemken Azurit 9. 30210077 Contents

zoom-in zoom-out enlarge shrink circle-right circle-left file-text2 info cart arraw right arraw left zoom out zoom in arraw maximize arraw minimize
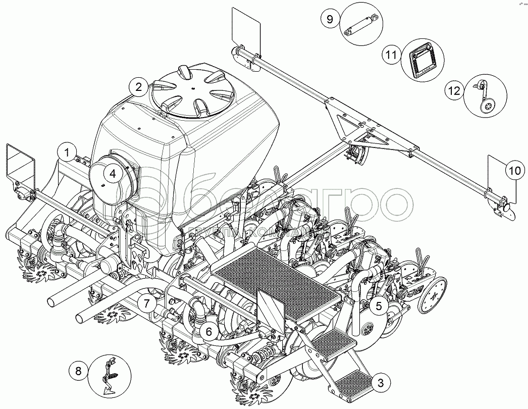
1
1
1
1
1
1
1
1
1
1
1
1
1
1
1
1
1
1
1
1
1
1
1
1
1
1
1
2
2
2
2
2
2
2
2
3
3
3
4
4
4
4
4
4
5
5
5
5
5
5
5
5
5
5
5
5
5
5
5
5
5
5
5
5
5
5
5
5
5
5
5
5
5
6
6
6
6
6
6
6
6
6
6
6
6
6
6
6
6
7
7
7
7
7
7
7
7
8
8
8
8
9
9
9
9
9
9
9
9
9
9
9
9
9
9
9
9
9
9
9
9
10
10
10
10
10
10
10
10
10
10
10
10
10
10
10
10
10
10
10
10
10
10
10
10
10
10
10
10
10
10
10
10
10
10
10
11
11
11
11
11
11
11
11
11
11
11
11
11
11
11
11
11
11
11
11
11
11
11
11
11
11
11
11
11
11
11
11
11
11
11
11
11
11
11
11
11
11
11
12
12
12
12
12
12
12
12
12
12
12
12
12
1
30210077
Turnbuckle
В узле: ---
1
321 9845
Spanner
В узле: ---
1
59010101
Label set
В узле: ---
1
59010103
Label set
В узле: ---
1
68310011
Center section
В узле: ---
1
68310020
Lateral section
В узле: ---
1
68310021
Lateral section
В узле: ---
1
68310026
Coulter frame
В узле: ---
1
68310027
Coulter frame
В узле: ---
1
68310038
Lateral section
В узле: ---
1
68310039
Lateral section
В узле: ---
1
68310040
Coulter frame
В узле: ---
1
68310041
Coulter frame
В узле: ---
1
68310046
Coulter frame
В узле: ---
1
68310047
Coulter frame
В узле: ---
1
68310051
Cover
В узле: ---
1
68310058
Coulter frame
В узле: ---
1
68310059
Coulter frame
В узле: ---
1
68310062
Basic frame
В узле: ---
1
68310082
Coulter frame
В узле: ---
1
68310083
Coulter frame
В узле: ---
1
68310084
Coulter frame
В узле: ---
1
68310085
Coulter frame
В узле: ---
1
68310094
Holder
В узле: ---
1
68310095
Holder
В узле: ---
1
68310115
Cover
В узле: ---
1
68310116
Accessories
В узле: ---
2
68310032
Pre-dosage lower part
В узле: ---
2
68310033
Pre-dosage
В узле: ---
2
68310034
Pre-dosage
В узле: ---
2
68310035
Pre-dosage
В узле: ---
2
68310044
Pre-dosage
В узле: ---
2
68310045
Pre-dosage
В узле: ---
2
68310050
Hopper
В узле: ---
2
68310053
Emptying unit for hopper
В узле: ---
3
68310028
Step
В узле: ---
3
68310065
Step
В узле: ---
3
68310066
Step
В узле: ---
4
58210111
Fan
В узле: ---
4
58310010
Fan
В узле: ---
4
68310031
Fan
В узле: ---
4
68310042
Cover
В узле: ---
4
68310049
Air filter
В узле: ---
4
68310093
Cover
В узле: ---
5
54710005
Catching roller
В узле: ---
5
54710008
Depth guiding roller
В узле: ---
5
54710009
Roller
В узле: ---
5
54710011
Catching roller
В узле: ---
5
58210083
Link
В узле: ---
5
58210084
Bracket
В узле: ---
5
58310005
Parallelogram
В узле: ---
5
58310006
Parallelogram
В узле: ---
5
58310015
Parallelogram
В узле: ---
5
58310022
Cover box
В узле: ---
5
58310023
Cover box
В узле: ---
5
58310030
Depth guiding roller
В узле: ---
5
68310002
Parallelogram
В узле: ---
5
68310003
Trapeze packer roller
В узле: ---
5
68310004
Catching roller unit
В узле: ---
5
68310009
Depth guiding
В узле: ---
5
68310014
Disc carrier
В узле: ---
5
68310015
Disc carrier
В узле: ---
5
68310067
Levelling roller
В узле: ---
5
68310068
Double disc coulter
В узле: ---
5
68310069
Roughing star
В узле: ---
5
68310092
Scraper
В узле: ---
5
68310101
Seed disc
В узле: ---
5
68310102
Seed disc
В узле: ---
5
68310106
Seed disc
В узле: ---
5
68310107
Seed disc
В узле: ---
5
68310114
Thinning out device
В узле: ---
5
68310123
Depth guiding
В узле: ---
5
69910420
Coulter
В узле: ---
6
68310052
Hose guiding
В узле: ---
6
68310054
Distributor
В узле: ---
6
68310055
Distributor
В узле: ---
6
68310056
Distributor
В узле: ---
6
68310057
Distributor
В узле: ---
6
68310064
Distributor
В узле: ---
6
68310078
Hose guiding
В узле: ---
6
68310079
Hose guiding
В узле: ---
6
68310086
Distributor
В узле: ---
6
68310087
Distributor
В узле: ---
6
68310090
Hose guiding
В узле: ---
6
68310118
Distributor
В узле: ---
6
68310119
Distributor
В узле: ---
6
68310120
Distributor
В узле: ---
6
68310121
Distributor
В узле: ---
6
68310122
Distributor
В узле: ---
7
31310070
Top link pin
В узле: ---
7
31310158
Top link pin
В узле: ---
7
57511362
Repair kit
В узле: ---
7
661 1367
Lower link connection
В узле: ---
7
661 1368
Lower link connection
В узле: ---
7
66110011
Lower link connection
В узле: ---
7
68310029
Lower link connection
В узле: ---
7
68310043
Lower link connection
В узле: ---
8
557 2520
Holder for track scraper
В узле: ---
8
557 4995
Track scraper
В узле: ---
8
657 4990
Track scraper with holder
В узле: ---
8
657 4998
Track scraper with holder
В узле: ---
9
575 2533
Ram
В узле: ---
9
575 2553
Hydraulic ram
В узле: ---
9
575 2576
Hydraulic ram
В узле: ---
9
57510820
Hydraulic motor
В узле: ---
9
57510984
Hydraulic ram
В узле: ---
9
57510988
Hydraulic ram
В узле: ---
9
57510991
Valve combination
В узле: ---
9
67510802
HY-assembly track marker
В узле: ---
9
67510803
HY-assembly basic equipment
В узле: ---
9
67510804
Hydraulic assembly fan
В узле: ---
9
67510805
HY-assembly track marker
В узле: ---
9
67510807
HY-assembly curr.regulat.valve
В узле: ---
9
67510808
Hydraulic assembly
В узле: ---
9
67510809
HY assembly seeding bar
В узле: ---
9
67510811
Hy-assembly seeding bar
В узле: ---
9
67510812
Hy-assembly seeding bar
В узле: ---
9
67510813
HY-assembly track marker
В узле: ---
9
67510856
Hy-assembly seeding bar
В узле: ---
9
67510857
Hy-assembly seeding bar
В узле: ---
9
67510989
Hy-assembly seeding bar
В узле: ---
10
321 9914
Reflector, red
В узле: ---
10
321 9915
Reflector, red
В узле: ---
10
373 4260
Cable
В узле: ---
10
37310126
Rear light
В узле: ---
10
37310127
Rear light
В узле: ---
10
37310157
Basic cable
В узле: ---
10
37310196
Basic cable
В узле: ---
10
570 1762
Lighting unit
В узле: ---
10
570 1763
Lighting unit
В узле: ---
10
57010014
Warning board
В узле: ---
10
57010015
Warning board
В узле: ---
10
57010082
Lighting unit
В узле: ---
10
57010083
Lighting unit
В узле: ---
10
57010086
Protective tilt
В узле: ---
10
57010087
Protective tilt
В узле: ---
10
57010088
Protective tilt
В узле: ---
10
57010089
Protective tilt
В узле: ---
10
57010090
Protective tilt
В узле: ---
10
57010091
Protective tilt
В узле: ---
10
57010092
Protective tilt
В узле: ---
10
57010093
Protective tilt
В узле: ---
10
57010094
Protective tilt
В узле: ---
10
57010095
Protective tilt
В узле: ---
10
57010102
Lighting unit
В узле: ---
10
57010103
Lighting unit
В узле: ---
10
57010132
Lighting unit
В узле: ---
10
57010133
Lighting unit
В узле: ---
10
67010137
Cable
В узле: ---
10
67010138
Cable
В узле: ---
10
67010202
Lighting equipment
В узле: ---
10
67010204
Lighting equipment
В узле: ---
10
67010206
Lighting equipment
В узле: ---
10
67010207
Set of warning boards
В узле: ---
10
67310205
Work lighting
В узле: ---
10
67310319
Electronic installation
В узле: ---
11
573 6172
Connection cable
В узле: ---
11
57310195
Connecting cable
В узле: ---
11
57310196
Connecting cable
В узле: ---
11
57310197
Connecting cable
В узле: ---
11
57310198
Connecting cable
В узле: ---
11
57310199
Connecting cable
В узле: ---
11
57310241
Dongle
В узле: ---
11
57310278
Holder
В узле: ---
11
57310507
Dummy plug
В узле: ---
11
57310549
Operation terminal
В узле: ---
11
57310586
Dongle
В узле: ---
11
673 4981
Holder
В узле: ---
11
673 4982
Holder
В узле: ---
11
673 6207
Joystickbox
В узле: ---
11
673 6210
Operation terminal
В узле: ---
11
673 6218
Camera monitoring
В узле: ---
11
67310063
GSM-Box
В узле: ---
11
67310064
D-GPS receiver
В узле: ---
11
67310065
f. Fahrtrichtung
В узле: ---
11
67310066
Switch box
В узле: ---
11
67310067
Camera monitoring
В узле: ---
11
67310068
Supplementary set
В узле: ---
11
67310071
CCI.Courier
В узле: ---
11
67310073
CCI.Control
В узле: ---
11
67310088
Cable form
В узле: ---
11
67310089
Cable form
В узле: ---
11
67310099
Parallel driving system
В узле: ---
11
67310100
Section Control
В узле: ---
11
67310194
D-GPS receiver
В узле: ---
11
67310197
Holder wheel sensor
В узле: ---
11
67310198
Operation terminal
В узле: ---
11
67310290
Operation terminal
В узле: ---
11
67310291
Cable
В узле: ---
11
67310292
Supplementary set
В узле: ---
11
67310294
Holder
В узле: ---
11
67310314
Electronic installation
В узле: ---
11
67310315
Electronic installation
В узле: ---
11
67310316
Electronic installation
В узле: ---
11
67310317
Electronic installation
В узле: ---
11
68310061
Angle sensor Lifting
В узле: ---
11
699 6714
Operation terminal
В узле: ---
11
699 6721
Speed sensor
В узле: ---
11
R18 0156
Multifunctional handle
В узле: ---
12
547 8883
Bearing
В узле: ---
12
58310017
Track marker
В узле: ---
12
58310018
Track marker
В узле: ---
12
58310019
Track marker
В узле: ---
12
58310020
Track marker
В узле: ---
12
68310070
Track marker
В узле: ---
12
68310071
Track marker
В узле: ---
12
68310072
Track marker disc
В узле: ---
12
68310073
Track marker disc
В узле: ---
12
68310074
Track marker disc
В узле: ---
12
68310075
Track marker disc
В узле: ---
12
68310076
Track marker
В узле: ---
12
68310077
Track marker
В узле: ---
Содержащиеся в справочниках-каталогах запасные части и детали не предлагаются к продаже, а носят исключительно информационный характер

Ваша заявка была отправлена. В ближайшее время наши специалисты с Вами свяжутся по указанному Вами телефону.

Представьтесь
Поле обязательно для заполнения
Ваш телефон
Введите правильный номер телефона
E-mail
Введите правильный e-mail
Тема
Тема
применяемость финансирование доставка цена, наличие другое сервис и гарантия
Время для звонка
08:00
08:00 09:00 10:00 11:00 12:00 13:00 14:00 15:00 16:00 17:00 18:00 19:00
19:00
08:00 09:00 10:00 11:00 12:00 13:00 14:00 15:00 16:00 17:00 18:00 19:00

Мы постараемся перезвонить в указанное время

Если вы не хотите ждать, то звоните нашим вежливым консультантам:

8 800 100-2-700
Подтвердите, что вы не робот
Подтвердите, что вы не робот
Спасибо!

Ваше сообщение успешно отправлено!

ЗакрытьПовторить попытку