Каталог запасных частей к технике: Lemken Azurit 9. 68310033 Pre-dosage

zoom-in zoom-out enlarge shrink circle-right circle-left file-text2 info cart arraw right arraw left zoom out zoom in arraw maximize arraw minimize
1
2
3
3
4
4
5
5
6
7
7
7
7
7
8
9
10
11
12
12
12
13
14
14
14
14
15
15
16
16
17
17
17
18
18
18
18
18
18
18
19
19
19
19
19
19
19
19
19
19
20
20
20
20
20
20
20
21
22
23
24
24
24
25
26
26
27
27
28
29
29
30
31
31
32
32
33
33
34
35
36
36
37
38
39
40
41
42
43
43
44
44
45
46
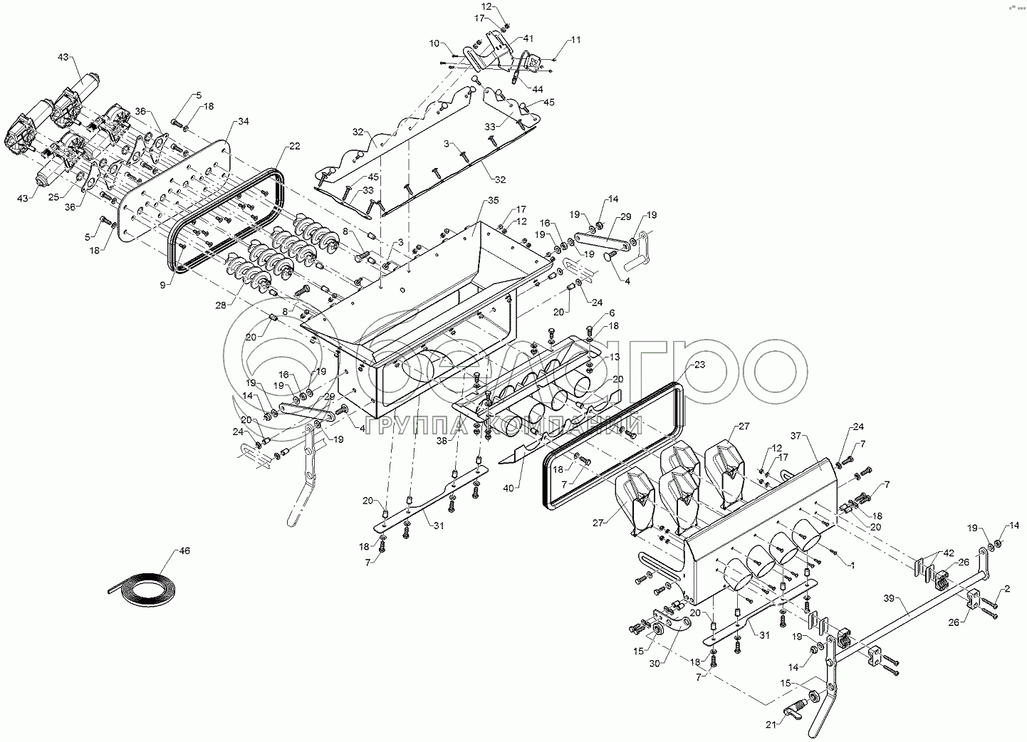
1
301 0030
Bolt
В узле: 12
2
301 0306
Flatheaded bolt
В узле: 4
3
301 1103
Bolt, cup square head
В узле: 12
4
301 1706
Bolt, cup square head
В узле: 2
5
301 6055
Allen screw
В узле: 6
6
301 6750
Screw
В узле: 4
7
301 7280
Screw
В узле: 18
8
301 7308
Screw
В узле: 2
9
30110026
Countersunk bolt
В узле: 12
10
30110340
Oval head screw
В узле: 3
11
303 0927
Selflocking nut
В узле: 3
12
303 0931
Selflocking nut
В узле: 22
13
303 0932
Selflocking nut
В узле: 4
14
303 0933
Selflocking nut
В узле: 4
15
303 0965
Nut
В узле: 2
16
303 1012
Nut
В узле: 2
17
305 8571
Washer
В узле: 22
18
305 8694
Washer
В узле: 30
19
305 8696
Washer
В узле: 10
20
31510036
Rivet nut
В узле: 24
21
321 2601
Locking bar
В узле: 1
22
32310169
Seal
В узле: 1
23
32310170
Seal
В узле: 1
24
32310171
Flange bushing
В узле: 8
25
37810734
О-ring
В узле: 4
26
375 9964
Clamp
В узле: 4
27
48310014
Slide
В узле: 4
28
48310026
Dosage
В узле: 4
29
48310109
Plate
В узле: 2
30
48310110
Plate
В узле: 1
31
48310111
Plate
В узле: 2
32
48310112
Plate
В узле: 2
33
48310113
Plate
В узле: 2
34
48310114
Cover
В узле: 1
35
48310115
Pre-dosage
В узле: 1
36
48310116
Plate
В узле: 4
37
48310117
Pre-dosage
В узле: 1
38
48310118
Pre-dosage lower part
В узле: 1
39
48310119
Lever
В узле: 1
40
48310120
Plate
В узле: 1
41
48310121
Sensor holder
В узле: 1
42
48310155
Spacer plate
В узле: 4
43
57310432
Motor
В узле: 4
44
57310437
Sensor - filling level
В узле: 1
45
30110628
Saucer-head screw
В узле: 6
46
323 6517
Seal stripe
В узле: 2
Содержащиеся в справочниках-каталогах запасные части и детали не предлагаются к продаже, а носят исключительно информационный характер

Ваша заявка была отправлена. В ближайшее время наши специалисты с Вами свяжутся по указанному Вами телефону.

Представьтесь
Поле обязательно для заполнения
Ваш телефон
Введите правильный номер телефона
E-mail
Введите правильный e-mail
Тема
Тема
применяемость финансирование доставка цена, наличие другое сервис и гарантия
Время для звонка
08:00
08:00 09:00 10:00 11:00 12:00 13:00 14:00 15:00 16:00 17:00 18:00 19:00
19:00
08:00 09:00 10:00 11:00 12:00 13:00 14:00 15:00 16:00 17:00 18:00 19:00

Мы постараемся перезвонить в указанное время

Если вы не хотите ждать, то звоните нашим вежливым консультантам:

8 800 100-2-700
Подтвердите, что вы не робот
Подтвердите, что вы не робот
Спасибо!

Ваше сообщение успешно отправлено!

ЗакрытьПовторить попытку