Каталог запасных частей к технике: Lemken Azurit 9. 68310120 Distributor

zoom-in zoom-out enlarge shrink circle-right circle-left file-text2 info cart arraw right arraw left zoom out zoom in arraw maximize arraw minimize
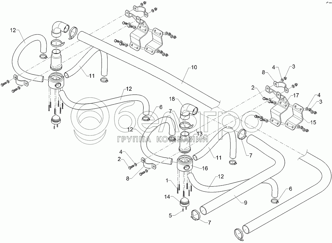
1
2
2
3
3
4
4
4
5
6
6
7
7
7
8
8
9
10
11
11
12
12
12
12
13
14
15
16
17
18
1
301 0067
Countersunk bolt
В узле: 8
2
301 3347
Screw
В узле: 12
3
303 0934
Selflocking nut
В узле: 12
4
305 8580
Washer
В узле: 24
5
309 1385
Cylindrical pin
В узле: 4
6
325 1157
Hose clip
В узле: 6
7
325 1166
Hose clip
В узле: 6
8
325 5130
Clamp
В узле: 4
9
37710167
Hose
В узле: 1
10
37710174
Hose
В узле: 1
11
37710187
Hose
В узле: 2
12
37710188
Hose
В узле: 4
13
48310271
Corrugated tube
В узле: 2
14
48310270
Distributor point
В узле: 2
15
48210344
Plate
В узле: 2
16
48310269
Distributor
В узле: 2
17
48310161
Plate
В узле: 2
18
58210052
Tube turn
В узле: 2
Содержащиеся в справочниках-каталогах запасные части и детали не предлагаются к продаже, а носят исключительно информационный характер

Ваша заявка была отправлена. В ближайшее время наши специалисты с Вами свяжутся по указанному Вами телефону.

Представьтесь
Поле обязательно для заполнения
Ваш телефон
Введите правильный номер телефона
E-mail
Введите правильный e-mail
Тема
Тема
применяемость финансирование доставка цена, наличие другое сервис и гарантия
Время для звонка
08:00
08:00 09:00 10:00 11:00 12:00 13:00 14:00 15:00 16:00 17:00 18:00 19:00
19:00
08:00 09:00 10:00 11:00 12:00 13:00 14:00 15:00 16:00 17:00 18:00 19:00

Мы постараемся перезвонить в указанное время

Если вы не хотите ждать, то звоните нашим вежливым консультантам:

8 800 100-2-700
Подтвердите, что вы не робот
Подтвердите, что вы не робот
Спасибо!

Ваше сообщение успешно отправлено!

ЗакрытьПовторить попытку