Каталог запасных частей к технике: Lemken EurOpal 7. Depth wheel D20x200/120 E7 555lg

zoom-in zoom-out enlarge shrink circle-right circle-left file-text2 info cart arraw right arraw left zoom out zoom in arraw maximize arraw minimize
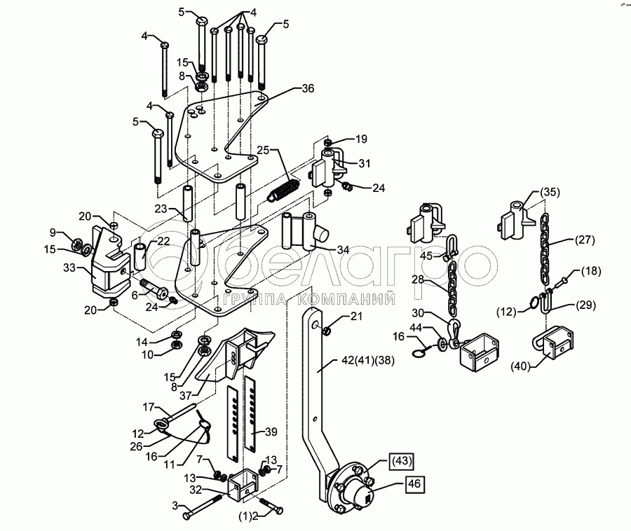
1
2
3
4
4
4
5
5
5
6
7
7
8
8
9
10
11
12
12
13
13
14
15
15
15
16
16
17
18
19
20
20
21
22
23
24
24
25
26
27
28
29
30
31
32
33
34
35
36
37
38
39
40
41
42
43
44
45
46
1
301 3389
Bolt
В узле: 1
2
301 3391
Bolt
В узле: 1
3
301 3461
Bolt
В узле: 1
4
301 4118
Bolt
В узле: 6
5
301 4523
Bolt
В узле: 3
6
301 4604
Bolt
В узле: 1
7
303 0972
Nut
В узле: 2
8
303 0977
Nut
В узле: 3
9
303 0978
Nut
В узле: 1
10
303 0990
Nut
В узле: 6
11
305 8545
Securing ring
В узле: 1
12
305 8551
Securing clip
В узле: 1
13
305 9885
Spring ring
В узле: 2
14
305 9887
Spring ring
В узле: 6
15
305 9888
Spring ring
В узле: 6
16
311 9565
Securing pin
В узле: 2
17
313 8137
Pin with grip
В узле: 1
18
315 8006
Rivet
В узле: 1
19
317 3336
Expansion bush
В узле: 2
20
317 3338
Expansion bush
В узле: 2
21
317 3394
Expansion bush
В узле: 1
22
317 6664
Tube
В узле: 1
23
317 6859
Tube
В узле: 3
24
323 6348
Grease nipple
В узле: 2
25
329 8496
Spring
В узле: 1
26
331 6130
Chain
В узле: 1
27
331 6242
Chain
В узле: 1
28
331 6246
Chain
В узле: 1
29
331 8380
Shackle
В узле: 1
30
331 9012
Hook
В узле: 1
31
448 2598
Holder with pivot
В узле: 1
32
448 2599
Holder with pivot
В узле: 1
33
448 2601
Cross union
В узле: 1
34
448 2605
Stop
В узле: 1
35
448 2603
Locking device
В узле: 1
36
448 2604
Plate
В узле: 2
37
448 2602
stop
В узле: 1
38
448 2606
Wheel stalk
В узле: 1
39
448 2607
Adjuster plate
В узле: 2
40
448 2608
Holder
В узле: 1
41
548 2606
Wheel stalk with bearing
В узле: 1
42
548 2607
Wheel stalk with bearing
В узле: 1
43
549 8892
Bearing
В узле: 1
44
305 6162
Washer
В узле: 1
45
331 8381
Chain shackle
В узле: 1
46
549 8893
Bearing
В узле: 1
Содержащиеся в справочниках-каталогах запасные части и детали не предлагаются к продаже, а носят исключительно информационный характер

Ваша заявка была отправлена. В ближайшее время наши специалисты с Вами свяжутся по указанному Вами телефону.

Представьтесь
Поле обязательно для заполнения
Ваш телефон
Введите правильный номер телефона
E-mail
Введите правильный e-mail
Тема
Тема
применяемость финансирование доставка цена, наличие другое сервис и гарантия
Время для звонка
08:00
08:00 09:00 10:00 11:00 12:00 13:00 14:00 15:00 16:00 17:00 18:00 19:00
19:00
08:00 09:00 10:00 11:00 12:00 13:00 14:00 15:00 16:00 17:00 18:00 19:00

Мы постараемся перезвонить в указанное время

Если вы не хотите ждать, то звоните нашим вежливым консультантам:

8 800 100-2-700
Подтвердите, что вы не робот
Подтвердите, что вы не робот
Спасибо!

Ваше сообщение успешно отправлено!

ЗакрытьПовторить попытку