Каталог запасных частей к технике: Lemken EuroTitan 10. Disc coulter E10 D500 G

zoom-in zoom-out enlarge shrink circle-right circle-left file-text2 info cart arraw right arraw left zoom out zoom in arraw maximize arraw minimize
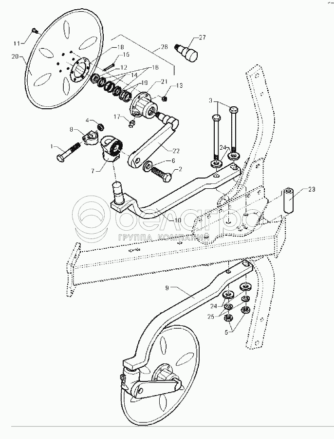
1
2
3
4
5
6
7
8
9
10
11
12
13
14
15
16
17
18
19
20
21
22
23
24
24
25
26
1
301 3867
Bolt
В узле: 2
2
301 4269
Screw
В узле: 2
3
301 4582
Bolt
В узле: 2
4
303 0976
Nut
В узле: 2
5
303 0978
Nut
В узле: 2
6
305 6164
Washer
В узле: 2
7
457 9146
Hirth-type bracket
В узле: 2
8
457 9870
Stop
В узле: 2
9
463 8682
Disc stalk
В узле: 1
10
463 8683
Disc stalk
В узле: 1
11
301 6123
Countersunk bolt
В узле: 6
12
303 0193
Castle nut
В узле: 1
13
303 0933
Selflocking nut
В узле: 6
14
305 8924
Securing ring
В узле: 2
15
311 7613
Peg
В узле: 1
16
319 9116
Bearing
В узле: 2
17
323 6345
Grease nipple
В узле: 1
18
323 7641
Seal
В узле: 1
19
323 8032
Oil seal
В узле: 2
20
349 0029
Disc
В узле: 1
21
447 8882
Hub
В узле: 1
22
457 9328
Swinging arm
В узле: 1
23
317 7521
Tube
В узле: 1
24
305 6268
Washer
В узле: 4
25
305 9888
Spring ring
В узле: 2
26
547 8883
Bearing
В узле: 1
Содержащиеся в справочниках-каталогах запасные части и детали не предлагаются к продаже, а носят исключительно информационный характер

Ваша заявка была отправлена. В ближайшее время наши специалисты с Вами свяжутся по указанному Вами телефону.

Представьтесь
Поле обязательно для заполнения
Ваш телефон
Введите правильный номер телефона
E-mail
Введите правильный e-mail
Тема
Тема
применяемость финансирование доставка цена, наличие другое сервис и гарантия
Время для звонка
08:00
08:00 09:00 10:00 11:00 12:00 13:00 14:00 15:00 16:00 17:00 18:00 19:00
19:00
08:00 09:00 10:00 11:00 12:00 13:00 14:00 15:00 16:00 17:00 18:00 19:00

Мы постараемся перезвонить в указанное время

Если вы не хотите ждать, то звоните нашим вежливым консультантам:

8 800 100-2-700
Подтвердите, что вы не робот
Подтвердите, что вы не робот
Спасибо!

Ваше сообщение успешно отправлено!

ЗакрытьПовторить попытку