Каталог запасных частей к технике: Lemken Gigant 800 Smaragd. Gigant800-Smaragd

zoom-in zoom-out enlarge shrink circle-right circle-left file-text2 info cart arraw right arraw left zoom out zoom in arraw maximize arraw minimize
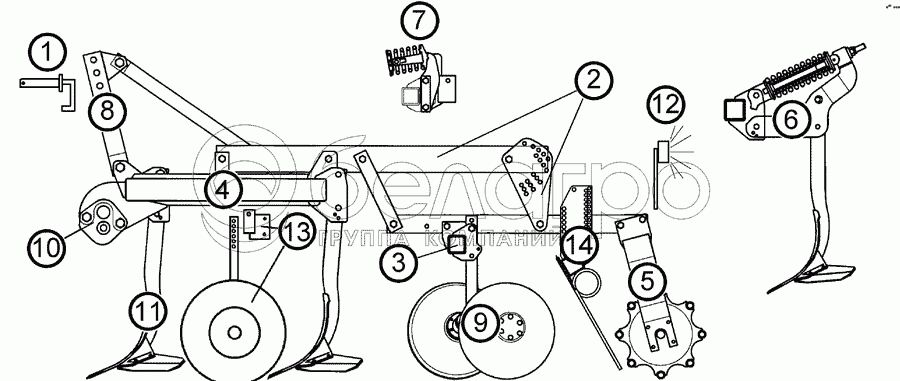
1
2
2
2
2
3
3
4
4
4
4
5
5
5
5
5
6
7
7
7
7
8
9
9
9
9
9
10
10
11
11
11
11
11
11
11
11
11
11
11
11
11
11
11
11
11
11
11
11
11
12
13
13
13
14
14
14
14
14
1
313 7913
Top link pin with chain
В узле: ---
2
617 8100
Carrier
В узле: ---
2
617 8101
Carrier
В узле: ---
2
617 8102
Carrier with tension spring
В узле: ---
2
617 8103
Carrier with tension spring
В узле: ---
3
617 8156
Frame for hollow discs
В узле: ---
3
617 8158
Frame for hollow discs
В узле: ---
4
617 8206
Basic frame
В узле: ---
4
617 8207
Basic frame
В узле: ---
4
617 8191
Bracket depth guiding
В узле: ---
4
617 8190
Bracket depth guiding
В узле: ---
5
622 6604
Tube bar roller
В узле: ---
5
622 6605
Tube bar roller
В узле: ---
5
622 6612
Tube bar roller
В узле: ---
5
622 6692
Double roller
В узле: ---
5
622 6693
Double roller
В узле: ---
6
627 5687
Trip device
В узле: ---
7
627 5726
Trip device
В узле: ---
7
627 5720
Trip device
В узле: ---
7
627 5695
Trip device
В узле: ---
7
527 5720
Converison set
В узле: ---
8
640 5217
Headstock
В узле: ---
9
657 2418
Pair of hollow discs
В узле: ---
9
657 2420
Hollow disc
В узле: ---
9
657 2421
Hollow disc
В узле: ---
9
657 2424
Bracket for outer disc
В узле: ---
9
657 2425
Bracket for outer disc
В узле: ---
10
661 1315
Lower link connection
В узле: ---
10
661 1317
Lower link connection
В узле: ---
11
665 3792
Tine with wing-shares
В узле: ---
11
665 3900
Tine with wing-shares
В узле: ---
11
665 3901
Tine with wing-shares
В узле: ---
11
665 3902
Tine with wing-shares
В узле: ---
11
665 3908
Tine with wing-shares
В узле: ---
11
665 3909
Tine with wing-shares
В узле: ---
11
665 3910
Tine with wing-shares
В узле: ---
11
665 3920
Tine with wing-shares
В узле: ---
11
665 3921
Tine with wing-shares
В узле: ---
11
665 3922
Tine with wing-shares
В узле: ---
11
665 3764
Tine with wing-shares
В узле: ---
11
665 3790
Tine with wing-shares
В узле: ---
11
665 3765
Tine with wing-shares
В узле: ---
11
665 3766
Tine with wing-shares
В узле: ---
11
665 3774
Tine with wing-shares
В узле: ---
11
665 3775
Tine with wing-shares
В узле: ---
11
665 3776
Tine with wing-shares
В узле: ---
11
665 3778
Tine with wing-shares
В узле: ---
11
665 3779
Tine with wing-shares
В узле: ---
11
665 3780
Tine with wing-shares
В узле: ---
11
665 3791
Tine with wing-shares
В узле: ---
12
670 1639
Carrier for light
В узле: ---
13
549 8849
Wheel 5/94/140 D14
В узле: ---
13
647 2520
Depth wheel
В узле: ---
13
647 7479
Wheel bracket
В узле: ---
14
617 8108
Carrier for double roller
В узле: ---
14
617 8109
Carrier
В узле: ---
14
617 8112
Carrier with tension spring
В узле: ---
14
617 8113
Carrier with tension spring
В узле: ---
14
622 6382
Levelling type harrow
В узле: ---
Содержащиеся в справочниках-каталогах запасные части и детали не предлагаются к продаже, а носят исключительно информационный характер

Ваша заявка была отправлена. В ближайшее время наши специалисты с Вами свяжутся по указанному Вами телефону.

Представьтесь
Поле обязательно для заполнения
Ваш телефон
Введите правильный номер телефона
E-mail
Введите правильный e-mail
Тема
Тема
применяемость финансирование доставка цена, наличие другое сервис и гарантия
Время для звонка
08:00
08:00 09:00 10:00 11:00 12:00 13:00 14:00 15:00 16:00 17:00 18:00 19:00
19:00
08:00 09:00 10:00 11:00 12:00 13:00 14:00 15:00 16:00 17:00 18:00 19:00

Мы постараемся перезвонить в указанное время

Если вы не хотите ждать, то звоните нашим вежливым консультантам:

8 800 100-2-700
Подтвердите, что вы не робот
Подтвердите, что вы не робот
Спасибо!

Ваше сообщение успешно отправлено!

ЗакрытьПовторить попытку