Каталог запасных частей к технике: Lemken Kristall 9/600KA. 6996350 Tine

zoom-in zoom-out enlarge shrink circle-right circle-left file-text2 info cart arraw right arraw left zoom out zoom in arraw maximize arraw minimize
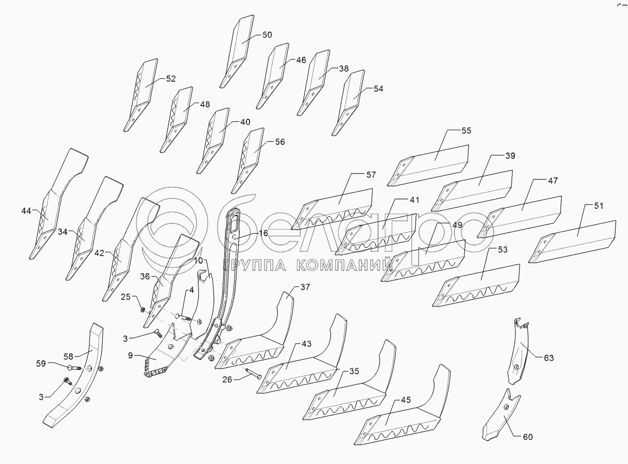
3
3
4
9
10
16
25
26
34
35
36
37
38
39
40
41
42
43
44
45
46
47
48
3
30110515
Countersunk bolt
В узле: 1
4
30110516
Countersunk bolt
В узле: 1
9
337 4443
Point
В узле: 1
10
337 4484
Guideboard
В узле: 1
16
465 3694
Stalk
В узле: 1
25
303 1013
Nut
В узле: 2
26
301 3409
Bolt
В узле: 2
34
337 4512
Wing share
В узле: 1
35
337 4513
Wing share
В узле: 1
36
337 4510
Wing share
В узле: 1
37
337 4511
Wing share
В узле: 1
38
337 4530
Wing share
В узле: 1
39
337 4531
Wing share
В узле: 1
40
337 4532
Wing share
В узле: 1
41
337 4533
Wing share
В узле: 1
42
337 4520
Wing share
В узле: 1
43
337 4521
Wing share
В узле: 1
44
337 4522
Wing share
В узле: 1
45
337 4523
Wing share
В узле: 1
46
337 4536
Wing share
В узле: 1
47
337 4537
Wing share
В узле: 1
48
337 4538
Wing share
В узле: 1
Содержащиеся в справочниках-каталогах запасные части и детали не предлагаются к продаже, а носят исключительно информационный характер

Ваша заявка была отправлена. В ближайшее время наши специалисты с Вами свяжутся по указанному Вами телефону.

Представьтесь
Поле обязательно для заполнения
Ваш телефон
Введите правильный номер телефона
E-mail
Введите правильный e-mail
Тема
Тема
применяемость финансирование доставка цена, наличие другое сервис и гарантия
Время для звонка
08:00
08:00 09:00 10:00 11:00 12:00 13:00 14:00 15:00 16:00 17:00 18:00 19:00
19:00
08:00 09:00 10:00 11:00 12:00 13:00 14:00 15:00 16:00 17:00 18:00 19:00

Мы постараемся перезвонить в указанное время

Если вы не хотите ждать, то звоните нашим вежливым консультантам:

8 800 100-2-700
Подтвердите, что вы не робот
Подтвердите, что вы не робот
Спасибо!

Ваше сообщение успешно отправлено!

ЗакрытьПовторить попытку