Каталог запасных частей к технике: Lemken Quarz 7/500KA. Compressed-air brake Quarz 7/KA

zoom-in zoom-out enlarge shrink circle-right circle-left file-text2 info cart arraw right arraw left zoom out zoom in arraw maximize arraw minimize
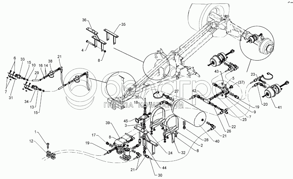
1
2
3
4
5
6
7
7
8
8
8
9
10
11
12
13
14
15
15
16
17
18
19
19
20
21
21
21
22
23
24
25
26
27
28
29
30
30
31
32
33
34
35
36
37
38
39
40
41
42
43
44
45
1
301 0301
Flatheaded bolt
В узле: 4
2
301 3212
Screw
В узле: 4
3
301 5004
Screw
В узле: 6
4
301 5438
Bolt
В узле: 2
5
301 7260
Screw
В узле: 2
6
301 7280
Screw
В узле: 4
7
303 0932
Selflocking nut
В узле: 4
8
303 0933
Selflocking nut
В узле: 8
9
305 8694
Washer
В узле: 4
10
325 1145
Hose clip
В узле: 4
11
375 2190
Vent plug
В узле: 1
12
375 9960
Clamp
В узле: 4
13
377 1180
Thrust ring with O-ring
В узле: 2
14
377 1181
Thrust ring with O-ring
В узле: 5
15
377 1301
Hose nipple
В узле: 2
16
377 1302
Hose nipple
В узле: 2
17
377 1350
Plug
В узле: 1
18
377 1400
Push-in connection
В узле: 2
19
377 1472
Screwed socket
В узле: 1
20
377 1409
Push-in connection
В узле: 4
21
377 1410
Push-in connection
В узле: 6
22
377 1440
Push-in connection
В узле: 1
23
377 1450
Push-in connection
В узле: 1
24
377 1460
Screwed socket
В узле: 1
25
377 1461
Screwed socket
В узле: 2
26
377 1482
Reducing fitting
В узле: 1
27
377 1341
Test coupling
В узле: 1
28
377 1380
Dewatering valve
В узле: 1
29
377 2025
Brake hose
В узле: 2
30
377 2070
Synthetic tube
В узле: 16
31
377 2520
Hose clamp
В узле: 2
32
377 2532
Strap
В узле: 2
33
377 2540
Hose coupling
В узле: 1
34
377 2541
Hose coupling
В узле: 1
35
477 1126
Holder
В узле: 1
36
477 1127
Holder braking valve
В узле: 1
37
577 2570
Venting filter
В узле: 1
38
577 2580
Filter
В узле: 2
39
577 2591
Trailer brake valve
В узле: 1
40
577 2622
Compressed-air container
В узле: 1
41
577 2641
Membrane-cylinder
В узле: 2
42
577 2660
2-port control valve
В узле: 1
43
577 2671
Quick release valve
В узле: 1
44
577 2680
Nonreturn valve
В узле: 1
45
577 2690
Parking valve
В узле: 1
Содержащиеся в справочниках-каталогах запасные части и детали не предлагаются к продаже, а носят исключительно информационный характер

Ваша заявка была отправлена. В ближайшее время наши специалисты с Вами свяжутся по указанному Вами телефону.

Представьтесь
Поле обязательно для заполнения
Ваш телефон
Введите правильный номер телефона
E-mail
Введите правильный e-mail
Тема
Тема
применяемость финансирование доставка цена, наличие другое сервис и гарантия
Время для звонка
08:00
08:00 09:00 10:00 11:00 12:00 13:00 14:00 15:00 16:00 17:00 18:00 19:00
19:00
08:00 09:00 10:00 11:00 12:00 13:00 14:00 15:00 16:00 17:00 18:00 19:00

Мы постараемся перезвонить в указанное время

Если вы не хотите ждать, то звоните нашим вежливым консультантам:

8 800 100-2-700
Подтвердите, что вы не робот
Подтвердите, что вы не робот
Спасибо!

Ваше сообщение успешно отправлено!

ЗакрытьПовторить попытку