Каталог запасных частей к технике: Lemken Rubin 12/500 KUA (A). 67510963 HY-assembly lifting

zoom-in zoom-out enlarge shrink circle-right circle-left file-text2 info cart arraw right arraw left zoom out zoom in arraw maximize arraw minimize
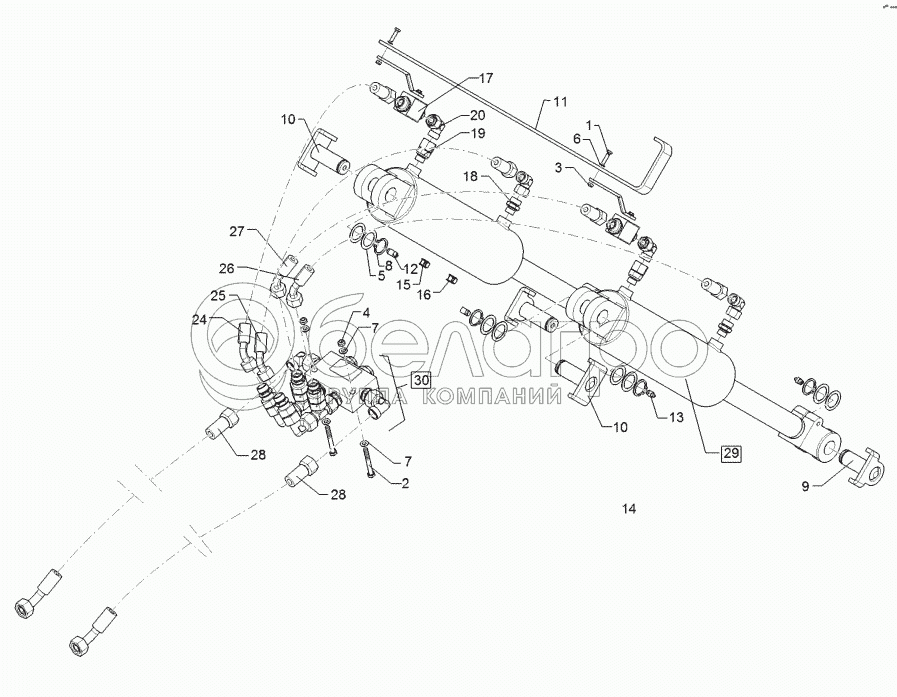
1
2
3
4
5
6
7
8
9
10
10
11
12
13
14
15
16
17
18
19
20
24
25
26
27
28
29
29
30
1
301 3006
Screw
В узле: 2
2
301 3084
Hexagon bolt
В узле: 2
3
303 0931
Selflocking nut
В узле: 2
4
303 0932
Selflocking nut
В узле: 2
5
305 2051
Shim
В узле: 8
6
305 8571
Washer
В узле: 2
7
305 8694
Washer
В узле: 4
8
305 8867
Securing ring
В узле: 4
9
313 3003
Pin with stop
В узле: 2
10
313 3025
Pin with stop
В узле: 2
11
32110190
Lever
В узле: 1
12
323 6348
Grease nipple
В узле: 2
13
323 6349
Grease nipple
В узле: 2
14
323 7405
Cap
В узле: 2
15
325 1522
Marking
В узле: 1
16
325 1529
Marking
В узле: 1
17
375 2213
Ball valve
В узле: 2
18
375 4031
Nipple
В узле: 2
19
375 4037
Nipple
В узле: 2
20
375 4503
Adjustable angle union
В узле: 4
24
47511202
Hydraulic hose
В узле: 1
25
47511204
Hydraulic hose
В узле: 1
26
47511441
Hydraulic hose
В узле: 1
27
47511442
Hydraulic hose
В узле: 1
28
47511444
Hydraulic hose
В узле: 2
29
575 2269
Hydraulic ram
В узле: 2
30
57511159
HY-assembly lifting
В узле: 1
Содержащиеся в справочниках-каталогах запасные части и детали не предлагаются к продаже, а носят исключительно информационный характер

Ваша заявка была отправлена. В ближайшее время наши специалисты с Вами свяжутся по указанному Вами телефону.

Представьтесь
Поле обязательно для заполнения
Ваш телефон
Введите правильный номер телефона
E-mail
Введите правильный e-mail
Тема
Тема
применяемость финансирование доставка цена, наличие другое сервис и гарантия
Время для звонка
08:00
08:00 09:00 10:00 11:00 12:00 13:00 14:00 15:00 16:00 17:00 18:00 19:00
19:00
08:00 09:00 10:00 11:00 12:00 13:00 14:00 15:00 16:00 17:00 18:00 19:00

Мы постараемся перезвонить в указанное время

Если вы не хотите ждать, то звоните нашим вежливым консультантам:

8 800 100-2-700
Подтвердите, что вы не робот
Подтвердите, что вы не робот
Спасибо!

Ваше сообщение успешно отправлено!

ЗакрытьПовторить попытку