Каталог запасных частей к технике: Lemken Smaragd 9/600KA. Lighting equipment V Smaragd 9 KA B

zoom-in zoom-out enlarge shrink circle-right circle-left file-text2 info cart arraw right arraw left zoom out zoom in arraw maximize arraw minimize
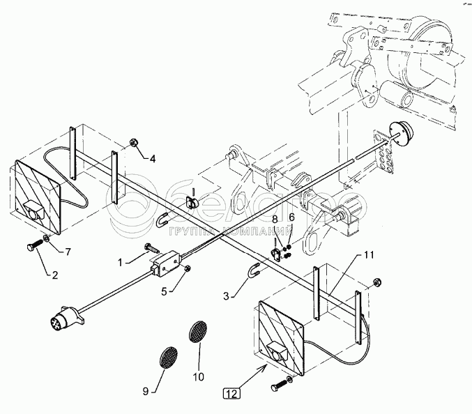
1
2
3
4
5
6
7
8
9
10
11
12
1
301 2996
Screw
В узле: 2
2
301 7280
Screw
В узле: 8
3
301 7781
U-bolt
В узле: 2
4
303 0932
Selflocking nut
В узле: 8
5
303 0967
Nut
В узле: 2
6
303 0970
Nut
В узле: 4
7
305 8694
Washer
В узле: 8
8
305 9900
Spring ring
В узле: 4
9
321 9918
Self-adh. reflector, red
В узле: 2
10
321 9919
Self-adh. reflector, yellow
В узле: 6
11
470 1649
Carrier for light
В узле: 1
12
570 1902
Lighting equipment, front
В узле: 1
Содержащиеся в справочниках-каталогах запасные части и детали не предлагаются к продаже, а носят исключительно информационный характер

Ваша заявка была отправлена. В ближайшее время наши специалисты с Вами свяжутся по указанному Вами телефону.

Представьтесь
Поле обязательно для заполнения
Ваш телефон
Введите правильный номер телефона
E-mail
Введите правильный e-mail
Тема
Тема
применяемость финансирование доставка цена, наличие другое сервис и гарантия
Время для звонка
08:00
08:00 09:00 10:00 11:00 12:00 13:00 14:00 15:00 16:00 17:00 18:00 19:00
19:00
08:00 09:00 10:00 11:00 12:00 13:00 14:00 15:00 16:00 17:00 18:00 19:00

Мы постараемся перезвонить в указанное время

Если вы не хотите ждать, то звоните нашим вежливым консультантам:

8 800 100-2-700
Подтвердите, что вы не робот
Подтвердите, что вы не робот
Спасибо!

Ваше сообщение успешно отправлено!

ЗакрытьПовторить попытку