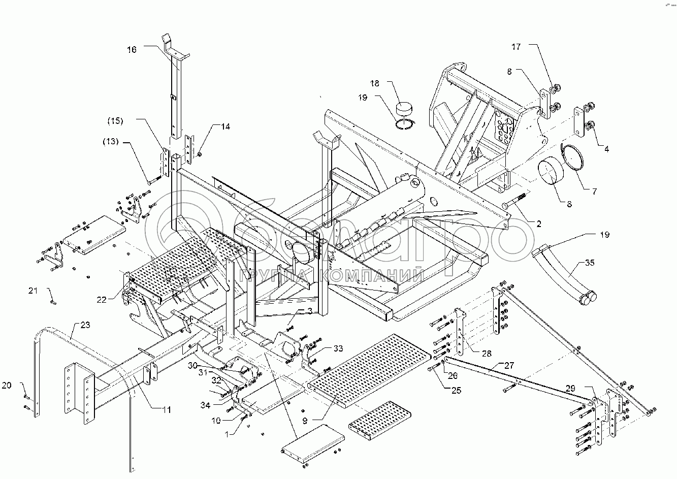
Каталог запасных частей к технике: Lemken Solitair 12/1200KD. 68210333 Basic frame

zoom-in zoom-out enlarge shrink circle-right circle-left file-text2 info cart arraw right arraw left zoom out zoom in arraw maximize arraw minimize
1
2
3
4
7
8
8
9
10
11
13
15
16
17
18
19
19
20
21
22
23
25
26
27
28
29
30
31
32
33
34
35
1
301 7334
Screw
В узле: 20
2
301 4906
Hexagon bolt
В узле: 4
3
303 0934
Selflocking nut
В узле: 36
4
303 0938
Selflocking nut
В узле: 4
6
323 7400
Cap
В узле: 1
7
325 1192
Hose clip
В узле: 1
8
459 1179
Clamp plate
В узле: 2
9
482 3004
Footboard
В узле: 2
10
482 3005
Footboard
В узле: 4
11
48210709
Basic frame
В узле: 1
12
377 4141
Flexible hose
В узле: 1
13
301 3997
Bolt
В узле: 8
15
459 6577
Lashing
В узле: 4
16
482 8491
Support
В узле: 2
17
305 6327
Washer
В узле: 4
18
323 8074
Cap
В узле: 2
19
325 1166
Hose clip
В узле: 34
20
301 3347
Screw
В узле: 4
21
301 5449
Bolt
В узле: 4
22
305 8580
Washer
В узле: 52
23
482 8492
Guardrail
В узле: 1
25
301 4020
Bolt
В узле: 13
26
305 6142
Washer
В узле: 24
27
48210953
Strut
В узле: 2
28
48210954
Clamp plate
В узле: 2
29
48210955
Clamp plate
В узле: 2
30
301 5821
Allen screw
В узле: 4
31
301 5826
Allen screw
В узле: 4
32
317 7582
Bush
В узле: 4
33
48210960
Plate
В узле: 2
34
48210961
Plate
В узле: 2
35
377 4145
Flexible hose
В узле: 16
Содержащиеся в справочниках-каталогах запасные части и детали не предлагаются к продаже, а носят исключительно информационный характер

Ваша заявка была отправлена. В ближайшее время наши специалисты с Вами свяжутся по указанному Вами телефону.

Представьтесь
Поле обязательно для заполнения
Ваш телефон
Введите правильный номер телефона
E-mail
Введите правильный e-mail
Тема
Тема
применяемость финансирование доставка цена, наличие другое сервис и гарантия
Время для звонка
08:00
08:00 09:00 10:00 11:00 12:00 13:00 14:00 15:00 16:00 17:00 18:00 19:00
19:00
08:00 09:00 10:00 11:00 12:00 13:00 14:00 15:00 16:00 17:00 18:00 19:00

Мы постараемся перезвонить в указанное время

Если вы не хотите ждать, то звоните нашим вежливым консультантам:

8 800 100-2-700
Подтвердите, что вы не робот
Подтвердите, что вы не робот
Спасибо!

Ваше сообщение успешно отправлено!

ЗакрытьПовторить попытку