Каталог запасных частей к технике: Lemken Solitair 12/5800SW. 67710122 Compressed-air brake

zoom-in zoom-out enlarge shrink circle-right circle-left file-text2 info cart arraw right arraw left zoom out zoom in arraw maximize arraw minimize
1
1
2
2
3
7
8
9
10
10
11
11
11
12
12
13
13
13
16
16
17
18
18
19
19
21
21
22
23
24
24
24
25
26
26
26
27
28
28
28
31
32
32
32
32
32
32
32
32
33
34
35
35
36
37
38
39
40
41
42
43
45
46
46
47
48
49
50
52
53
54
55
56
56
57
58
58
60
61
62
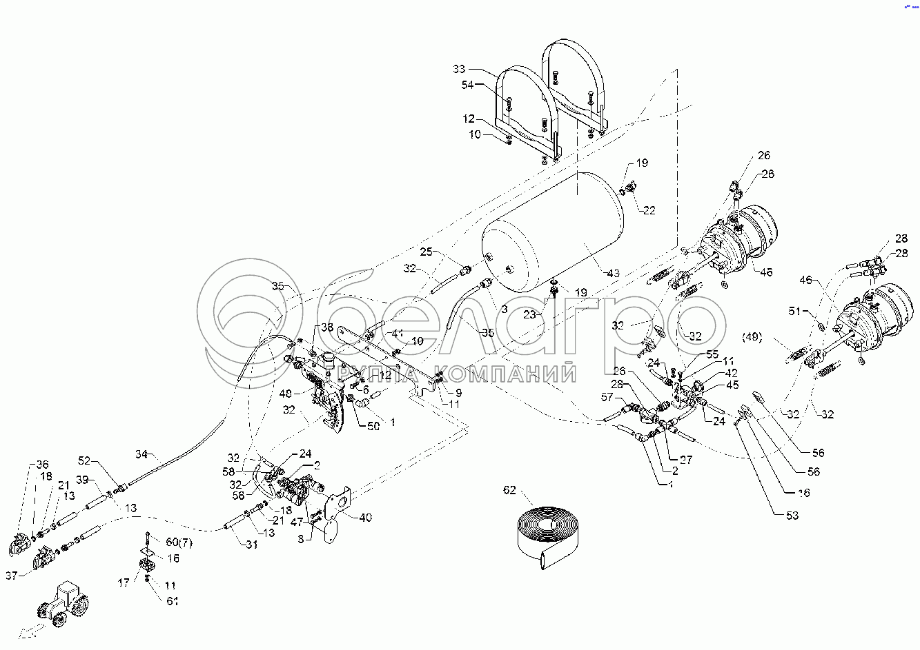
1
R00 0713
Connector
В узле: 3
2
R00 0715
Nipple
В узле: 3
3
R00 0719
Connector
В узле: 1
6
301 5004
Screw
В узле: 2
7
301 5418
Bolt
В узле: 1
8
301 7280
Screw
В узле: 2
9
303 0932
Selflocking nut
В узле: 2
10
303 0933
Selflocking nut
В узле: 6
11
305 8694
Washer
В узле: 7
12
305 8696
Washer
В узле: 12
13
325 1145
Hose clip
В узле: 4
16
375 9986
Plate
В узле: 3
17
37510217
Clamp
В узле: 1
18
377 1180
Thrust ring with O-ring
В узле: 3
19
377 1181
Thrust ring with O-ring
В узле: 2
20
377 1300
Hose nipple
В узле: 1
21
377 1301
Hose nipple
В узле: 3
22
377 1341
Test coupling
В узле: 2
23
377 1380
Dewatering valve
В узле: 1
24
377 1400
Push-in connection
В узле: 3
25
377 1401
Push-in connection
В узле: 1
26
377 1409
Push-in connection
В узле: 3
27
377 1440
Push-in connection
В узле: 1
28
377 1450
Push-in connection
В узле: 2
29
377 1461
Screwed socket
В узле: 1
30
377 1482
Reducing fitting
В узле: 1
31
377 2025
Brake hose
В узле: 1
32
377 2070
Synthetic tube
В узле: 8
33
377 2532
Strap
В узле: 2
34
37710046
Synthetic tube
В узле: 1
35
37710048
Synthetic tube
В узле: 4
36
37710149
Coupling head brake
В узле: 1
37
37710150
Coupling head
В узле: 1
38
37710151
Push-in connection
В узле: 1
39
37710152
Brake hose
В узле: 1
40
47710060
Holder
В узле: 1
41
47710065
Plate
В узле: 1
42
577 2570
Venting filter
В узле: 1
43
577 2622
Compressed-air container
В узле: 1
44
577 2660
2-port control valve
В узле: 1
45
577 2671
Quick release valve
В узле: 1
46
57710033
Membrane-cylinder
В узле: 2
47
57710042
Release valve
В узле: 1
48
57710043
Braking force regulator
В узле: 1
49
32910008
Spring
В узле: 4
50
R00 0716
Screwed socket
В узле: 2
52
37710155
Connector
В узле: 1
53
301 3067
Bolt
В узле: 2
54
301 3226
Screw
В узле: 4
55
301 7260
Screw
В узле: 2
56
375 9906
Clamp
В узле: 4
57
377 1410
Push-in connection
В узле: 1
58
37710156
Connector
В узле: 2
59
37710157
Elbow union
В узле: 1
60
30110280
Hexagon bolt
В узле: 1
61
303 0801
Selflocking nut
В узле: 1
62
47510623
Guard for hoses
В узле: 1
Содержащиеся в справочниках-каталогах запасные части и детали не предлагаются к продаже, а носят исключительно информационный характер

Ваша заявка была отправлена. В ближайшее время наши специалисты с Вами свяжутся по указанному Вами телефону.

Представьтесь
Поле обязательно для заполнения
Ваш телефон
Введите правильный номер телефона
E-mail
Введите правильный e-mail
Тема
Тема
применяемость финансирование доставка цена, наличие другое сервис и гарантия
Время для звонка
08:00
08:00 09:00 10:00 11:00 12:00 13:00 14:00 15:00 16:00 17:00 18:00 19:00
19:00
08:00 09:00 10:00 11:00 12:00 13:00 14:00 15:00 16:00 17:00 18:00 19:00

Мы постараемся перезвонить в указанное время

Если вы не хотите ждать, то звоните нашим вежливым консультантам:

8 800 100-2-700
Подтвердите, что вы не робот
Подтвердите, что вы не робот
Спасибо!

Ваше сообщение успешно отправлено!

ЗакрытьПовторить попытку