Каталог запасных частей к технике: Lemken Solitair 8/300. 582 5051 Tramline mechanism

zoom-in zoom-out enlarge shrink circle-right circle-left file-text2 info cart arraw right arraw left zoom out zoom in arraw maximize arraw minimize
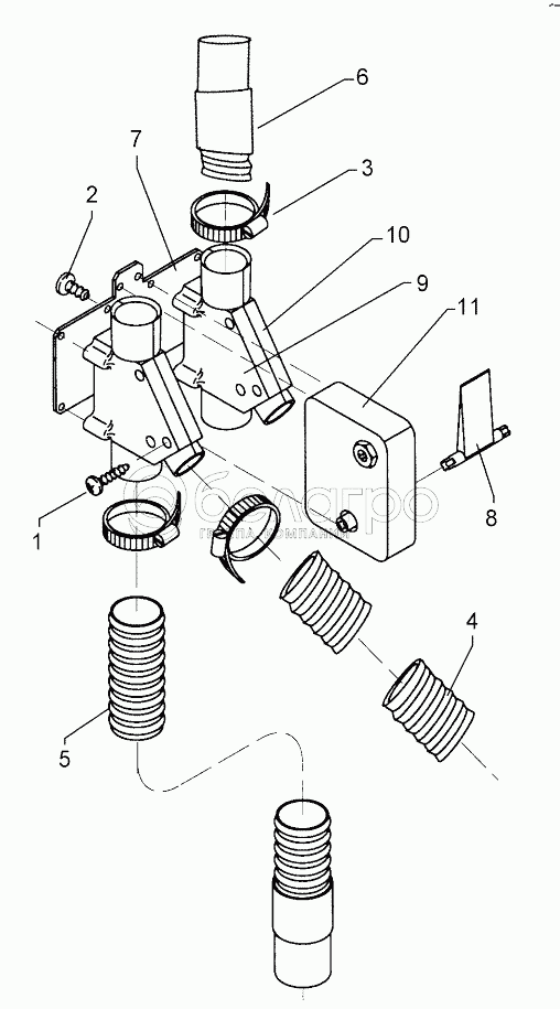
1
2
3
4
5
6
7
8
9
10
11
1
301 0050
Self-tapping screw
В узле: 12
2
301 0051
Self-tapping screw
В узле: 2
3
325 1150
Hose clip
В узле: 6
4
377 4004
Flexible hose
В узле: 2
5
377 4022
Flexible hose
В узле: 2
6
377 4023
Flexible hose
В узле: 2
7
482 2521
Basic plate
В узле: 1
8
482 5050
Return lid
В узле: 2
9
482 5052
Housing unit
В узле: 2
10
482 5053
Housing unit
В узле: 2
11
573 4822
Motor-gearbox combination
В узле: 1
Содержащиеся в справочниках-каталогах запасные части и детали не предлагаются к продаже, а носят исключительно информационный характер

Ваша заявка была отправлена. В ближайшее время наши специалисты с Вами свяжутся по указанному Вами телефону.

Представьтесь
Поле обязательно для заполнения
Ваш телефон
Введите правильный номер телефона
E-mail
Введите правильный e-mail
Тема
Тема
применяемость финансирование доставка цена, наличие другое сервис и гарантия
Время для звонка
08:00
08:00 09:00 10:00 11:00 12:00 13:00 14:00 15:00 16:00 17:00 18:00 19:00
19:00
08:00 09:00 10:00 11:00 12:00 13:00 14:00 15:00 16:00 17:00 18:00 19:00

Мы постараемся перезвонить в указанное время

Если вы не хотите ждать, то звоните нашим вежливым консультантам:

8 800 100-2-700
Подтвердите, что вы не робот
Подтвердите, что вы не робот
Спасибо!

Ваше сообщение успешно отправлено!

ЗакрытьПовторить попытку