Каталог запасных частей к технике: Lemken Solitair 9/450K. Dosage 4-Auslaufe C

zoom-in zoom-out enlarge shrink circle-right circle-left file-text2 info cart arraw right arraw left zoom out zoom in arraw maximize arraw minimize
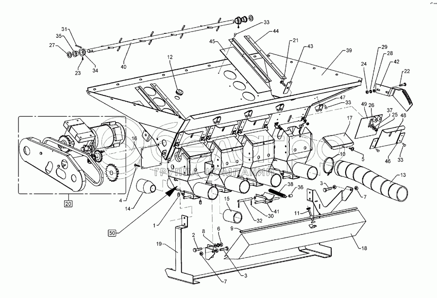
1
2
3
3
4
5
6
7
7
8
9
10
11
12
13
14
15
16
17
18
19
20
21
22
23
25
26
27
30
31
32
33
33
33
34
35
36
37
38
39
40
41
42
43
44
45
46
47
48
49
50
1
301 0127
Threaded pin
В узле: 8
2
301 3000
Screw
В узле: 2
3
301 3067
Bolt
В узле: 2
4
301 5856
Allen screw
В узле: 16
5
301 9914
Bolt
В узле: 4
6
303 0931
Selflocking nut
В узле: 4
7
303 1011
Nut
В узле: 4
8
305 8572
Washer
В узле: 4
9
323 3104
Sealing profile
В узле: 1
10
325 1166
Hose clip
В узле: 8
11
331 6002
Securing rubber
В узле: 1
12
373 4082
Seal socket
В узле: 1
13
377 4070
Flexible hose
В узле: 4
14
482 5841
Nozzle for seed housing
В узле: 4
15
482 5842
Restrictor
В узле: 4
16
482 5844
Guard for seed housing
В узле: 4
17
482 5845
Guard for seed housing
В узле: 4
18
482 5850
Calibration trough
В узле: 1
19
482 5847
Holder
В узле: 1
20
573 8060
Electric drive
В узле: 1
21
301 1123
Bolt, cup square head
В узле: 4
22
301 1086
Bolt, cup square head
В узле: 2
23
301 5854
Allen screw
В узле: 2
25
303 0932
Selflocking nut
В узле: 4
26
305 6124
Washer
В узле: 4
27
305 6143
Washer
В узле: 4
30
311 7602
Peg
В узле: 8
31
311 7615
Peg
В узле: 2
32
313 0802
Pin
В узле: 4
33
315 9608
Rivet
В узле: 40
34
317 7641
Bearing housing
В узле: 2
35
317 7642
Bush
В узле: 2
36
323 6510
Plastic cap
В узле: 8
37
329 6127
Tellerfeder
В узле: 16
38
329 8553
Spring
В узле: 8
39
482 5758
Dosage
В узле: 1
40
482 5830
Agitator shaft
В узле: 1
41
482 5840
Soil flap
В узле: 4
42
482 5846
Fixing device
В узле: 1
43
482 5849
Cover plate
В узле: 4
44
482 5857
Cutting bar
В узле: 4
45
482 5858
Viewing glass
В узле: 2
46
482 5907
Plate
В узле: 8
47
482 5908
U-lashing
В узле: 4
48
482 5909
Slide
В узле: 4
49
482 5910
Slide
В узле: 4
50
582 5892
Seeding mechanism
В узле: 1
Содержащиеся в справочниках-каталогах запасные части и детали не предлагаются к продаже, а носят исключительно информационный характер

Ваша заявка была отправлена. В ближайшее время наши специалисты с Вами свяжутся по указанному Вами телефону.

Представьтесь
Поле обязательно для заполнения
Ваш телефон
Введите правильный номер телефона
E-mail
Введите правильный e-mail
Тема
Тема
применяемость финансирование доставка цена, наличие другое сервис и гарантия
Время для звонка
08:00
08:00 09:00 10:00 11:00 12:00 13:00 14:00 15:00 16:00 17:00 18:00 19:00
19:00
08:00 09:00 10:00 11:00 12:00 13:00 14:00 15:00 16:00 17:00 18:00 19:00

Мы постараемся перезвонить в указанное время

Если вы не хотите ждать, то звоните нашим вежливым консультантам:

8 800 100-2-700
Подтвердите, что вы не робот
Подтвердите, что вы не робот
Спасибо!

Ваше сообщение успешно отправлено!

ЗакрытьПовторить попытку