Каталог запасных частей к технике: Lemken Solitair 9/450K. HY-assembly coulter pressure DZ60-245 Solitair

zoom-in zoom-out enlarge shrink circle-right circle-left file-text2 info cart arraw right arraw left zoom out zoom in arraw maximize arraw minimize
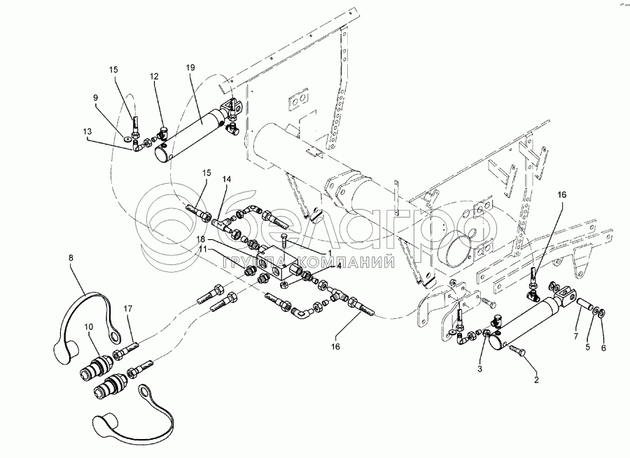
1
2
3
4
5
6
7
8
9
10
11
12
13
14
15
15
16
16
17
18
19
1
301 2998
Bolt
В узле: 2
2
301 4439
Bolt
В узле: 2
3
303 0936
Selflocking nut
В узле: 2
4
303 0967
Nut
В узле: 2
5
305 2040
Shim
В узле: 4
6
305 8861
Securing ring
В узле: 4
7
313 7793
Pin
В узле: 2
8
375 2121
Cap
В узле: 2
9
375 2171
Throttle plate
В узле: 2
10
375 2718
SVK-socket
В узле: 2
11
375 4038
Nipple
В узле: 4
12
375 4310
Union, swivel
В узле: 4
13
375 4500
Adjustable angle union
В узле: 4
14
375 4550
L-adjustable T-union
В узле: 2
15
475 2598
High-pressure hose
В узле: 2
16
475 2615
High-pressure hose
В узле: 2
17
475 2656
High-pressure hose
В узле: 2
18
575 2161
Nonreturn valve
В узле: 1
19
575 2314
Plunger-ram
В узле: 2
Содержащиеся в справочниках-каталогах запасные части и детали не предлагаются к продаже, а носят исключительно информационный характер

Ваша заявка была отправлена. В ближайшее время наши специалисты с Вами свяжутся по указанному Вами телефону.

Представьтесь
Поле обязательно для заполнения
Ваш телефон
Введите правильный номер телефона
E-mail
Введите правильный e-mail
Тема
Тема
применяемость финансирование доставка цена, наличие другое сервис и гарантия
Время для звонка
08:00
08:00 09:00 10:00 11:00 12:00 13:00 14:00 15:00 16:00 17:00 18:00 19:00
19:00
08:00 09:00 10:00 11:00 12:00 13:00 14:00 15:00 16:00 17:00 18:00 19:00

Мы постараемся перезвонить в указанное время

Если вы не хотите ждать, то звоните нашим вежливым консультантам:

8 800 100-2-700
Подтвердите, что вы не робот
Подтвердите, что вы не робот
Спасибо!

Ваше сообщение успешно отправлено!

ЗакрытьПовторить попытку